Acura RL (2007 – 2010) – wiring diagrams – starting
Year of productions: 2007, 2008, 2009, 2010
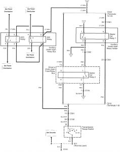
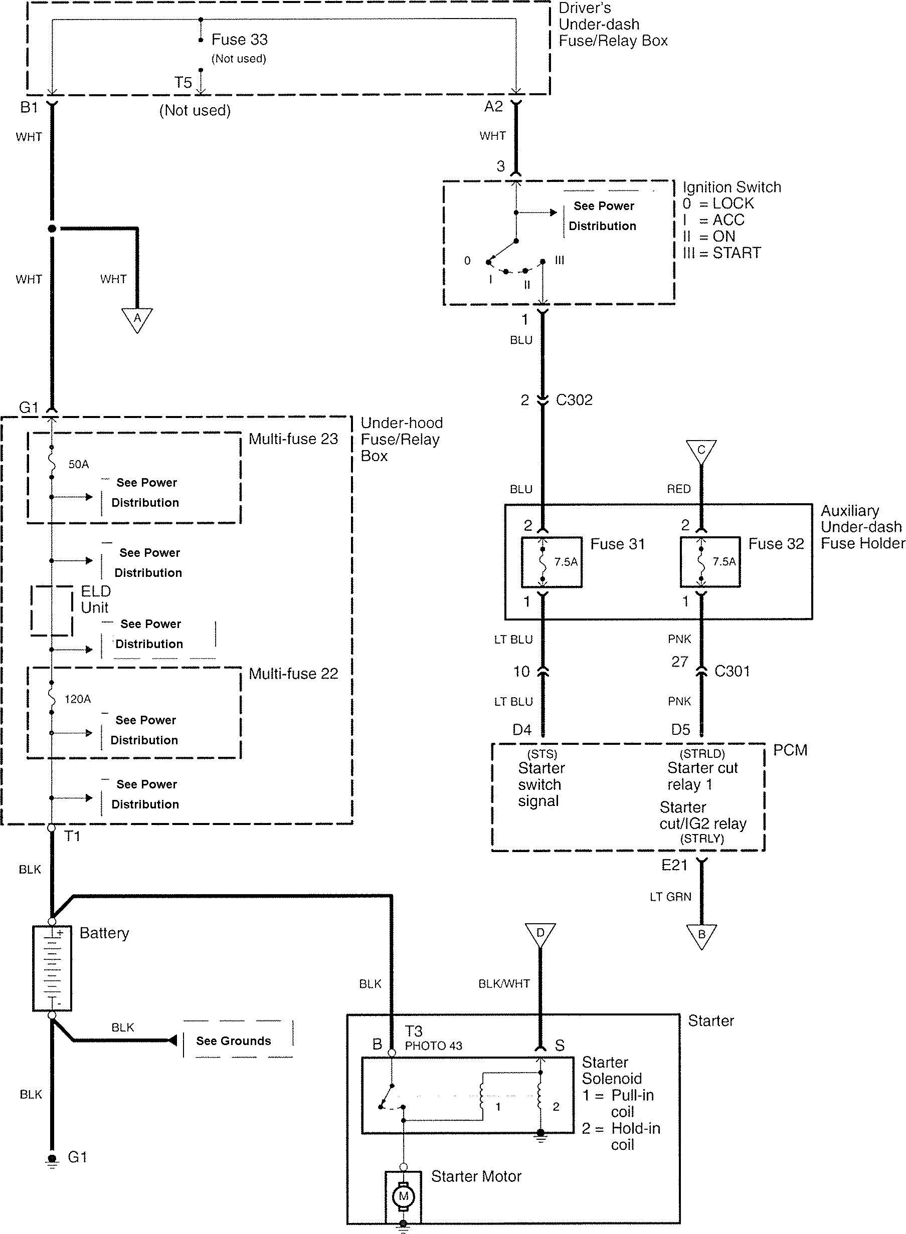
Starting


WARNING: Terminal and harness assignments for individual connectors will vary depending on vehicle equipment level, model, and market.
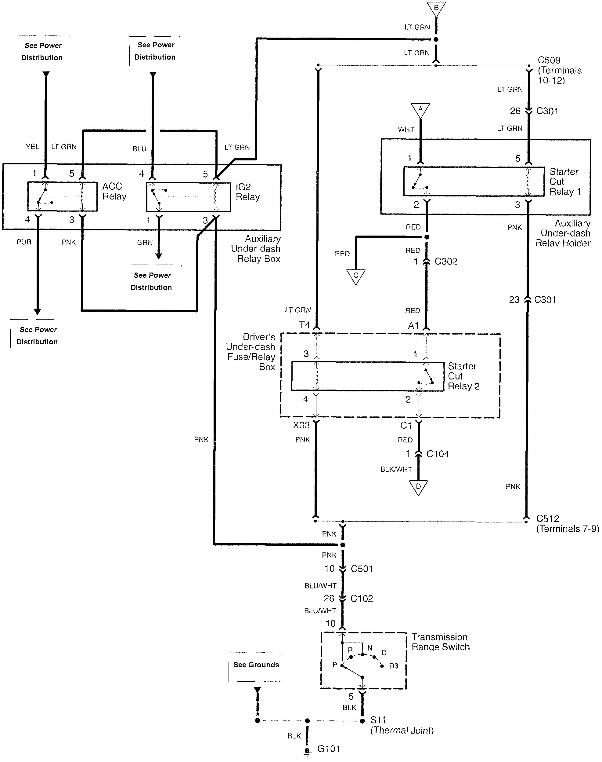
Year of productions: 2007, 2008, 2009, 2010


WARNING: Terminal and harness assignments for individual connectors will vary depending on vehicle equipment level, model, and market.
Copyright © 2026 | MH Magazine WordPress Theme by MH Themes