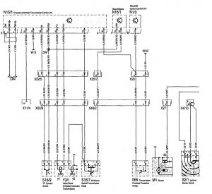
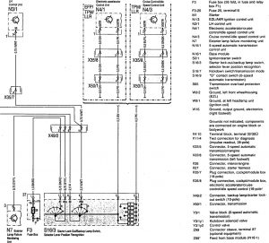
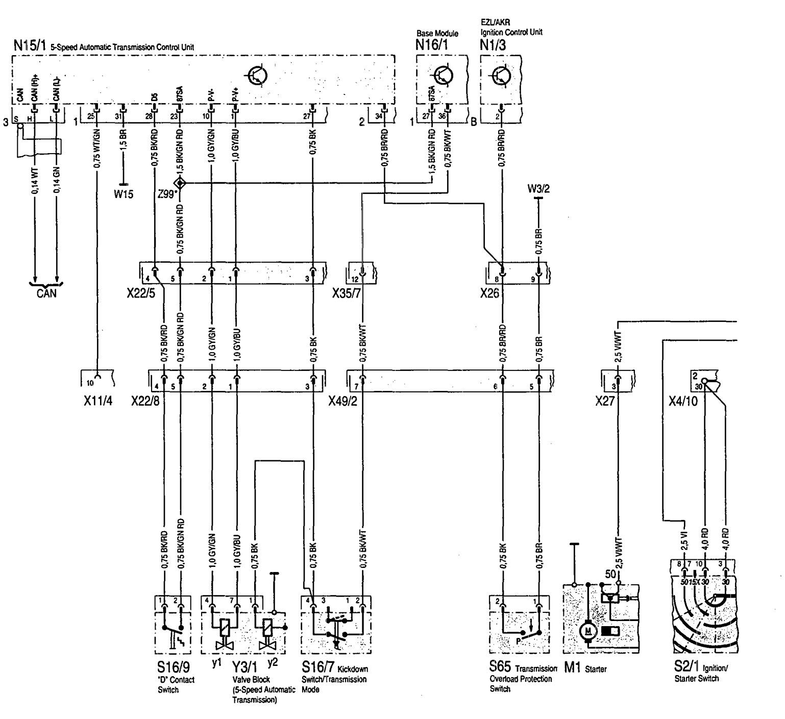
Mercedes-Benz 300SE (1992 – 1993) – wiring diagrams – transmission controls
Year of productions: 1992, 1993
Transmission controls


WARNING: Terminal and harness assignments for individual connectors will vary depending on vehicle equipment level, model, and market.
