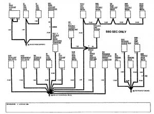
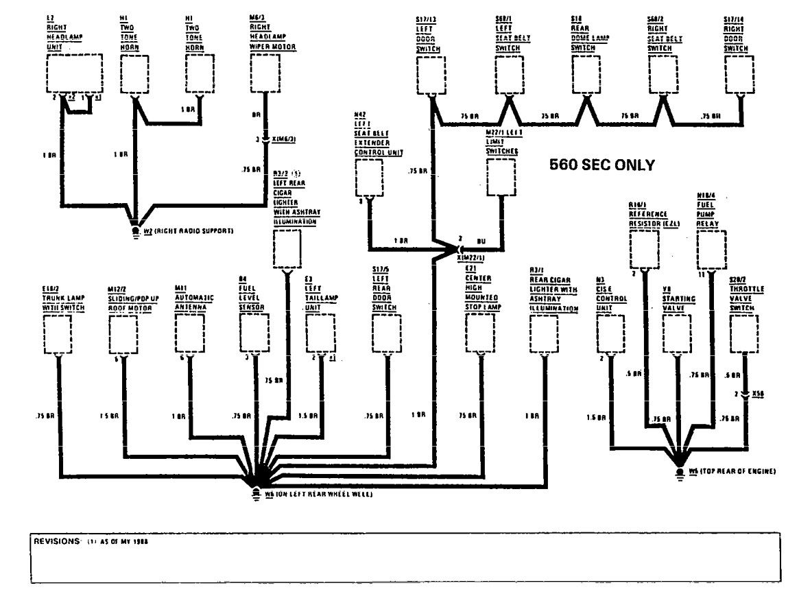
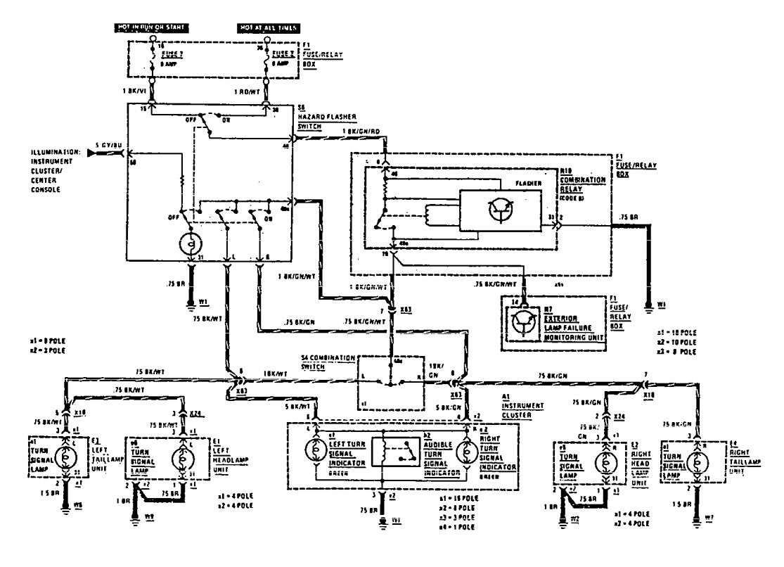
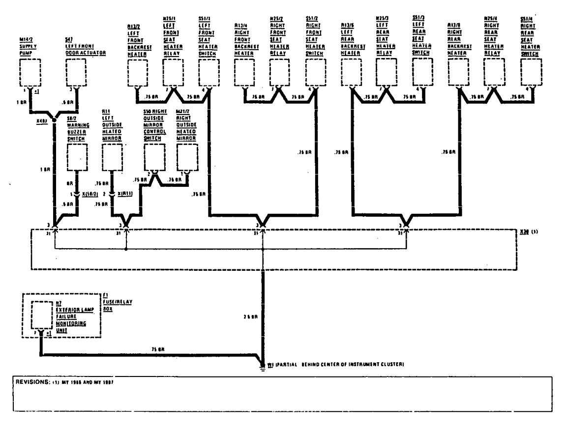
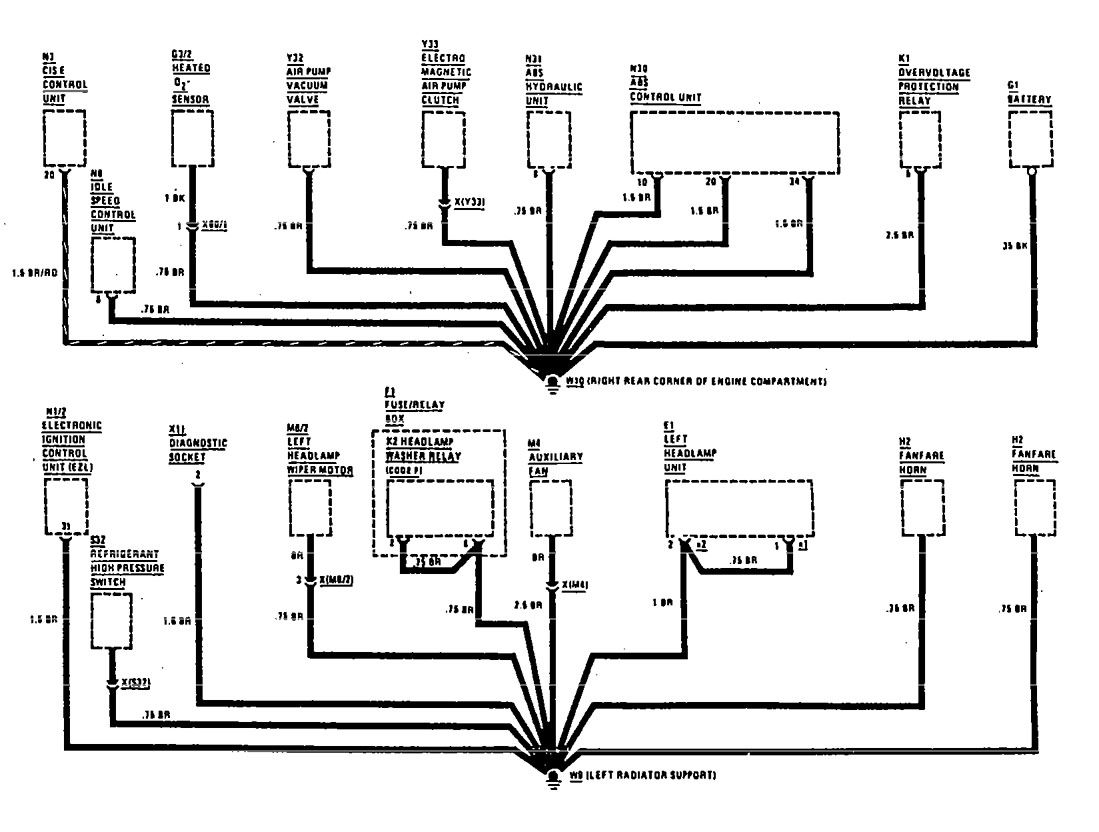
Mercedes-Benz 300SEL (1990) – wiring diagrams – ground distribution
Year of productions: 1990
Ground distribution










WARNING: Terminal and harness assignments for individual connectors will vary depending on vehicle equipment level, model, and market.
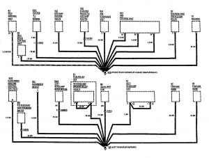
Year of productions: 1990










WARNING: Terminal and harness assignments for individual connectors will vary depending on vehicle equipment level, model, and market.
Copyright © 2026 | MH Magazine WordPress Theme by MH Themes