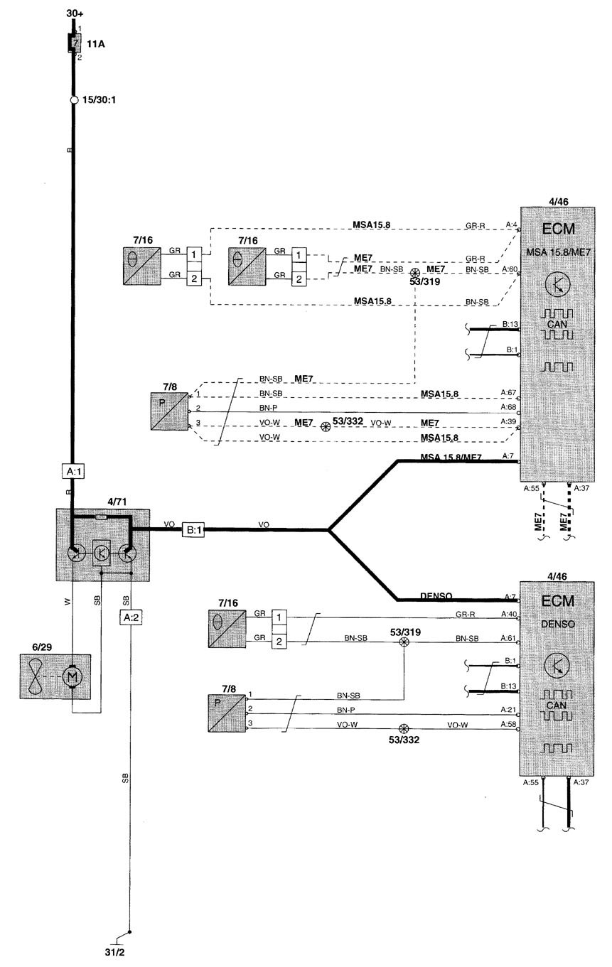
Volvo V70 (2001) – wiring diagrams – cooling fans
Year of productions: 2001
Cooling fans





WARNING: Terminal and harness assignments for individual connectors will vary depending on vehicle equipment level, model, and market.
Year of productions: 2001





WARNING: Terminal and harness assignments for individual connectors will vary depending on vehicle equipment level, model, and market.
Copyright © 2026 | MH Magazine WordPress Theme by MH Themes