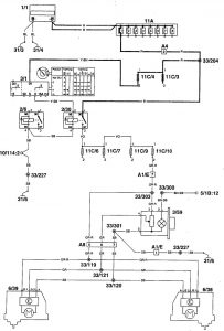
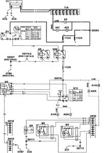
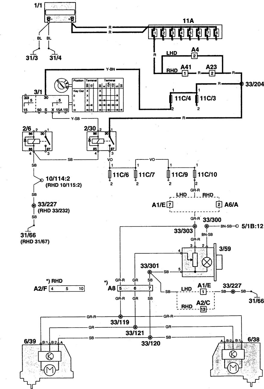
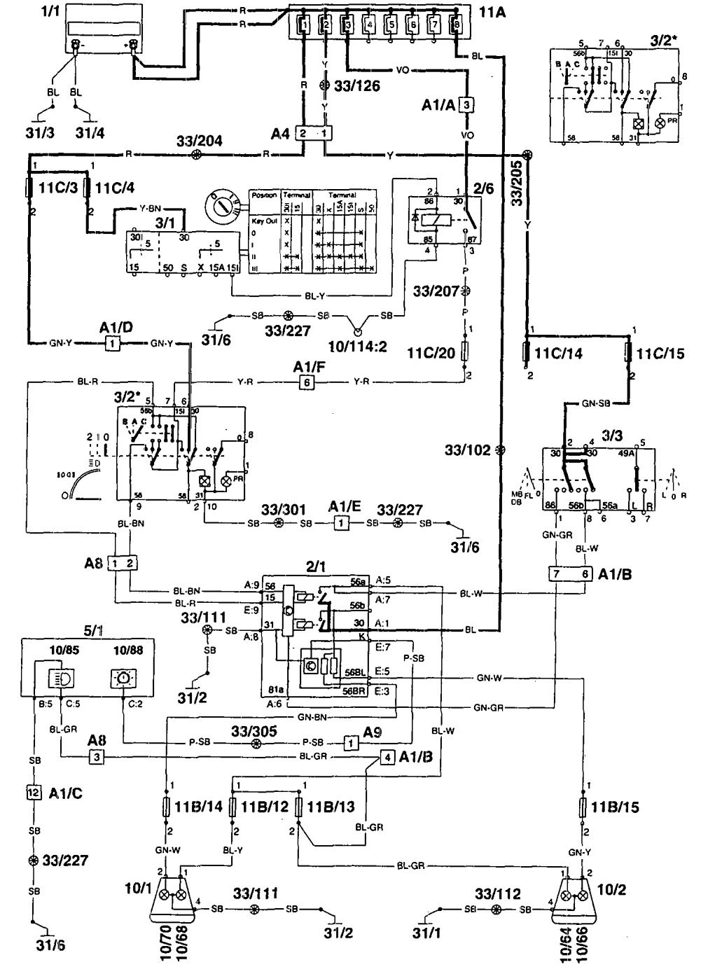
Volvo 960 (1995) – wiring diagrams – headlamps
Year of productions: 1995
Headlamps









WARNING: Terminal and harness assignments for individual connectors will vary depending on vehicle equipment level, model, and market.
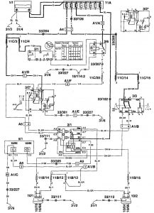
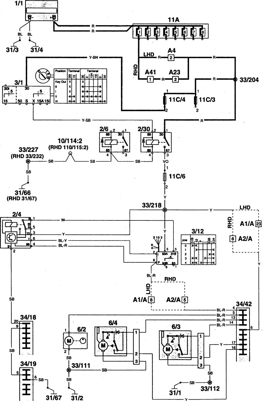
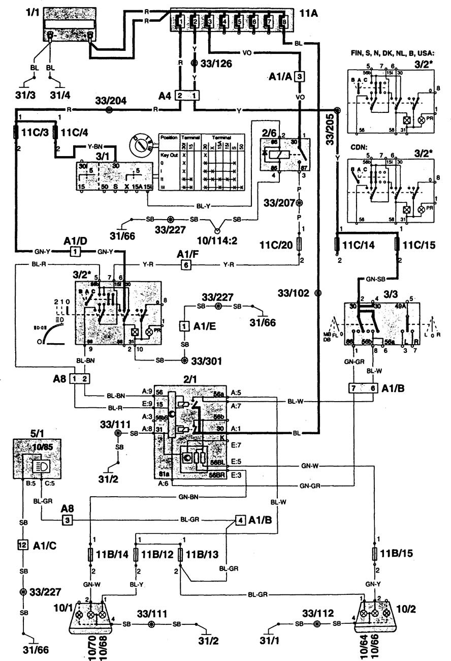
Year of productions: 1995









WARNING: Terminal and harness assignments for individual connectors will vary depending on vehicle equipment level, model, and market.
Copyright © 2026 | MH Magazine WordPress Theme by MH Themes