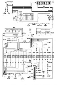
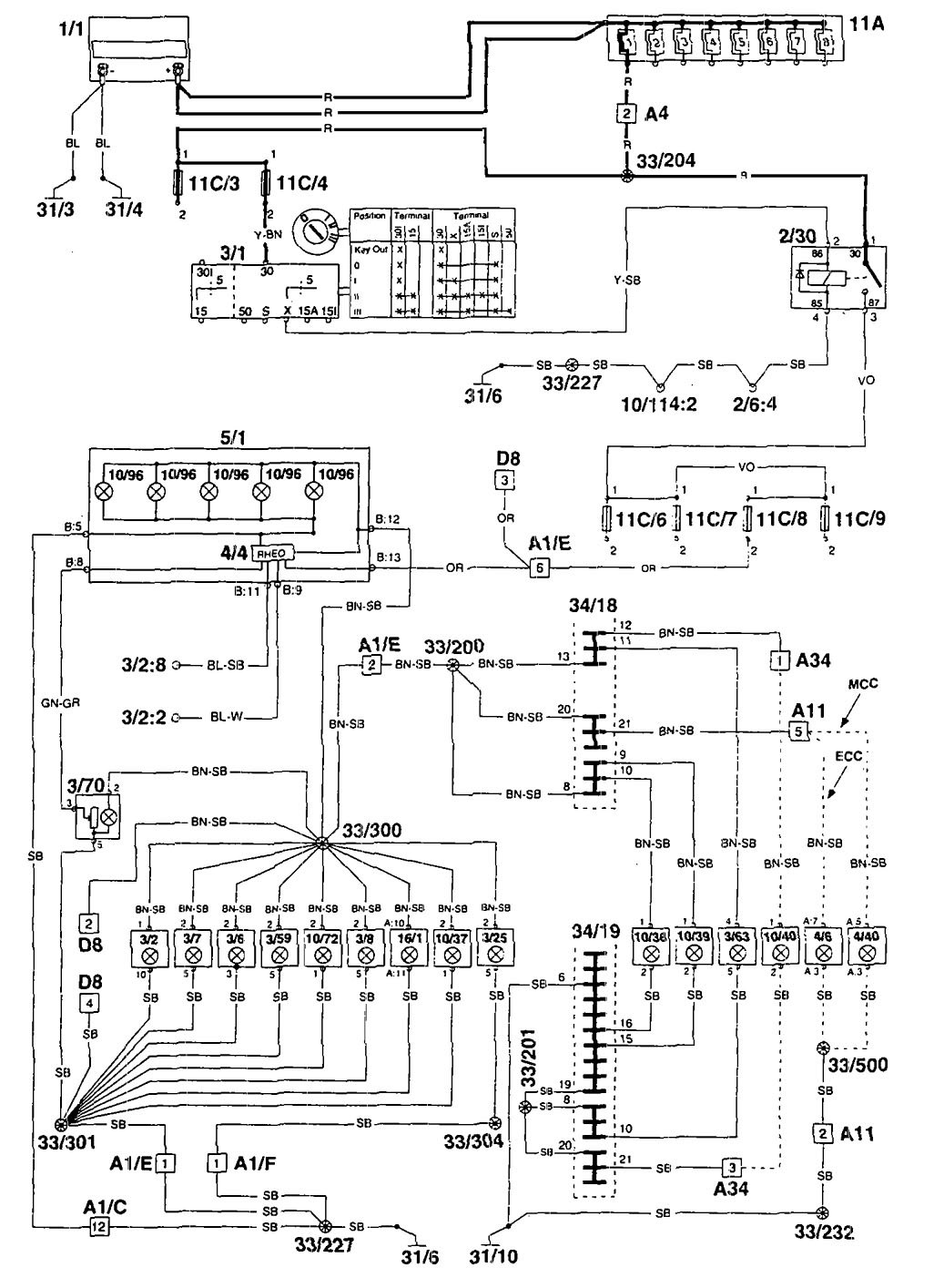
Volvo 960 (1995) – wiring diagrams – instrument panel lamps
Year of productions: 1995
Instrument panel lamps






WARNING: Terminal and harness assignments for individual connectors will vary depending on vehicle equipment level, model, and market.
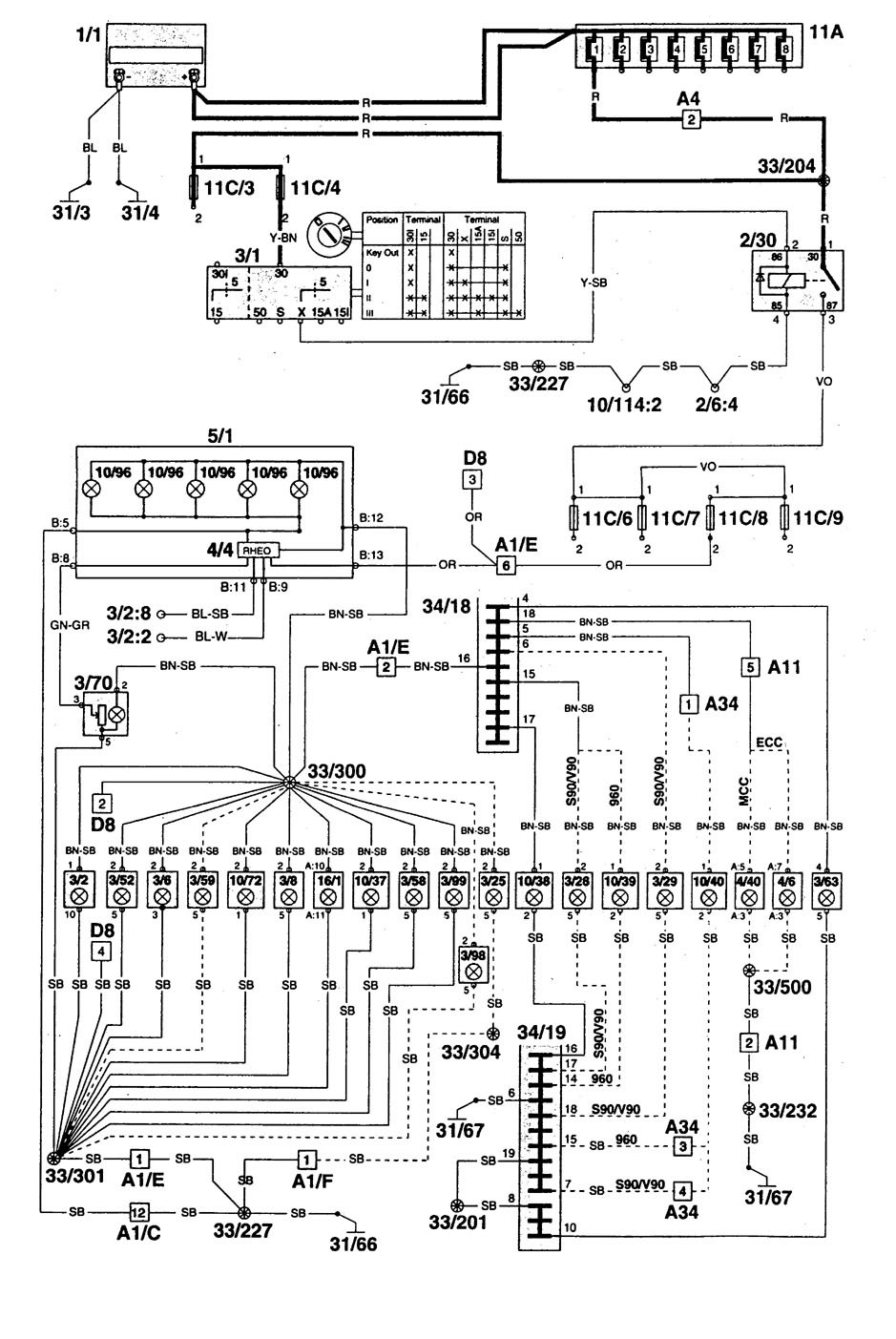
Year of productions: 1995






WARNING: Terminal and harness assignments for individual connectors will vary depending on vehicle equipment level, model, and market.
Copyright © 2026 | MH Magazine WordPress Theme by MH Themes