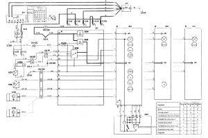
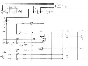
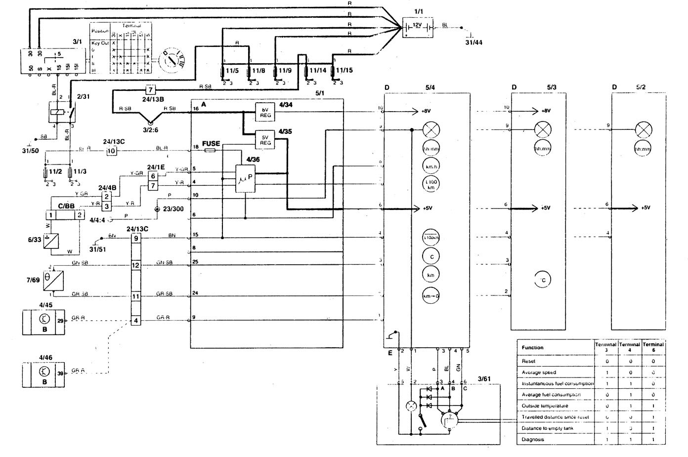
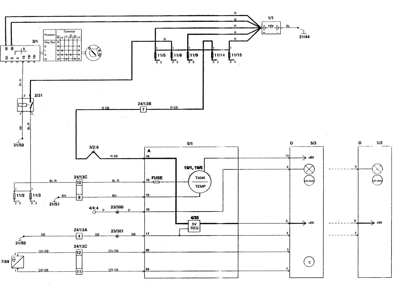
Volvo 850 (1996) – wiring diagrams – electronic compass/outside temperature
Year of productions: 1996
Electronic compass/outside temperature





WARNING: Terminal and harness assignments for individual connectors will vary depending on vehicle equipment level, model, and market.
