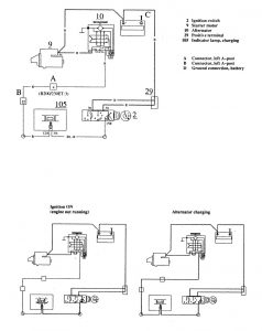
Volvo 740 (1989 – 1990) – wiring diagrams – charging system
Year of productions: 1989, 1990
Charging system

WARNING: Terminal and harness assignments for individual connectors will vary depending on vehicle equipment level, model, and market.
Copyright © 2026 | MH Magazine WordPress Theme by MH Themes