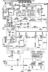
Volvo 960 (1995) – wiring diagrams – parking lamp
Year of productions: 1995
Parking lamp







WARNING: Terminal and harness assignments for individual connectors will vary depending on vehicle equipment level, model, and market.
Year of productions: 1995







WARNING: Terminal and harness assignments for individual connectors will vary depending on vehicle equipment level, model, and market.
Copyright © 2026 | MH Magazine WordPress Theme by MH Themes