Volvo 244 (1989) – wiring diagrams – audio
Year of productions: 1989
Audio




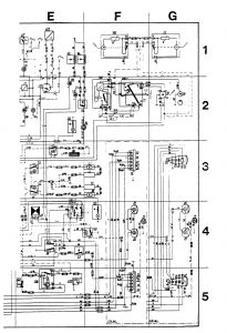
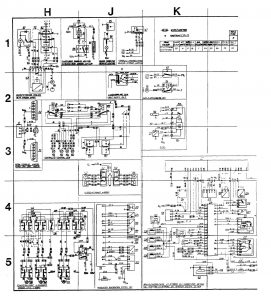
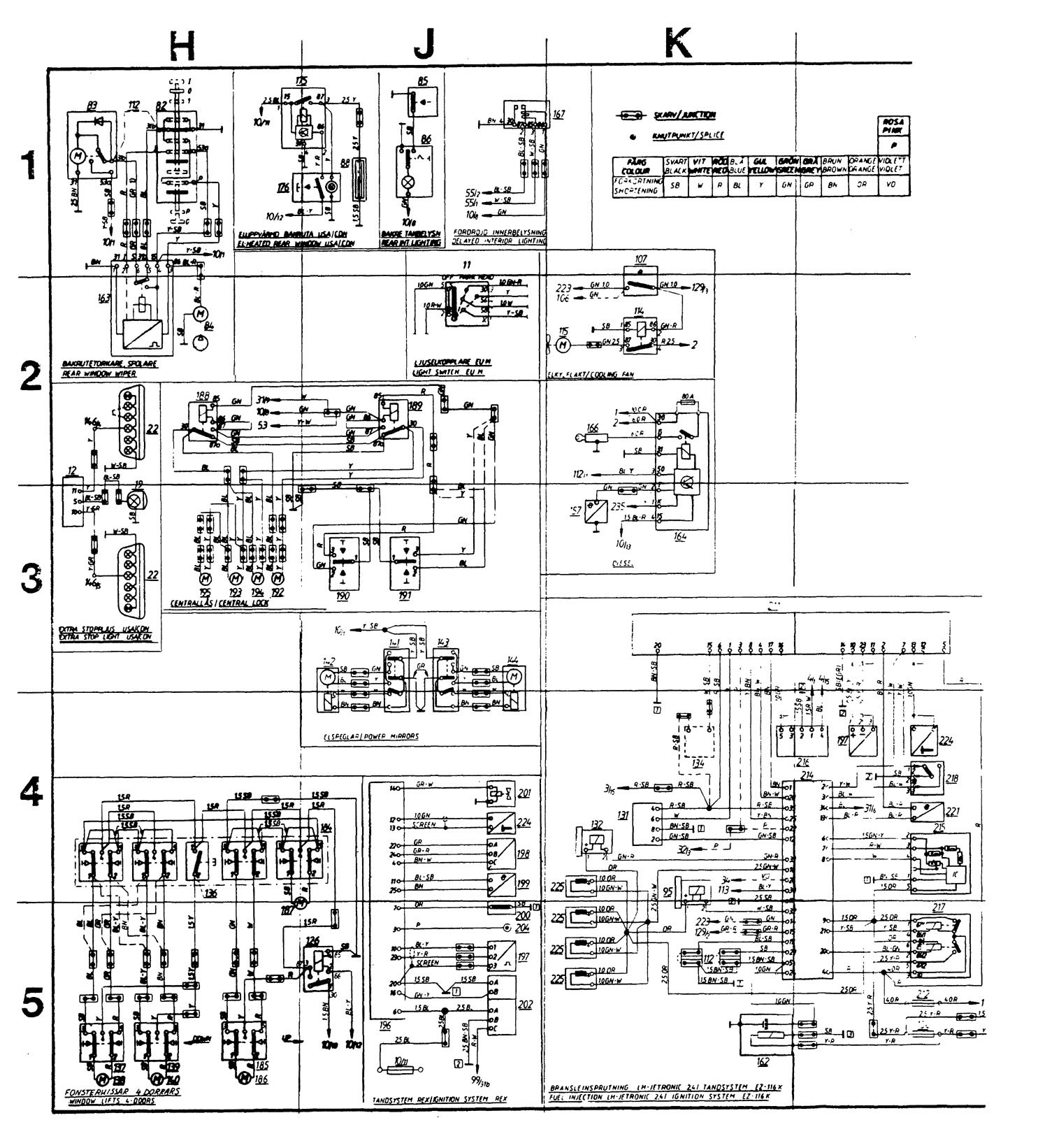
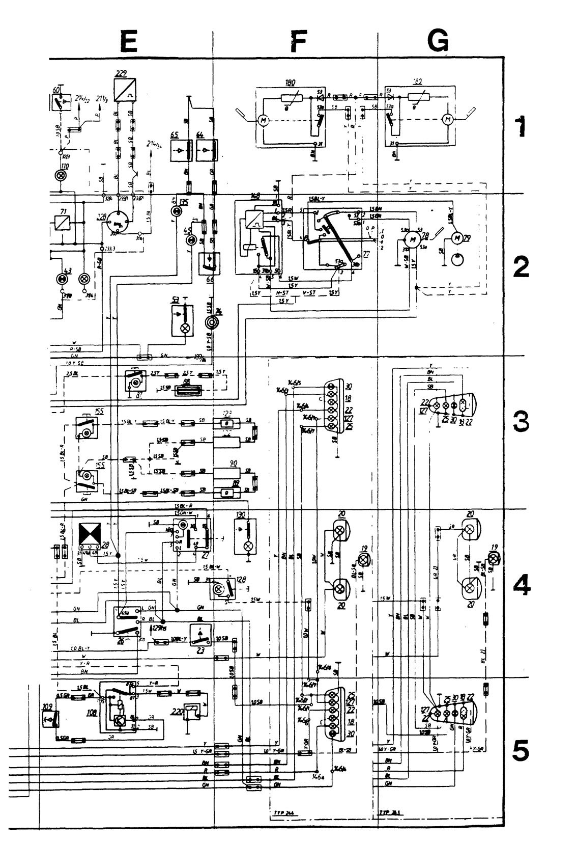
| Description | Location | Position |
| AC delay relay | E4, M4 | 129 |
| AC compressor solenoid 3.9A | M5 | 105 |
| AC cut-out relay (B21 FTL ) | K1 | 231 |
| AC microswitch | M4 | 213 |
| AC receiver/driver | L4 | 223 |
| AC switch (thermostat type) | L4 | 107 |
| Adjustment knob, panel light intensity | c2 | 50 |
| Antenna (A-post) | M3 | 118 |
| Air mass meter | L5 | 215 |
| Alternator | B2 | 8 |
| Ashtray Light 1.2W | C2 | 48 |
| Auxiliary air valve | C1 | 102 |
| Back-up light switch, automatic transmission | N3 | 24 |
| Beck-up light switch, manual gearbox | F4 | 23 |
| Beck·up light 32 cp/21 W | F3, F5, G3, G5 | 25 |
| Battery | B1 | 1 |
| Battery charging indicator lamp | D2 | 40 |
| Brake failure warning lamp | E1 | 38 |
| Brake failure warning switch | E1 | 38 |
| Brake light | F3, F5, G3, G5, H2, H3 | 22 |
| Brake light switch | D5, H4 | 21 |
| Bridge connector | L5, B2, H1 | 112 |
| Bulb failure warning sensor | D5 | 12 |
| Bulb failure warning sensor lamp | D2 | 41 |
| Capacitor 2.2 µF | B2 | 120 |
| Central lock link rod switch | J3 | 191 |
| Central lock motor armrest 242 | K3 | 197 |
| Central lock motor locking | E2, J2 | 189 |
| Central lock motor passenger side | H3 | 192 |
| Central lock motor rear left | H3 | 193 |
| Central lock motor rear right | H3 | 194 |
| Central lock motor tailgate | H3 | 195 |
| Central lock motor unlocking | H2 | 188 |
| Choke/check engine lamp | E1 | 110 |
| Choke switch | D1 | 60 |
| Cigar lighter 7A | F2 | 74 |
| CIS air control valve | K4 | 132 |
| Clock | D1 | 91 |
| Connector 8-pole | F3, F5, H2, H3 | 146 |
| Control pressure reguletor | B1 | 101 |
| Control unit B230F LH Jetrono1 2.4 | K4 | 214 |
| Control unit, diesel | K3 | 164 |
| Control unit, EZ 116K ignition sysem | K3 | 211 |
| Coolant temperature sender | K3 | 157 |
| Courtesy light 10W | B4 | 54 |
| Day running light 32cp/21 W | A3, A5, F3, F5 | 17 |
| Delayed courtesy light relay | C4, J1 | 167 |
| Diagnostic output | K4 | 131 |
| Dim·Dip regulator | N5 | 133 |
| Diode | D1, D2, E1 | 92 |
| Diode box | N5 | 152 |
| Direction indicator lamp | E2 | 43 |
| Direction indicator switch | E4 | 26 |
| Direction indicator front | A3, A5 | 29 |
| Direction indicator rear | F3, F5, G3, G5 | 30 |
| Distribution | C1, K3 | 5 |
| Door switch. driver side | C4 | 55 |
| Door switch. passenger side | B3, B4, C3 | 56 |
| EGR converter | K4 | 134 |
| Electric cooling fan motor | K2 | 115 |
| Electric cooling fan relay | K2 | 114 |
| Engine compartment light 15W | B3 | 46 |
| Fasten seat belt reminder light | C3, N1 | 94 |
| Flasher device | E4 | 28 |
| Fuel gauge | D2 | 69 |
| Fuel lever sender | D1 | 57 |
| Fuel pump relay | B1 | 99 |
| Fuel pump 6.5 A | B1 | 100 |
| Fuel shut-off | J5 | 201 |
| Fuel valve, diesel | B2 | 154 |
| Fuse | H4 | 204 |
| Fuse box | C2 | 2 |
| Fuse box | D3, K5, L2 | 10 |
| Fuse 25 A | L5 | 212 |
| Gear selector panel light | C2 | 49 |
| Glove compartment light 2W | E2 | 53 |
| Glow plug | K2 | 166 |
| Hazard warning lights switch | E4 | 27 |
| Headlight wiper 1A | F1, G1 | 180 |
| Heated rear window delay relay | J1 | 175 |
| Heated rear window switch | E3 | 87 |
| Heated rear window 150W | F3, J1 | 88 |
| Heated rear switch | E3 | 87 |
| Heated fan CU | M4 | 206 |
| Heated fan switch | B3 | 76 |
| Heated fan switch CU | M4 | 206 |
| Heated pad, passenger seat backrest | F3 | 122 |
| Heated pad, passenger seat | F3 | 123 |
| Heated pad + thermostat, driver seat 30W | F3 | 89 |
| Heated pad, driver backrest 30W | F3 | 90 |
| High beam bulb max 75W | A3, A5 | 14 |
| High beam indicator lamp | D2 | 42 |
| High·level brake lights | F2, H2 | 19 |
| Horn switch | B3 | 73 |
| Horn 7,5A | B3 | 72 |
| Hot start valve | B1 | 145 |
| Hot start valve relay | B4 | 147 |
| Idle speed switch | J5 | 200 |
| Ignition coil 12A | C2 | 4 |
| Ignition switch | C3, N3 | 200 |
| Impulse sender | J4 | 197 |
| Impulse wheel, rear axle | E1 | 229 |
| Indicator lamp (Lambda-sond), glow plug (diesel) | B4, N2 | 181 |
| Indicator lamp, Lambda-sond/glow plugs | 183 | |
| Indicator lamp, parking lights | D1 | 234 |
| Indicator lamp, temperature sensor | N5 | 156 |
| Indicator light, parking lights | D1 | 234 |
| Injector | K4 | 225 |
| Instrument and panel lighting | C2 | 52 |
| Instrument connection | N4 | 31 |
| Instrument connection | N3 | 32 |
| Instrument connection | E2, N4 | 235 |
| Instrument connection | E1, N4 | 233 |
| Instrument connection, AW 71 | D2 | 34 |
| Instrument connection 2W | D1 | 51 |
| Knock sensor | L4, J4 | 224 |
| Lambda sond switch | E1 | 63 |
| Lambda sond (B 230 F) | K5 | 162 |
| License number plate light 4 cp/5W | F4, G4 | 20 |
| Light switch | B4, J1 | 11 |
| Loudspeaker 4 ohms, front left door | M3 | 116 |
| Loudspeaker 4 ohms, front right door | M3 | 117 |
| Low beam bulb max 55 W | A3, A5 | 15 |
| Main headlight relay | C4 | 124 |
| Main relay B230 F | K5 | 217 |
| Microswitch (idling and full load) | L4 | 218 |
| Motor, electric cooling fan | K2 | 115 |
| Oil pressure indicator lamp | D1 | 35 |
| Oil pressure sender | D1 | 59 |
| Overdrive indicator lamp | E2 | 44 |
| Overdrive relay | E5, H3, L3 | 108 |
| Overdrive solenoid AW 71/Shift indicator | D2 | 111 |
| Overdrive switch (M 46) | E5, H3 | 109 |
| Overdrive (AW 71) solenoid | E5 | 220 |
| Parking brake indicator lamp | D1 | 37 |
| Parking brake switch | D1 | 61 |
| Parking light 4 cp/5 W | A2, A3, A5 | 16 |
| Power antenna 3A | M3 | 179 |
| Power door mirror switch, right | J3 | 143 |
| Power door mirror left | J3 | 141 |
| Power door mirror left | J3 | 142 |
| Power door mirror, right | K3 | 144 |
| Power stage EZ 116 K | L4 | 216 |
| Power liege coil | J5 | 202 |
| Power window motor 5A. driver side | H5 | 187 |
| Power window motor 5A, passenger side | H5, J5 | 186 |
| Power window motor, rear left 5A | H5 | 138 |
| Power window motor rear right 5A | H5 | 140 |
| Power window relay | J5 | 126 |
| Power window switch (main), rear | H4 | 136 |
| Power window switch, driver side | J4, K4 | 184 |
| Power window switch, passenger side | H5, J5 | 185 |
| Power window switch, rear left | H5 | 137 |
| Power window switch, rear right | H5 | 139 |
| Pressure tranducer | J4 | 198 |
| Radio | D2, L2 | 178 |
| Rear courtesy light 10 W | J1 | 86 |
| Rear door switch | J1 | 85 |
| Rear fog light switch | F4 | 128 |
| Rear fog light 32 cp/21W | F3, F5, G3, G5 | 127 |
| Rear seat belt light 2W | E2, N1 | 135 |
| Relay, electric cooling fan | K2 | 114 |
| Relay, temperature sensor | N5 | 151 |
| Resistor 0.2 ohm | M4 | 209 |
| Resistor 0.7 ohm | M4 | 208 |
| Resistor 1.9 ohm | M4 | 207 |
| Rex ignition system control unit | J5 | 196 |
| Seat belt buckle light | C2 | 47 |
| Seat belt reminder light | E2, N1 | 45 |
| Seat belt switch driver | E1 | 65 |
| Seat belt switch passenger | E1 | 64 |
| Seat belt switch passenger | E2 | 66 |
| Service socker | J5 | 204 |
| Service socket for cranking starter motor | B2, N3 | 113 |
| Side marker light 2 – 4 W | B3, B5 | 150 |
| Solenoid | K2, M2 | 106 |
| Solenoid valve, carb (fuel valve, diesel) | B4, N2 | 181 |
| Solex carburettor PTC resistor | B4 | 158 |
| Spark plug suppressor | C1 | 121 |
| Spark plug | C1 | 6 |
| Speedometer | E2 | 228 |
| Standard heater unit 115 W | B4 | 75 |
| Start injector | B1 | 96 |
| Starter motor | B1, B4, N3 | 7 |
| Step relay, high/low beams and flash | C5 | 13 |
| Switch, delay relay | J1 | 176 |
| Tachometer | D2 | 68 |
| Tail light 4 cp/5W | G3, G5 | 18 |
| Tailgate washer 1A | H1 | 83 |
| Tailgate washer 3.4 A | H2 | 84 |
| Tailgate wash/wipe switch | H1 | 82 |
| Tailgate wipe relay | H2 | 163 |
| Tank pump 1.6 A | C1 | 97 |
| Temperature gauge | E2 | 70 |
| Temperature sender | D1 | 58 |
| Temperature sender B230 F | L4 | 221 |
| Temperature sensor | J4 | 199 |
| Temperature sensor | N5 | 153 |
| Temperature sensor, indicator lamp | N5 | 156 |
| Temperature sensor relay | N5 | 151 |
| Thermal time switch, start injector | B1 | 96 |
| Trunk light | F3 | 130 |
| TZ-28 H ignition system control unit | C1 | 210 |
| Voltage regulator 10+-0.2V | E2 | 71 |
| Windscreen wash 2.6 A | G2 | 79 |
| Windscreen wash/wip switch | F2 | 77 |
| Windscreen wiper 3.5 A | G2 | 78 |
| Windscreen wiper relay | F1 | 148 |
WARNING: Terminal and harness assignments for individual connectors will vary depending on vehicle equipment level, model, and market.
