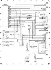
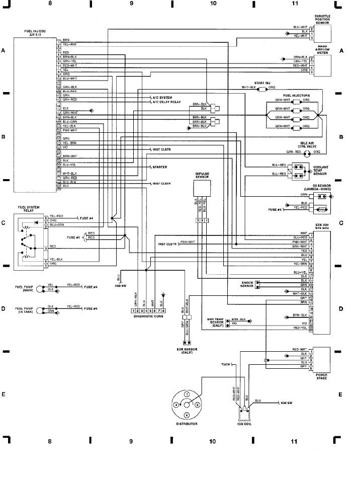
Volvo 240 – wiring diagrams – Computer Engine Ctrl (LH 3.1), EZK Ing Sys (grid 8 – 11)
Year of productions: 1991
Computer Engine Ctrl (LH 3.1), EZK Ing Sys (grid 8 – 11)

WARNING: Terminal and harness assignments for individual connectors will vary depending on vehicle equipment level, model, and market.

Leave a Reply