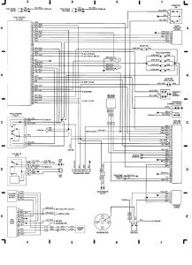
Volvo 240 – wiring diagrams – computer engine ctrl (LH 2.4), SRS (grid 4 – 7)
Year of productions: 1991
Computer engine ctrl (LH 2.4), SRS (grid 4 – 7)
Volvo 240 – wiring diagrams – computer engine ctrl (LH 2.4), SRSWARNING: Terminal and harness assignments for individual connectors will vary depending on vehicle equipment level, model, and market.


Leave a Reply