Mercedes-Benz C220 (1994 – 1996) – wiring diagrams – seat belt warning
Year of productions: 1994, 1995, 1996
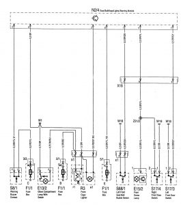
Seat belt warning

| E12/2 | Glove compartment lamp with switch |
| E15/2 | Dome lamp (with shut-off delay and front reading lamp) |
| F1/1 | Fuse box, (12 fuses in fuse / relay box F1) |
| F1/1-2 | Fuse 2. terminal 15R |
| F1/1-3 | Fuse 3, terminal 30 |
| F1/1-5 | Fuse 5, terminal 1 5 |
| N2/4 | Seat beltlkeysilights warning module (USA) |
| R3 | Front cigar lighter (with ashtray illumination) |
| R3e1 | Illumination |
| R3r1 | Heating element |
| R3x1 | Front cigar lighte~ connector |
| S8/1 | Warning buzzer contact (exterior lamps) |
| S17/3 | Left front door switch |
| S17/4 | Right front door switch |
| S68/1 | Left front seat belt buckle switch (seat belt reminder) |
| S68/1×1 | Left front seat belt buckle switch connector (seat belt extender/reminder) |
| W1 | Main ground (behind instrument cluster) |
| W18 | Ground (left front seat crossmember) |
| W19 | Ground (right front seat crossmember) |
| Grounds not indicated, components are connected on engine block or bodywork | |
| X18 | lnteriorltaillamp harness connector |
| Z21/2 | Front door contact connector sleeve (switched ground feed from left front (S17/3) and right front (S17/4) door contact switches) |
WARNING: Terminal and harness assignments for individual connectors will vary depending on vehicle equipment level, model, and market.
