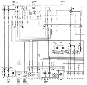
Mercedes-Benz C220 (1994 – 1996) – wiring diagrams – interior lighting
Year of productions: 1994, 1995, 1996
Interior lighting






| A1 | Instrument cluster |
| A1e1 | Left turn signal indicator lamp |
| A1e2 | Right turn signal indicator lamp |
| A1e3 | High beam indicator lamp |
| A1e14 | Exterior lamp failure indicator lamp |
| A1r1 | Instrument illumination rheostat |
| E1 | Left headlamp unit |
| E1e1 | High beam |
| E1e2 | Low beam |
| E1e4 | Fog lamp |
| E2 | Right headlamp unit |
| E2e1 | High beam |
| E2e2 | Low beam |
| E2e4 | Fog lamp |
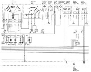
| E3 | Left taillamp unit |
| E3e1 | Turn signal lamp |
| E3e2 | Tail/parking lamp |
| E3e3 | Backup lamp |
| E3e4 | Stop lamp |
| E3e5 | Rear fog lamp |
| E3e8 | Auxiliary taillamp |
| E4 | Right taillamp unit |
| E4e1 | Turn signal lamp |
| E4e2 | Tail/parking lamp |
| E4e3 | Backup lamp |
| E4e4 | Stop lamp |
| E4e8 | Auxiliary taillamp |
| E6/1 | Left turn signal/side marker lamp (USA) |
| E6/1e1 | Turn signal |
| E6/1e2 | Side marker lamp (USA) |
| E6/2 | Right turn signal/side marker lamp (USA) |
| E6/2e1 | Turn signal |
| E6/2e2 | Side marker lamp (USA) |
| E15/2 | Front dome lamp (with shut-off delay and front reading lamp) |
| E19/1 | Left license plate lamp |
| E19/2 | Right license plate lamp |
| E2/1 | Center high mounted stop lamp |
| F1/1 | Fuse box (12-fuse, in fuse and relay box F1) |
| F1/1-1 | Fuse 1 , terminal 56b |
| F1/1-3 | Fuse· 3, terminal 30 |
| F1/1-4 | Fuse 4, terminal 30 |
| F1/1-6 | Fuse 6, terminal 15 |
| F1/1-7 | Fuse 7, terminal 56b |
| F1/1-9 | Fuse 9, terminal 30 |
| F1/1-12 | Fuse 12, terminal 15 |
| F2 | Maxi-fuse box (5-fuse, in fuse and relay box F1) |
| F2-15 | Fuse 15, terminal 15R |
| F3 | Fuse box (18-fuse, in fuse and relay box F1) |
| F3-18 | Fuse 18, terminal 58L |
| F3-19 | Fuse 19, terminal 56a |
| F3-22 | Fuse 22, terminal 58N |
| F3-24 | Fuse 24, terminal 58R |
| F3-25 | Fuse 25, terminal 56a |
| F3-28 | Fuse 28, terminal 58NS |
| F3-29 | Fuse 29, terminal 15 |
| N2/4 | Seat belt warning module (USA) |
| N7 | Exterior lamp failure monitoring module |
| N10 | Combination relay (turn/hazard signal, heated rear window, wiper motor) |
| R3 | Front cigar lighter (with ashtray illumination) |
| R3e1 | Illumination |
| R3x1 | Illuminated cigar lighter connector |
| S1 | Exterior lamp switch |
| S2/1 | Ignition/starter switch |
| S4 | Combination switch |
| S4s1 | Turn signal switch |
| S4s2 | Headlamp flasher switch |
| S4s3 | Low beam switch |
| S4x1 | Combination switch connector |
| S6 | Hazard flasher switch |
| S8/1 | Warning buzzer contact (exterior lamps) |
| S9/1 | Stop lamp switch ( 4-pole) |
| S16/1 | Starter lock-out/backup lamp switch |
| S16/4 | Starter lock-out/backup lamp switch (2nd and 3rd gear recognition) |
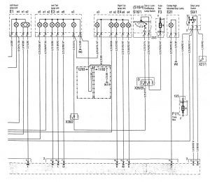
| W1 | Main ground (behind instrument cluster) |
| W6 | Ground (left wheelhousing in trunk) |
| W7/1 | Ground (right rear taillamp in trunk) |
| W16/3 | Ground (output ground -component compartment – left) |
| W16/4 | Ground (output ground – component compartment – right) |
| Grounds not indicated, components are connected on engine block or bodywork | |
| X4 | Terminal block (terminal 30, left footwall) (3-pole) |
| X12/3 | Terminal block (terminal 30/15 unfused) (3-pole) |
| X18 | lnterior/taillamp harness connector |
| X21/1 | Terminal block (stop lamp switch) |
| X24 | Headlamp harness connector (6-pole) |
| X26/25 | Engine/chassis connector (24-pole) |
| X36/2 | Fuel pump harness/taillamp harness connector |
| Z81 | Terminal 58d connector sleeve |
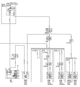
| A1 | Instrument cluster |
| A1e3 | High beam indicator lamp |
| A1r1 | Instrument illumination rheostat |
| E1 | Left headlamp unit |
| E1e1 | High beam |
| E1e2 | Low beam |
| E2 | Right headlamp unit |
| E2e1 | High beam |
| E2e2 | Low beam |
| E3 | Left taillamp unit |
| E3e2 | Tail/parking lamp |
| E3e8 | Auxiliary taillamp |
| E4 | Right taillamp unit |
| E4e2 | Tail/parking lamp |
| E4e8 | Auxiliary taillamp |
| E19/1 | Left license plate lamp |
| E19/2 | Right license plate lamp |
| F1/1 | Fuse box (12-fuse. in fuse and relay box F1) |
| F1/1-1 | Fuse 1, circuit 56b |
| F1/1-7 | Fuse 7, circuit 56b |
| F2 | Maxi-fuse box (5-fuse, in fuse and relay box F1) |
| F2-15 | Fuse 15, circuit 15R |
| F3 | Fuse box ( 18-fuse, in fuse and relay box F1) |
| F3-18 | Fuse 18, circuit 58L |
| F3-19 | Fuse 19, circuit 56a |
| F3-22 | Fuse 22, circuit 58N |
| F3-24 | Fuse 24, circuit 58R |
| F3-25 | Fuse 25, circuit 56a |
| F3-28 | Fuse 28, circuit 58NS |
| F3-34 | Fuse 34, circuit 15R |
| G2 | Generator |
| K2 | HCS relay module |
| K38 | Starter lock-out relay module |
| M1 | Starter |
| N2/4 | Seat belt warning module (USA) |
| N3/4 | Engine control module |
| N4/1 | EAICC/ISC control module |
| N4/3 | CC/ISC control module |
| N7 | Exterior lamp faiiure monitoring module |
| N35 | Daytime running lamp control module |
| R3 | Front cigar lighter (with ashtray illumination) |
| R3e1 | Illumination |
| R3x1 | Illuminated cigar lighter connector |
| S1 | Exterior lamp switch |
| S2/1 | Ignition/starter switch |
| S4 | Combination switch |
| S4s2 | Headlamp flasher switch |
| S4s3 | Low beam switch |
| S4x1 | Combination switch connector |
| S16/1 | Starter lock-out/backup lamp switch |
| S16/4 | Starter lock-out/backup lamp switch (2nd and 3rd gear recognition) |
| W1 | Main ground (behind instrument cluster) |
| W6 | Ground (left wheelhousing in trunk) |
| W7/1 | Ground (right rear taillamp in trunk) |
| W16/3 | Ground (output ground – component compartment – left) |
| W16/4 | Ground (output ground – component compartment – right) |
| Grounds not indicated, components are connected on engine block or bodywork | |
| X11/18 | EA connector (chassis) |
| X14/3 | Connector (circuit 50/ATA) (2-pole) |
| X18/18 | C6ckpit/IRCL connector (4-pole) |
| X4 | Terminal block (circuit 30, left footwall) |
| X12/3 | Terminal block (circuit 30/15 unfused) (3-pole) |
| X18 | lnterior/taillamp harness connector |
| X24 | Headlamp harness connector |
| X26 | Interior/engine connector |
| X26/25 | Engine/chassis connector (24-pole) |
WARNING: Terminal and harness assignments for individual connectors will vary depending on vehicle equipment level, model, and market.
