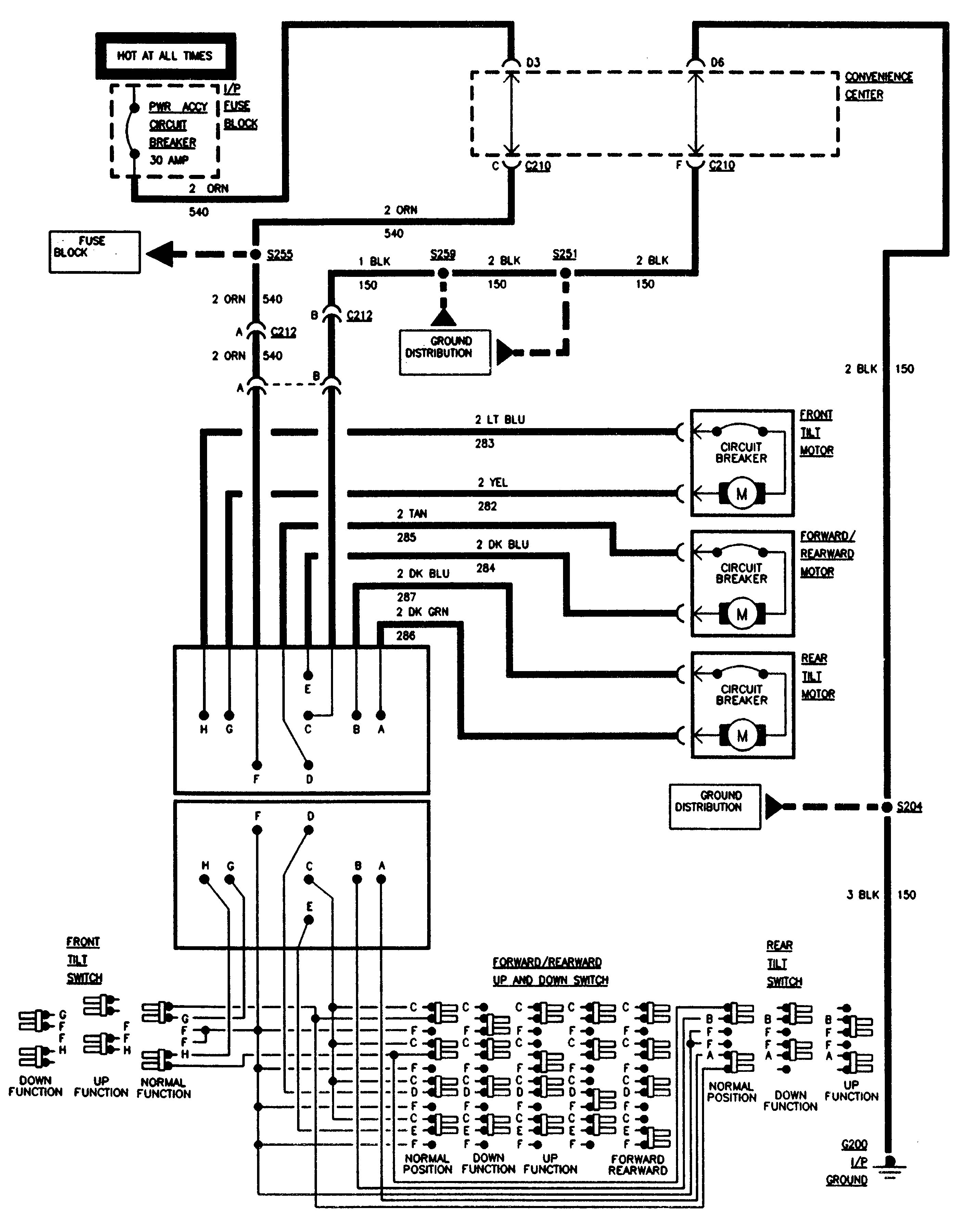
GMC Sierra 1500 (1995) – wiring diagrams – power seat
Year of productions: 1995
Power seat

GMC Sierra 1500 – wiring diagrams – power seat
WARNING: Terminal and harness assignments for individual connectors will vary depending on vehicle equipment level, model, and market.
