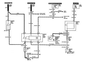
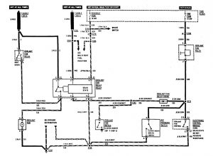
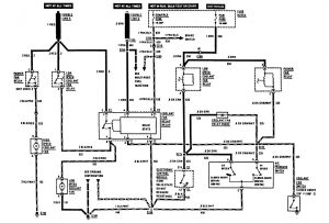
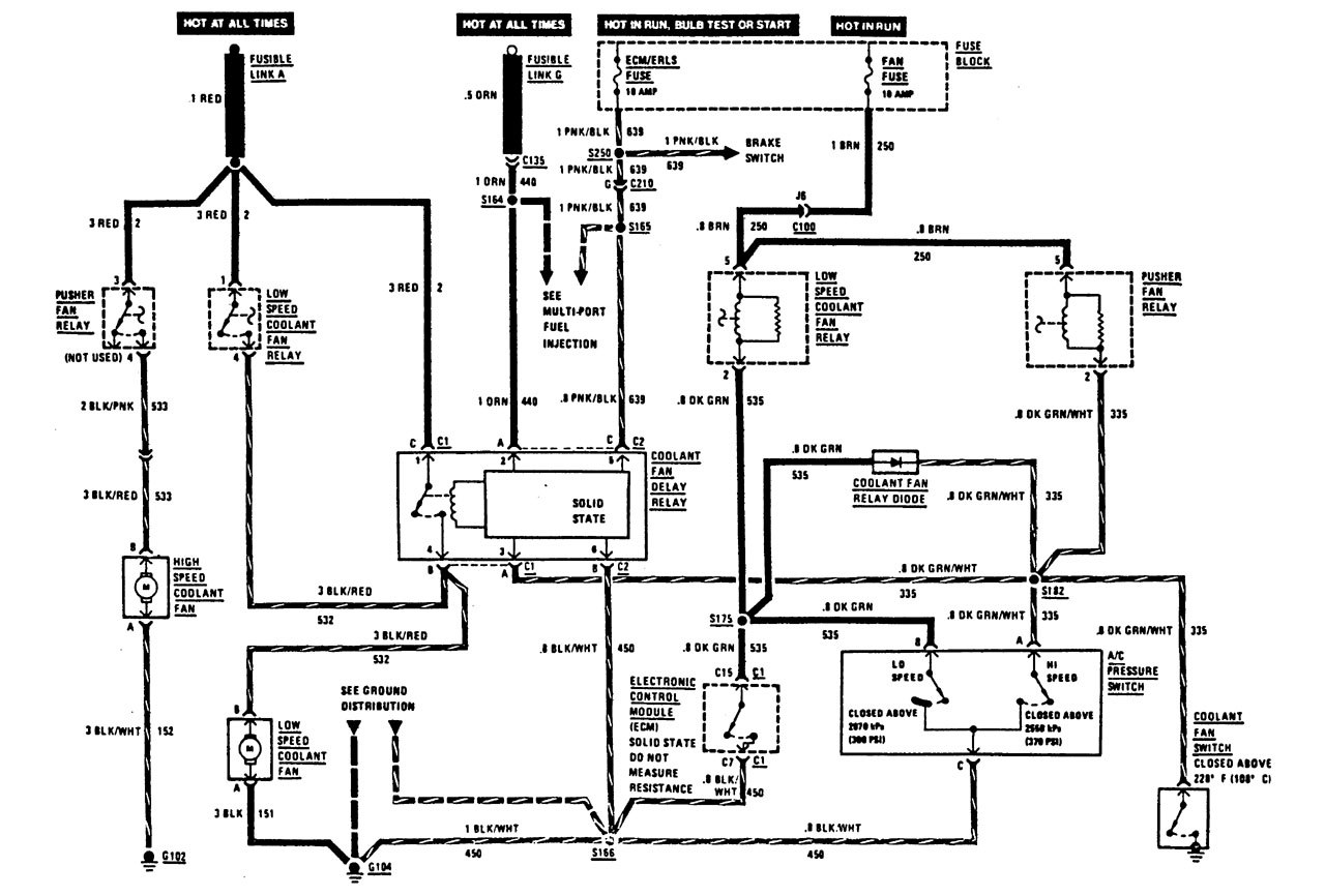
Buick Century (1987 – 1988) – wiring diagrams – cooling fans
Year of productions: 1987, 1988
Cooling fans
Version 1

Version 2

Version 3

WARNING: Terminal and harness assignments for individual connectors will vary depending on vehicle equipment level, model, and market.
