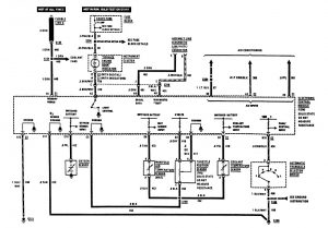
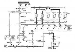
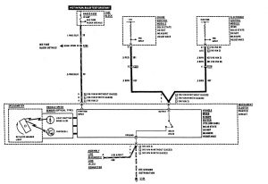
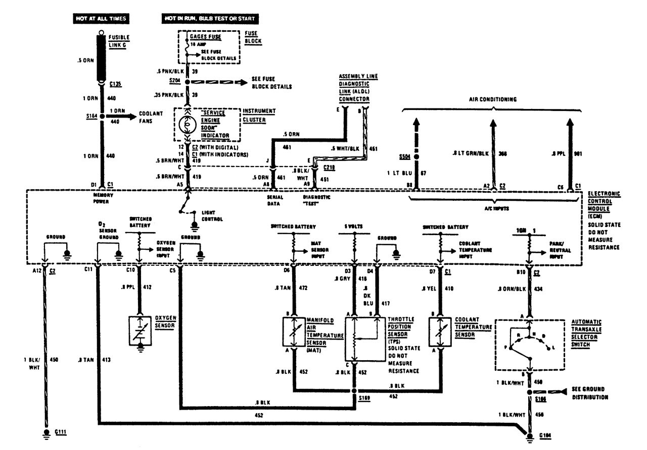
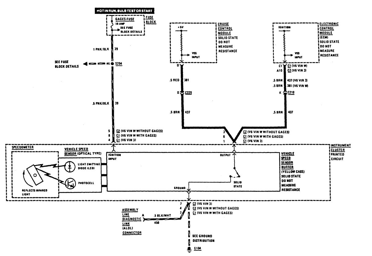
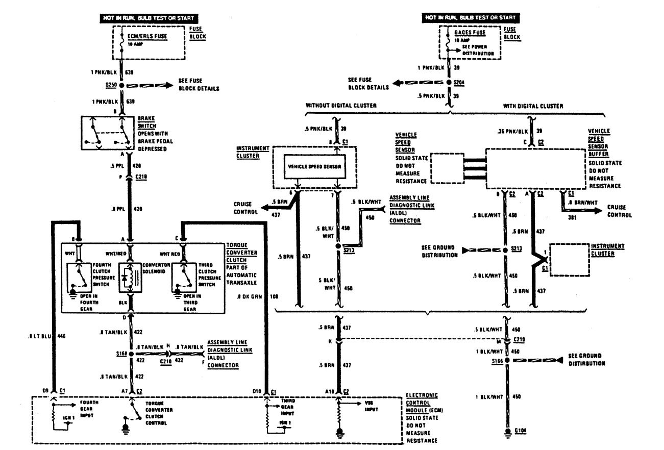
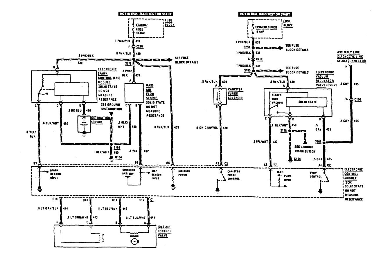
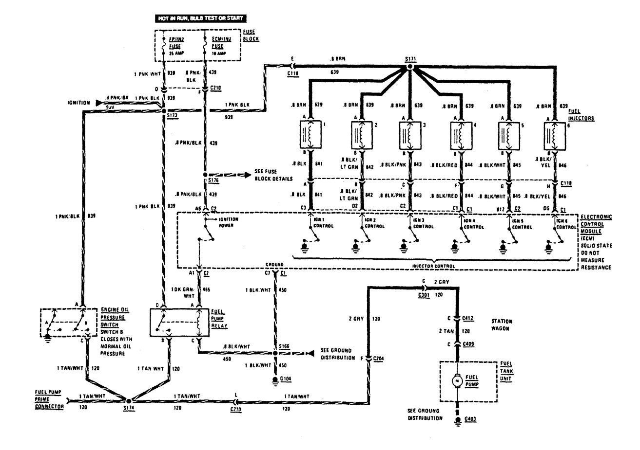
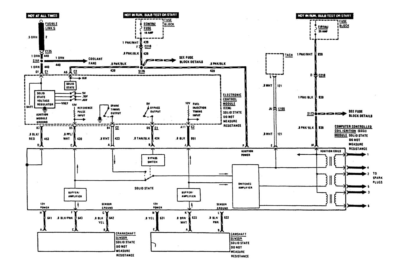
Buick Century (1987) – wiring diagrams – fuel controls
Year of productions: 1987
Fuel controls
Version 1





Version 2

WARNING: Terminal and harness assignments for individual connectors will vary depending on vehicle equipment level, model, and market.
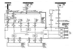
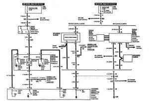
Year of productions: 1987






WARNING: Terminal and harness assignments for individual connectors will vary depending on vehicle equipment level, model, and market.
Copyright © 2026 | MH Magazine WordPress Theme by MH Themes