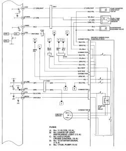
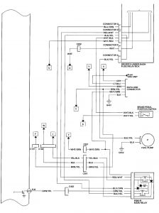
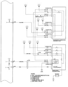
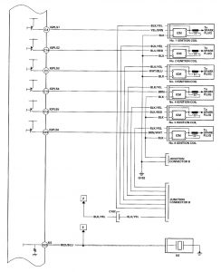
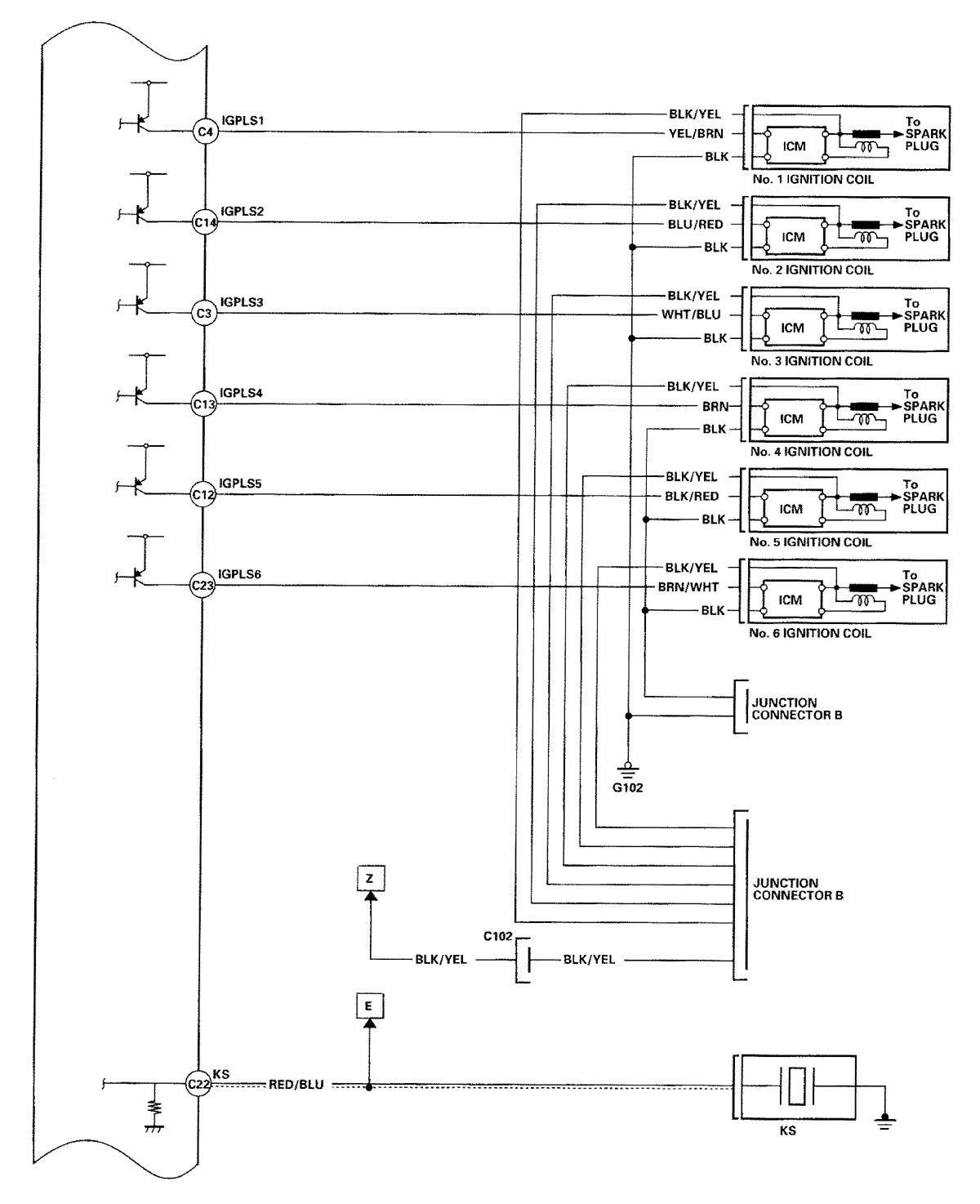
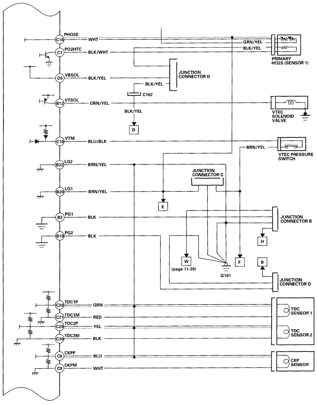
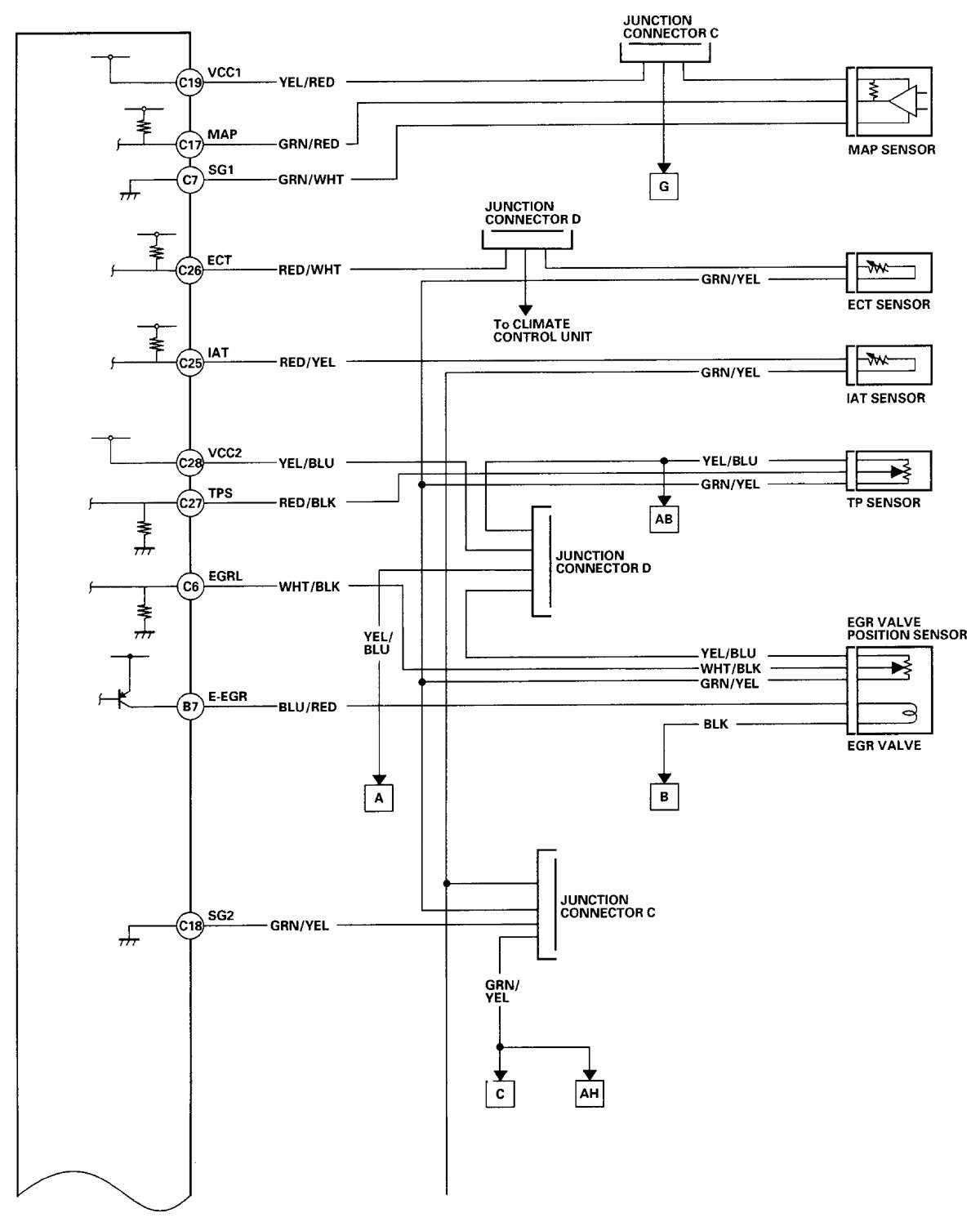
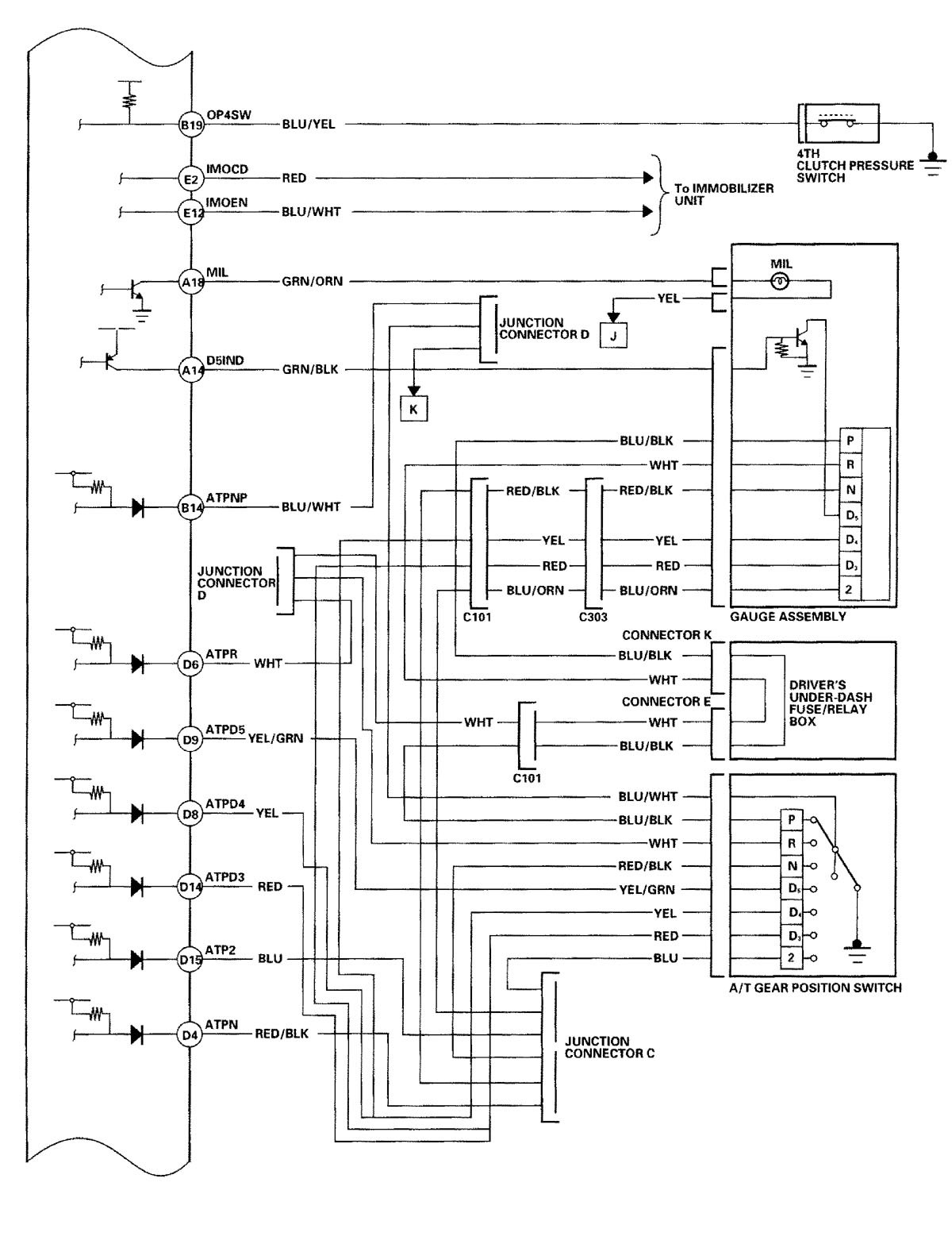
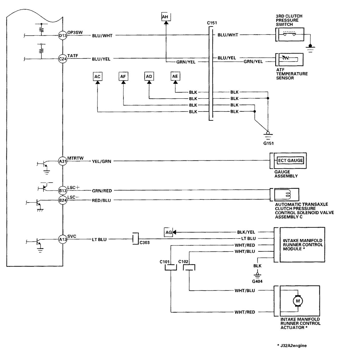
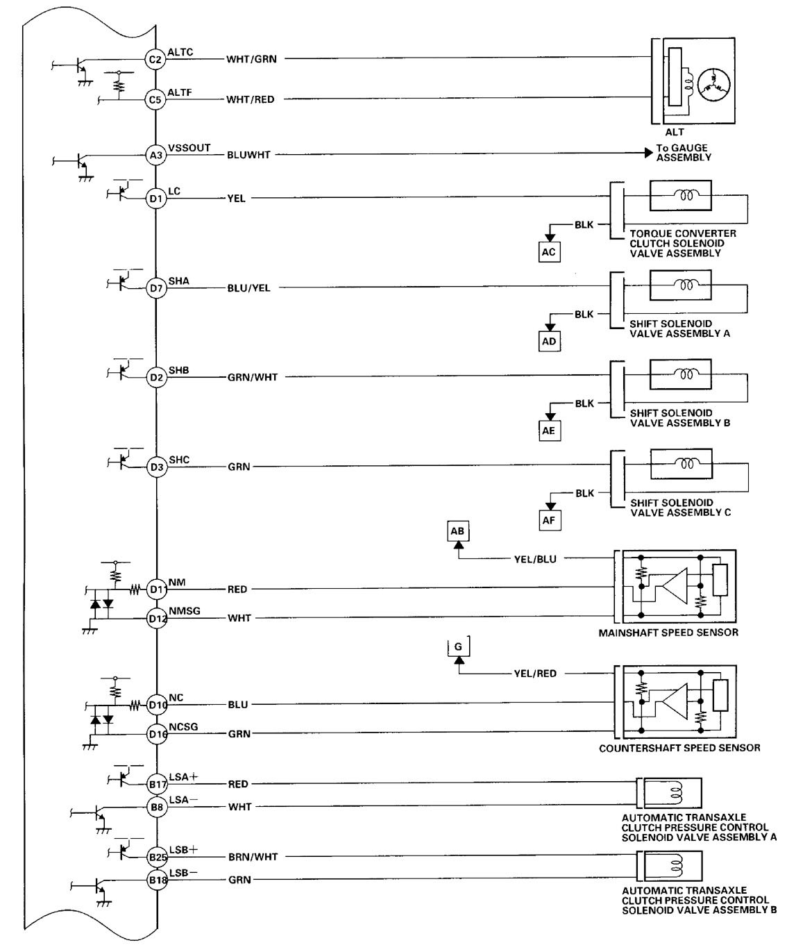
Acura TL (2000 – 2001) – wiring diagrams – fuel controls
Year of productions: 2000, 2001
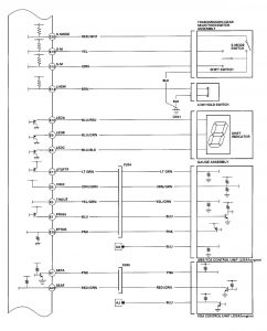
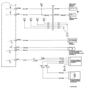
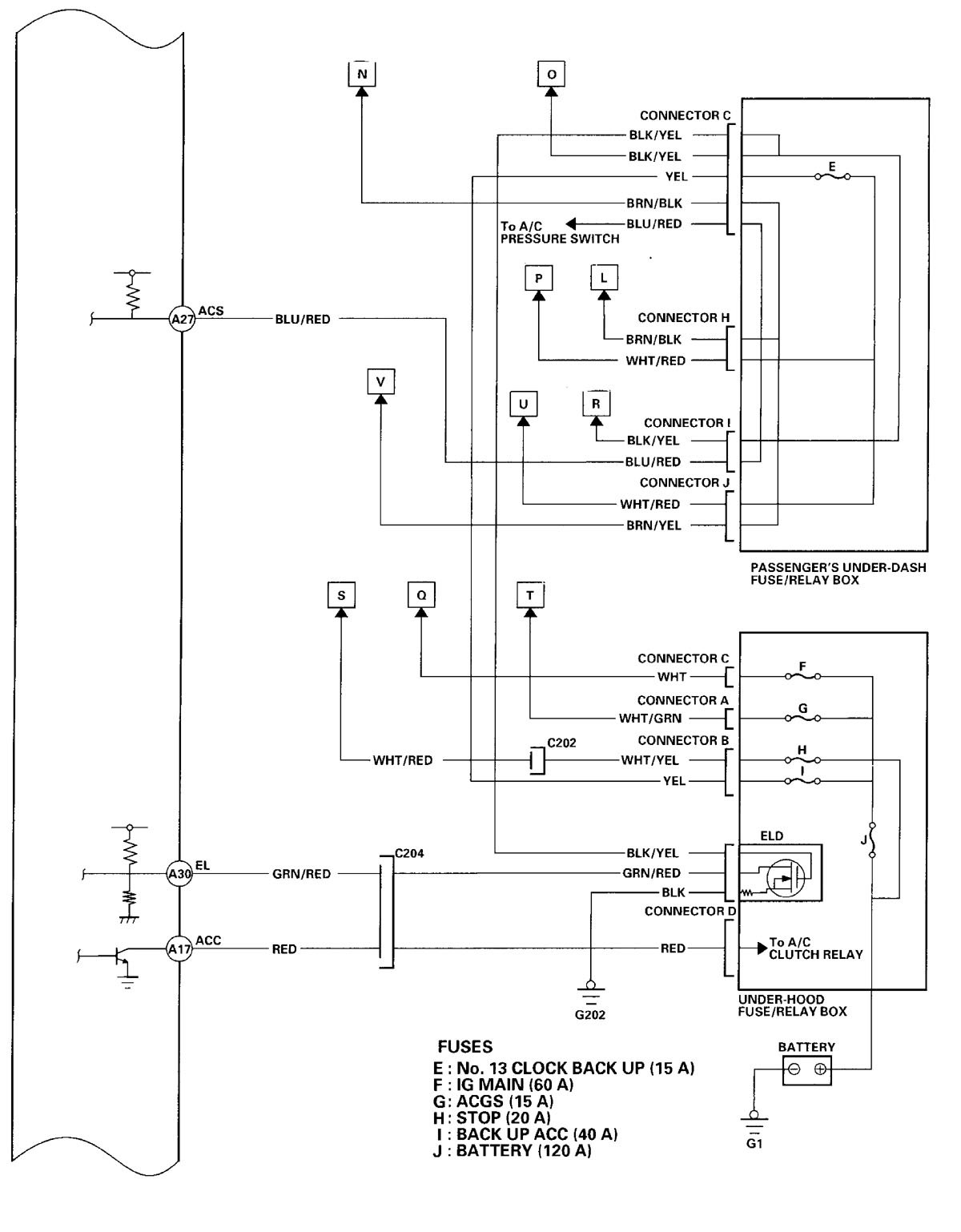
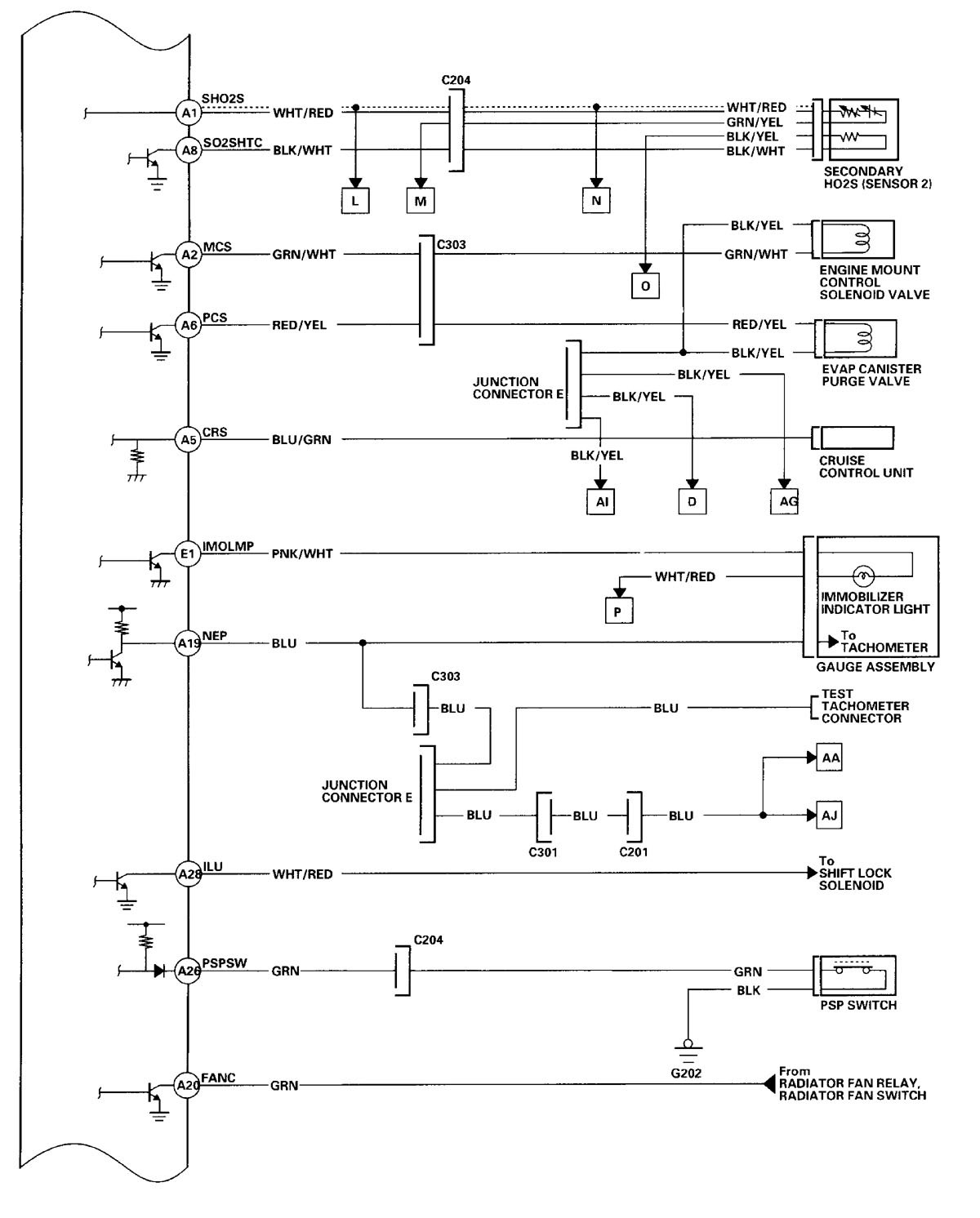
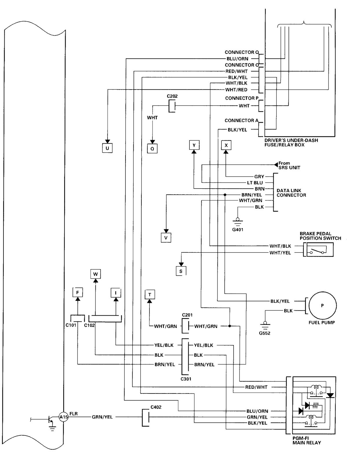
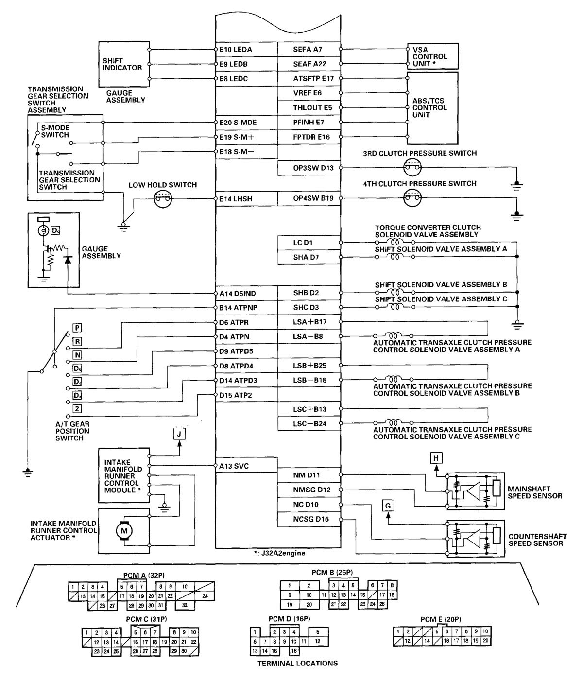
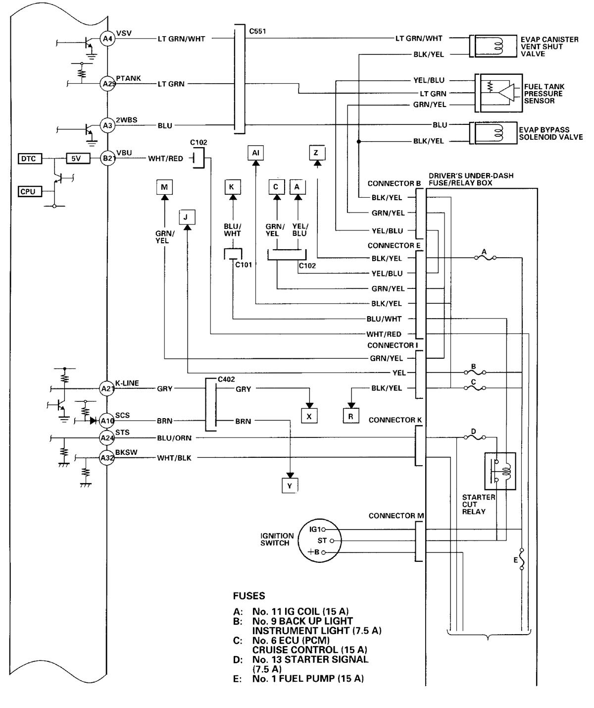
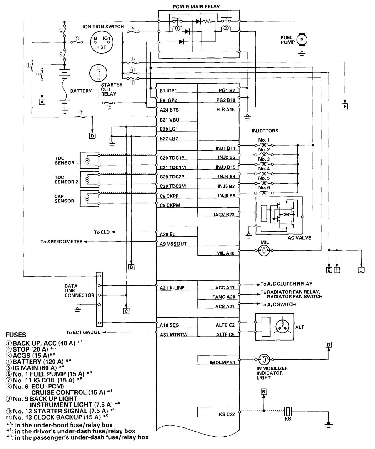
Fuel controls

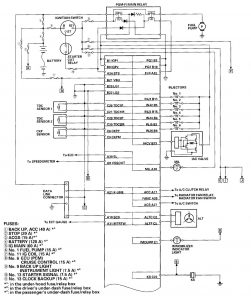
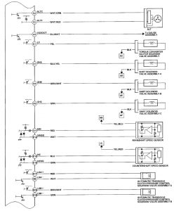
– fuel control (part 1)

– fuel control (part 2)

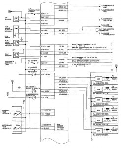
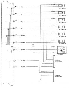
– fuel control (part 3)

– fuel control (part 4)

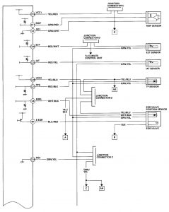
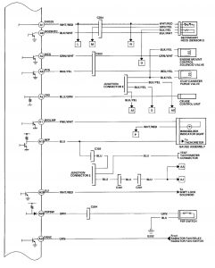
– fuel control (part 5)

– fuel control (part 6)

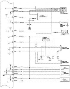
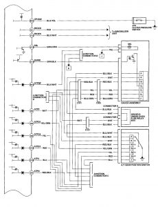
– fuel control (part 7)

– fuel control (part 8)

– fuel control (part 9)

– fuel control (part 10)

– fuel control (part 11)

– fuel control (part 12)

– fuel control (part 13)

– fuel control (part 14)

– fuel control (part 15)
WARNING: Terminal and harness assignments for individual connectors will vary depending on vehicle equipment level, model, and market.
