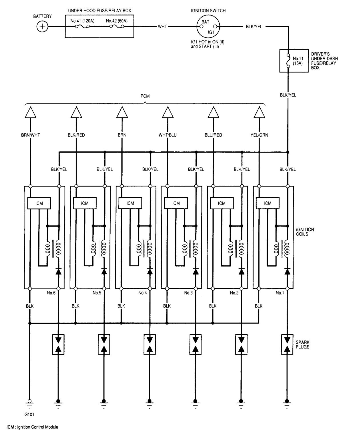
Acura TL (2000 – 2001) – wiring diagrams – ignition
Year of productions: 2000, 2001
Ignition

WARNING: Terminal and harness assignments for individual connectors will vary depending on vehicle equipment level, model, and market.
Copyright © 2026 | MH Magazine WordPress Theme by MH Themes