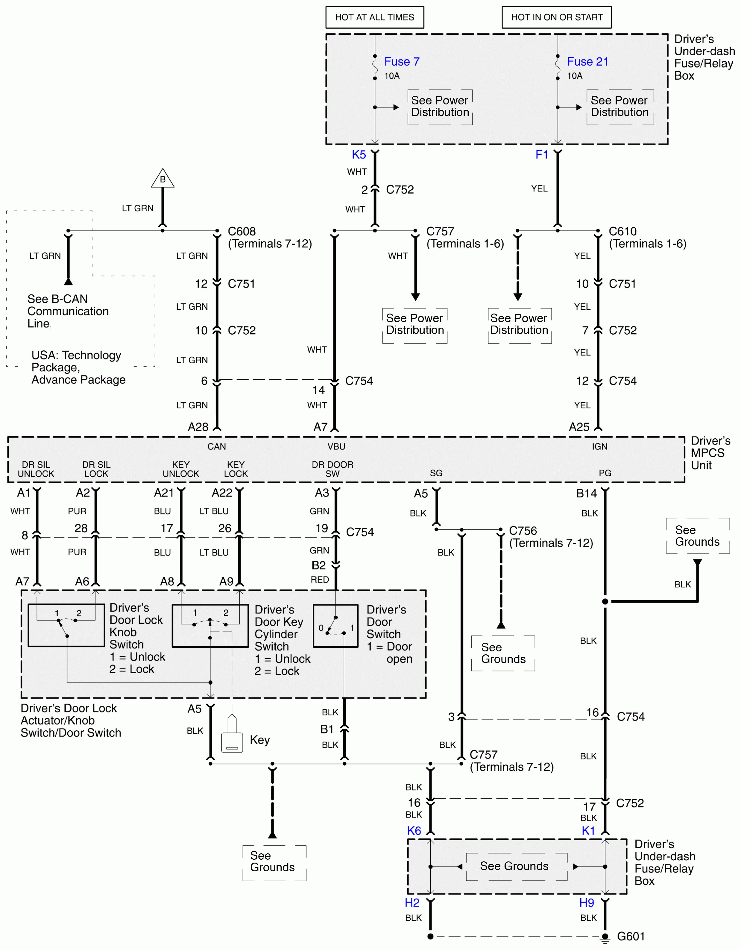
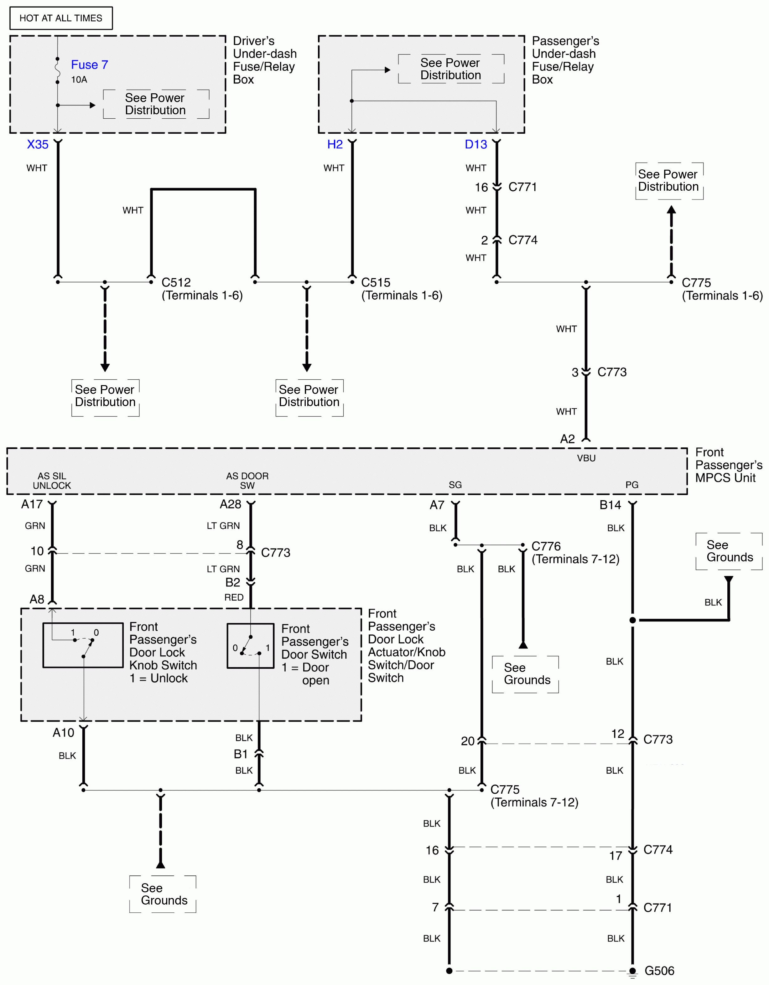
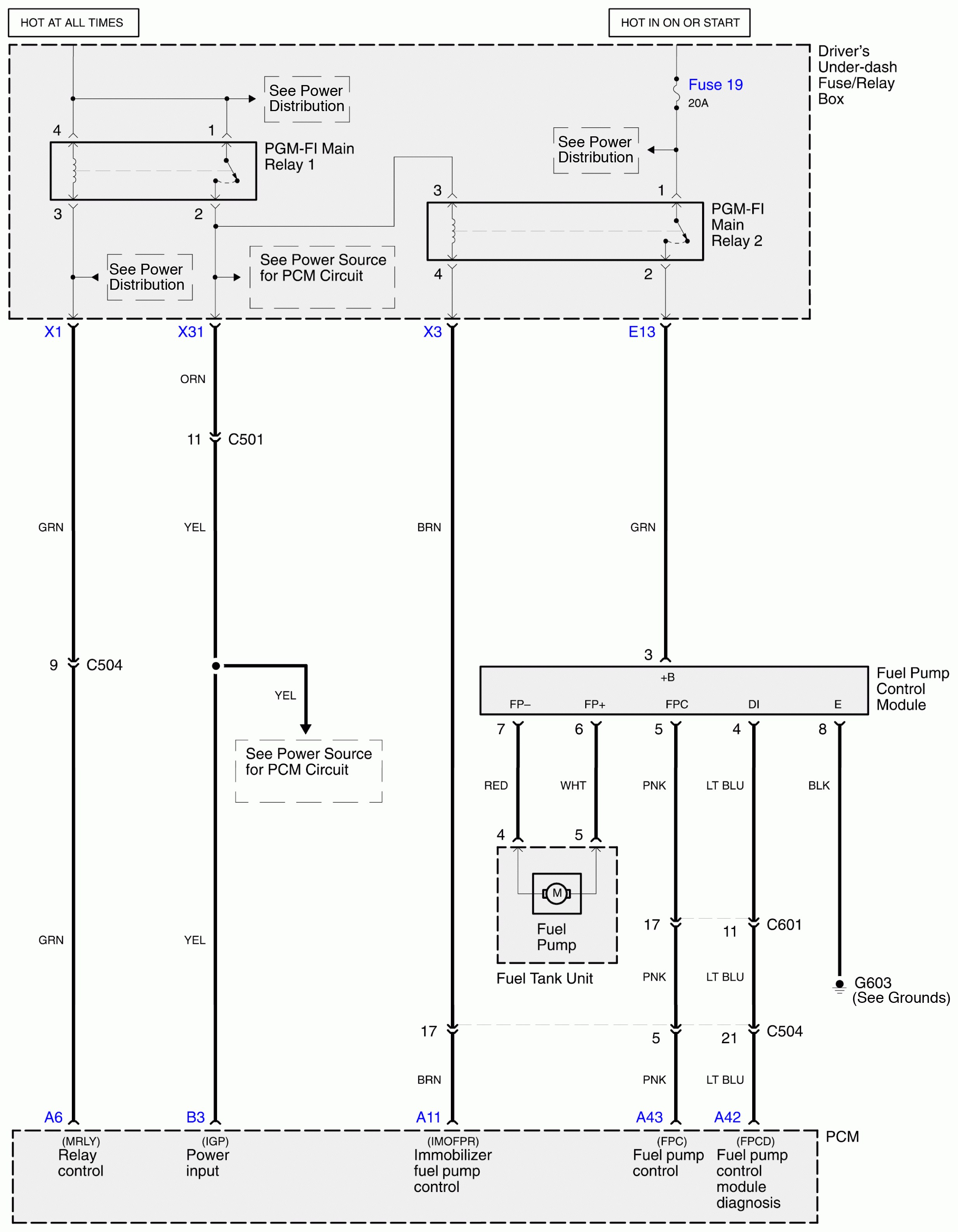
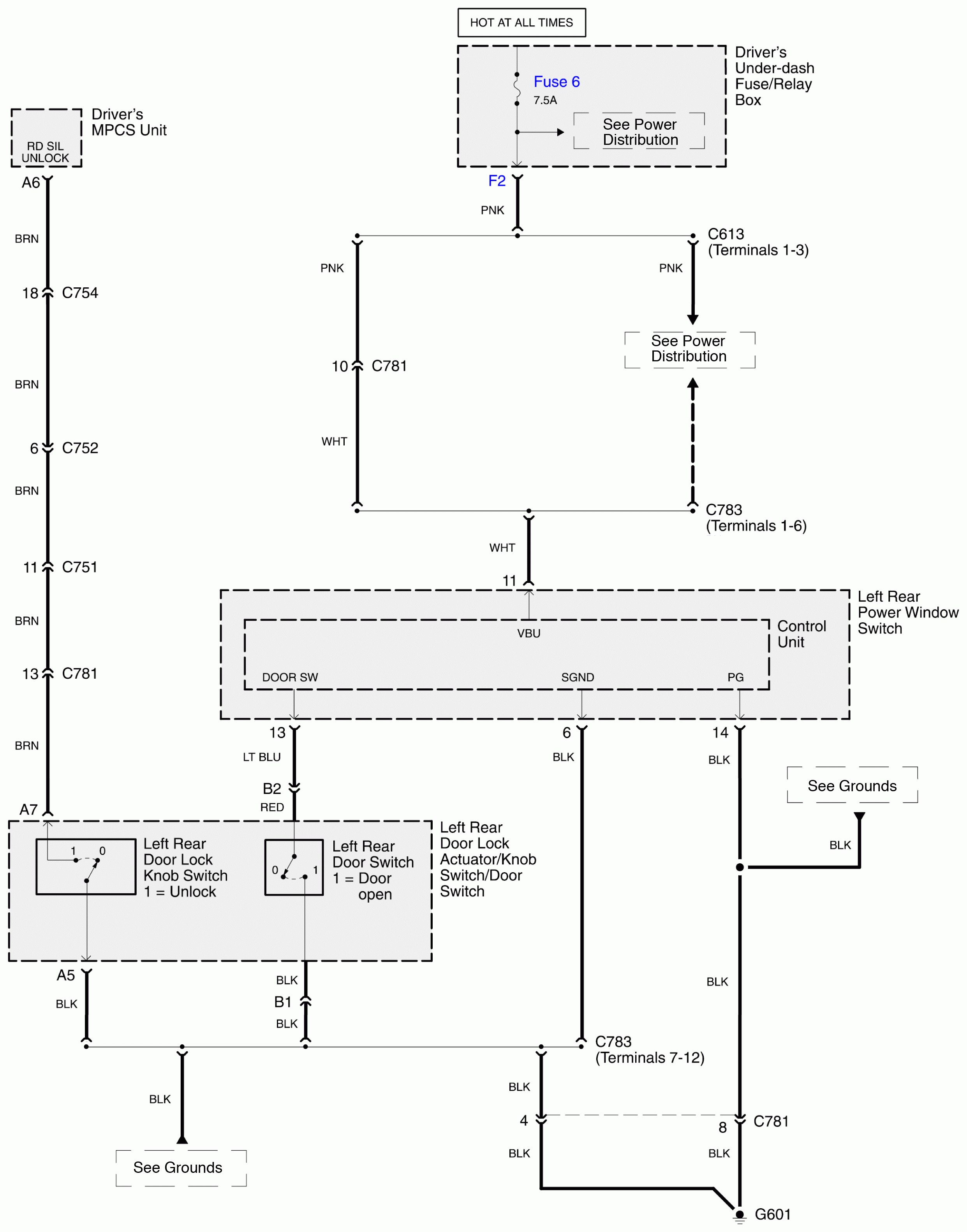
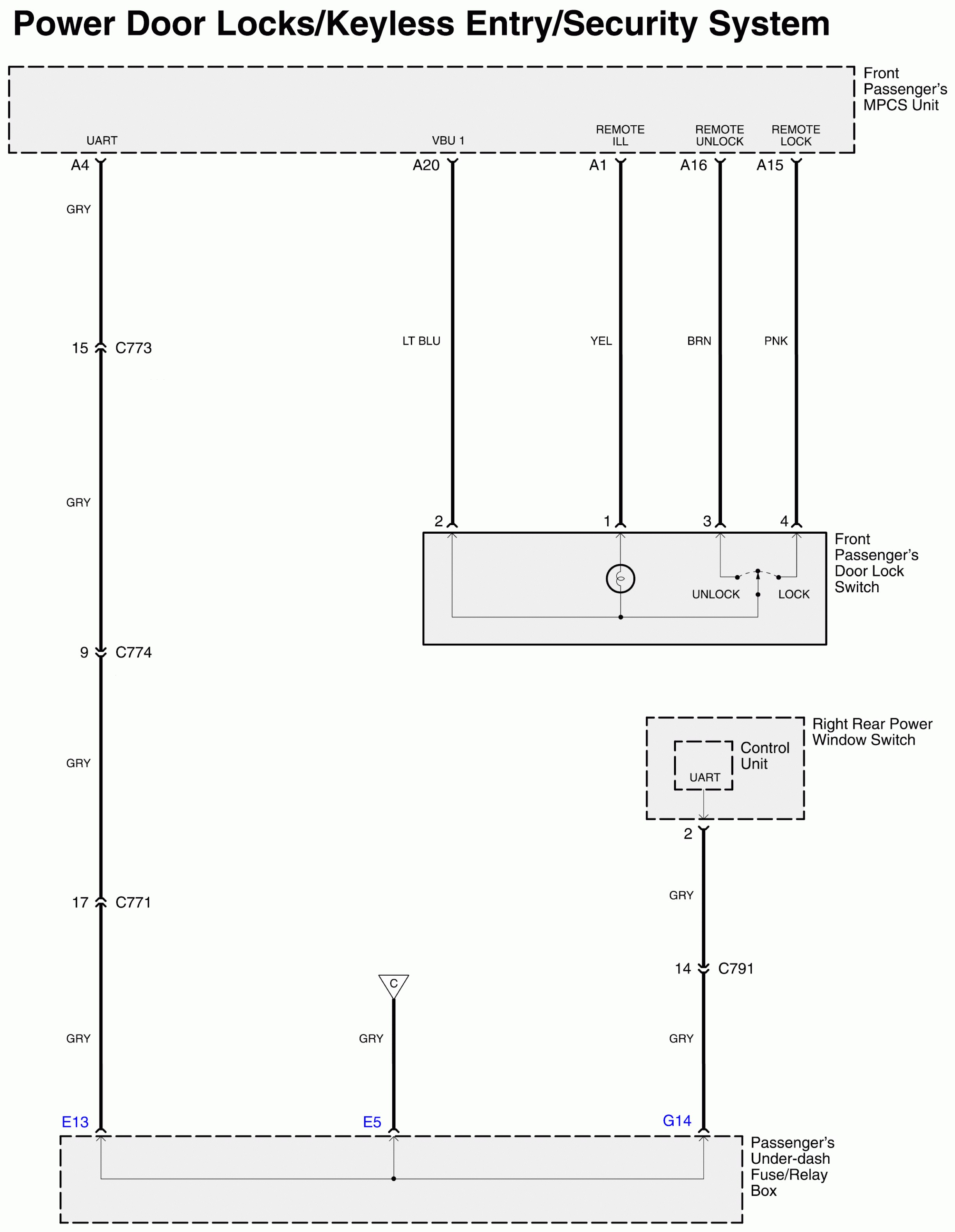
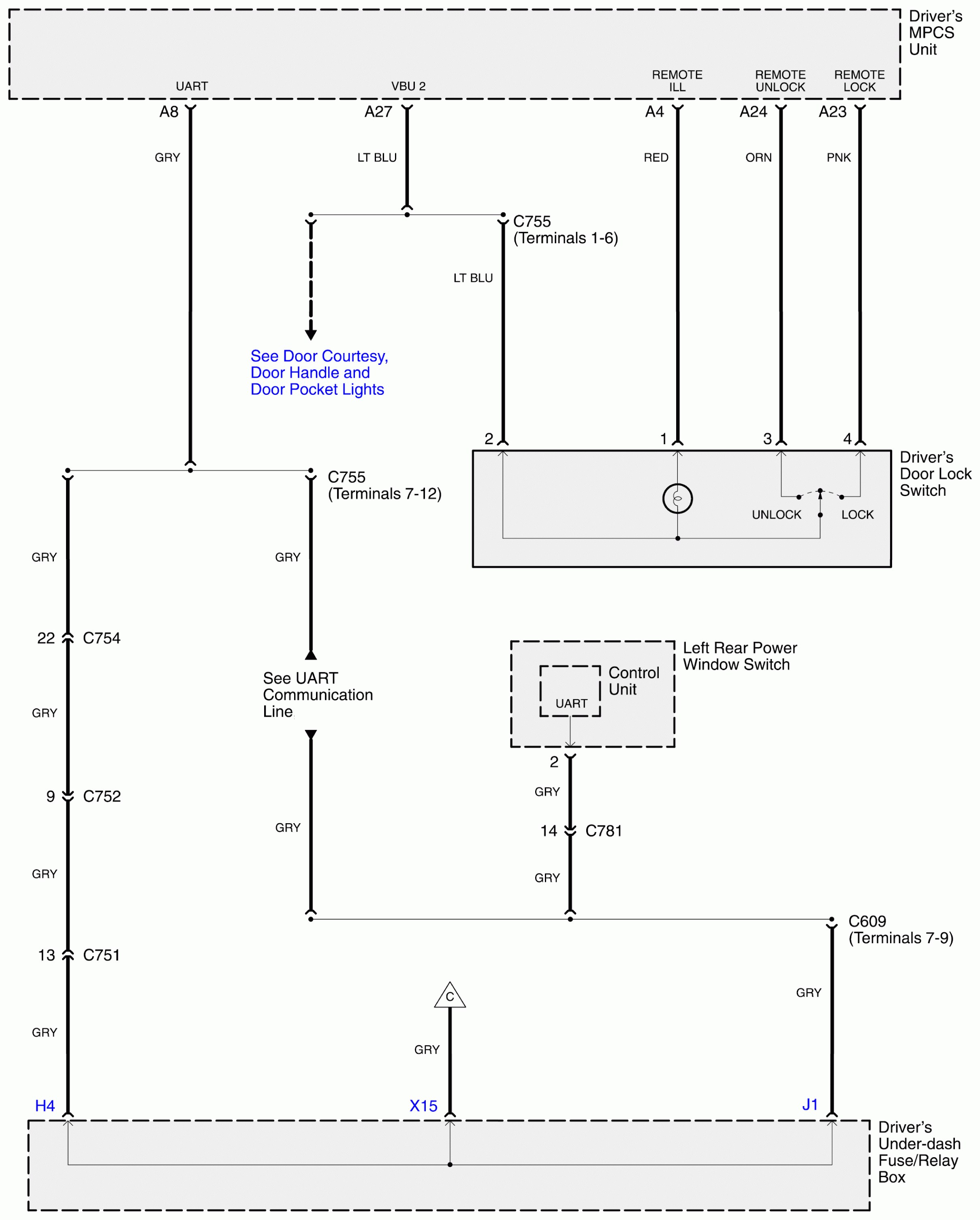
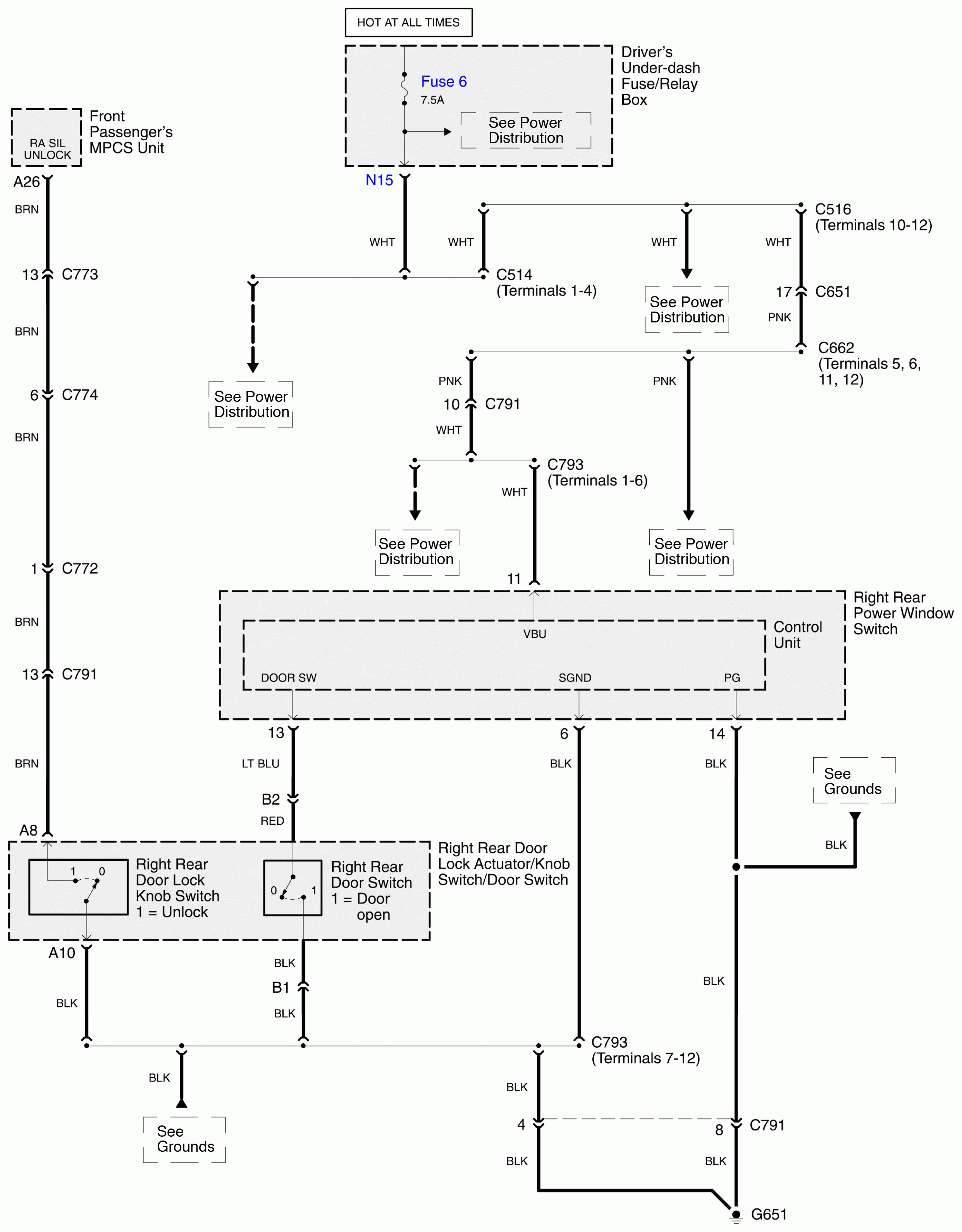
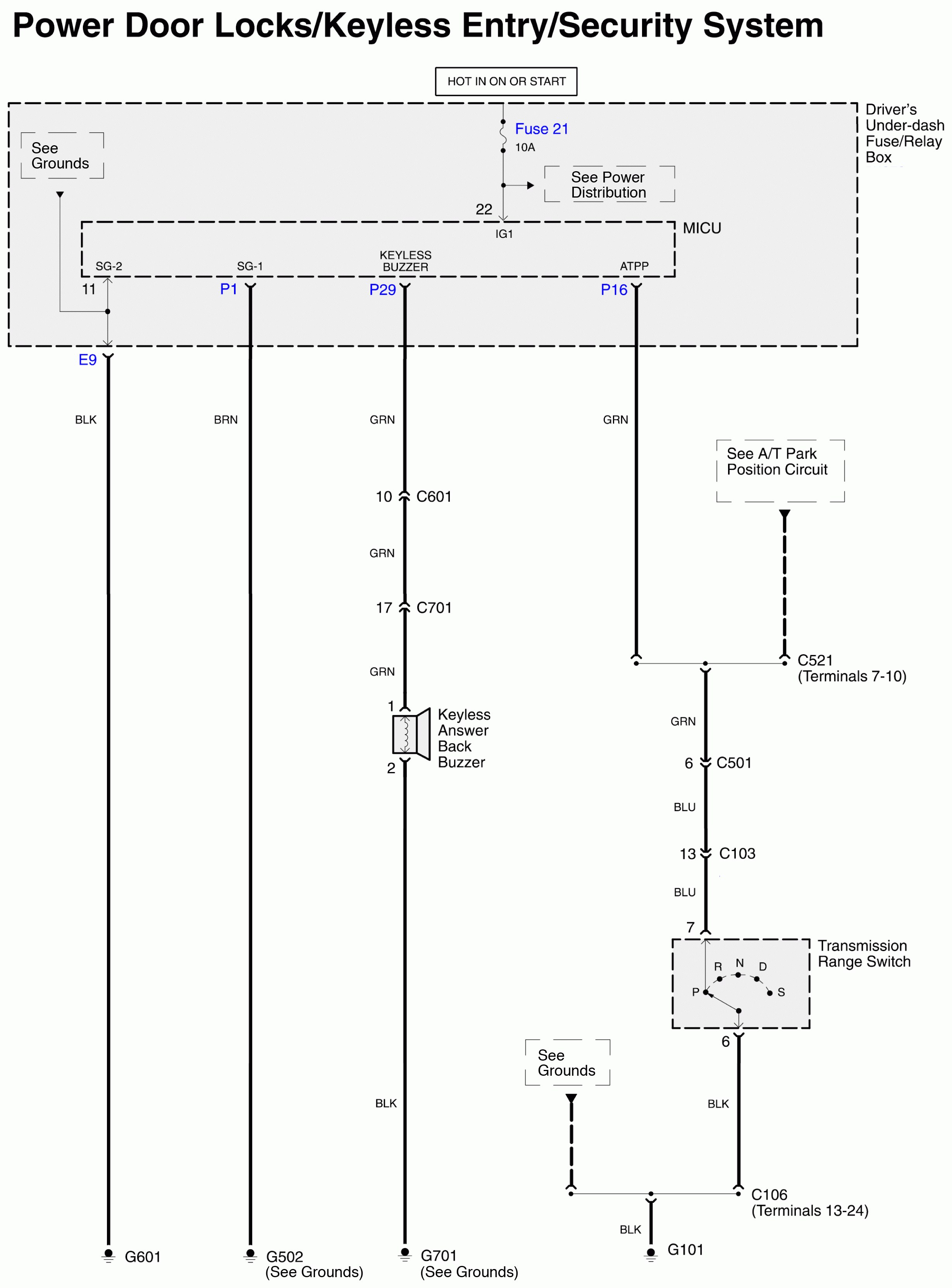
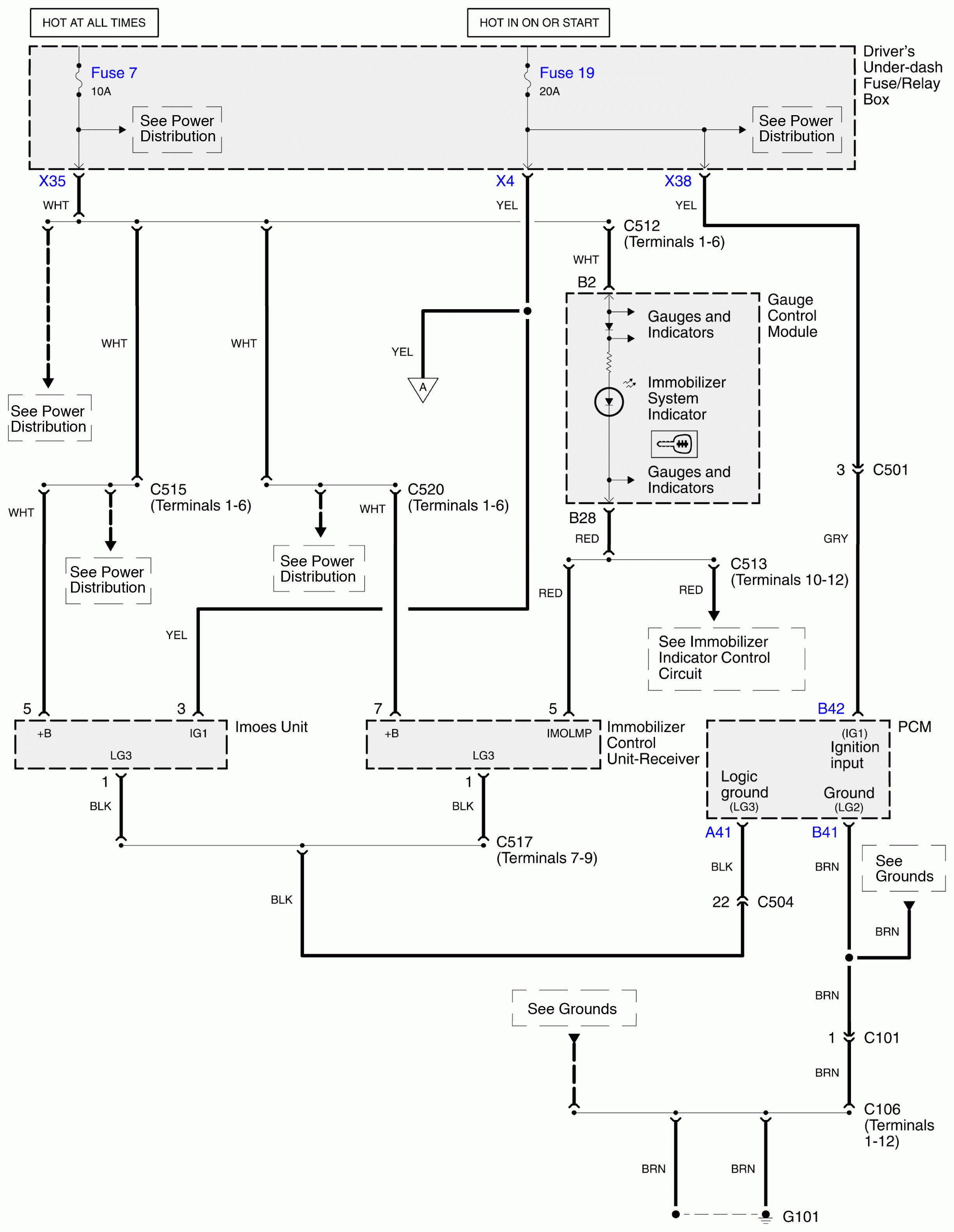
Acura RL (2011) – wiring diagrams – security/anti-theft
Year of productions: 2011
Security/Anti-theft
Version 1











Version 2



WARNING: Terminal and harness assignments for individual connectors will vary depending on vehicle equipment level, model, and market.
