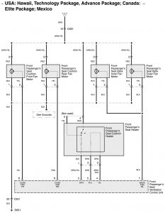
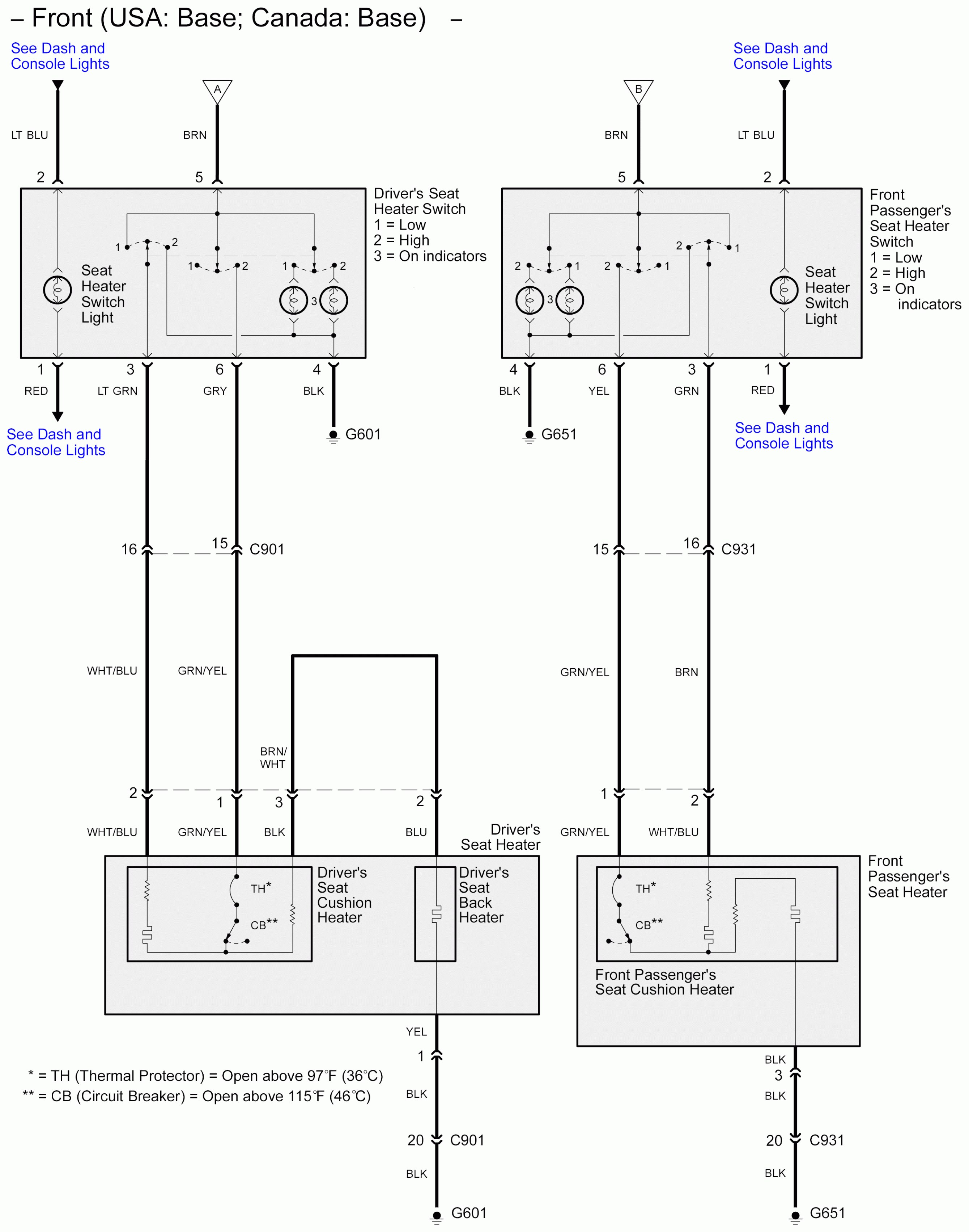
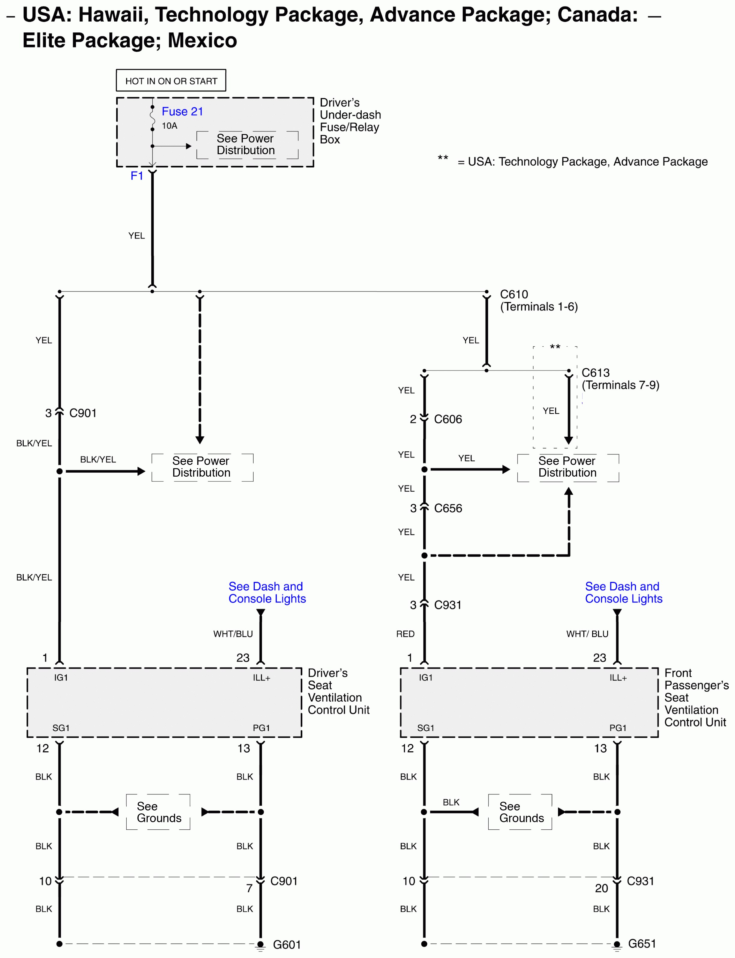
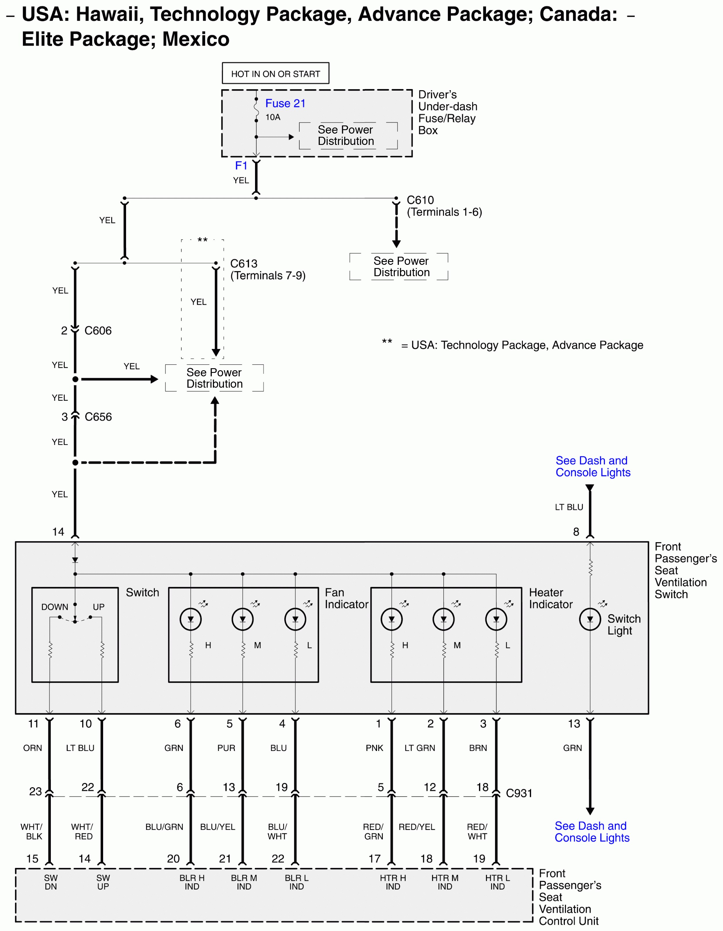
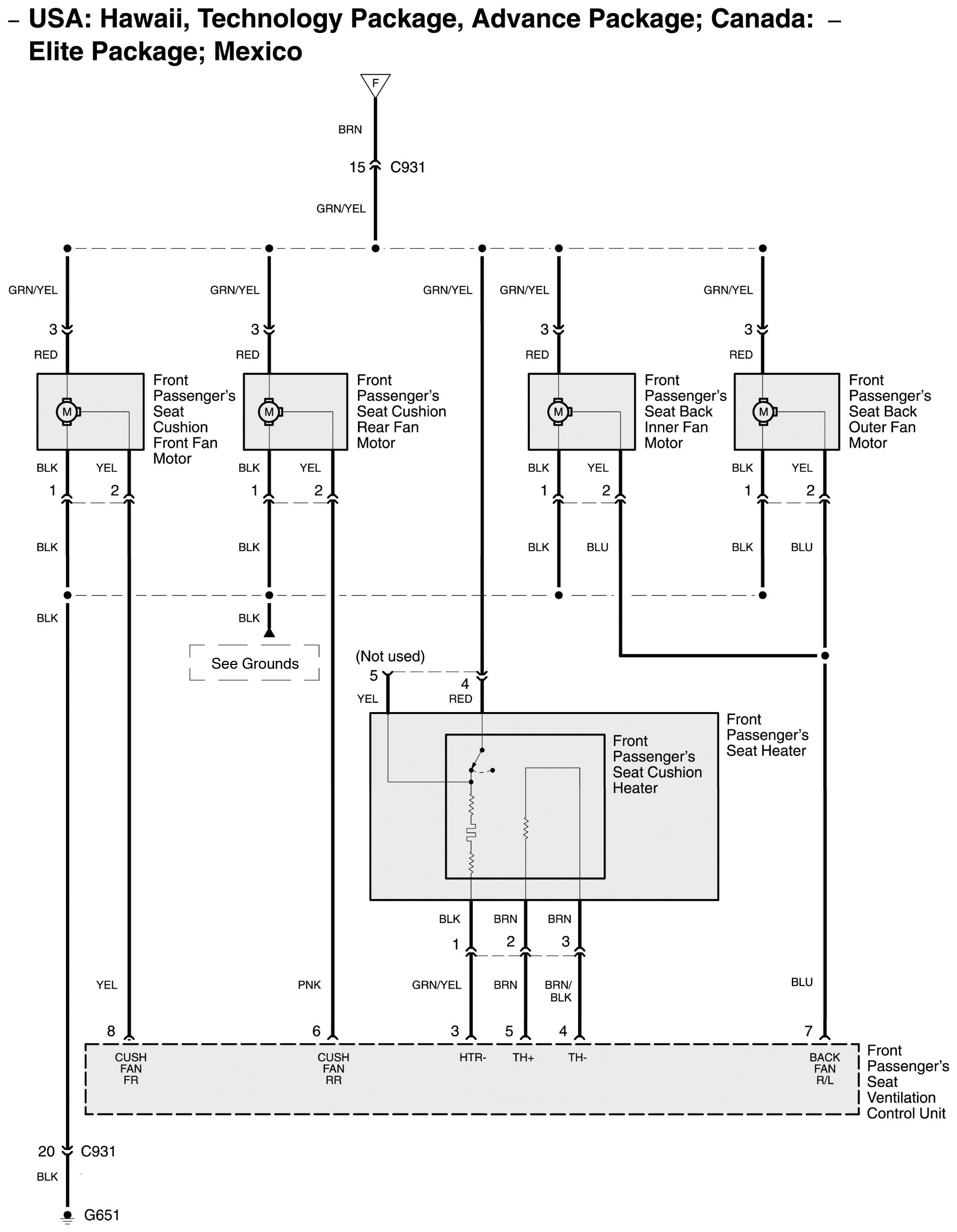
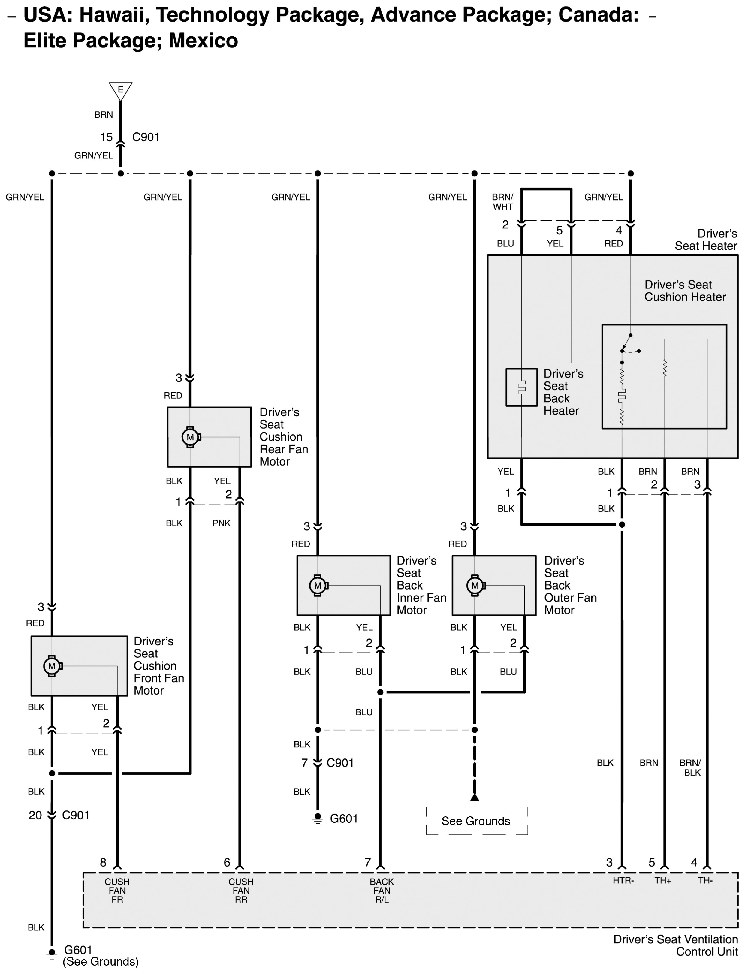
Acura RL (2011) – wiring diagrams – heated seats
Year of productions: 2011
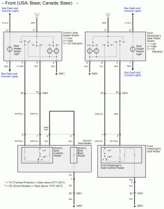
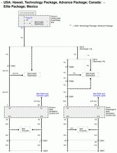
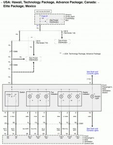
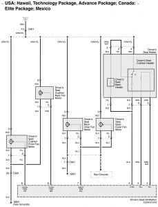
Heated seats
Version 1


Version 2


Version 3






WARNING: Terminal and harness assignments for individual connectors will vary depending on vehicle equipment level, model, and market.
