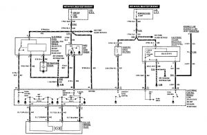
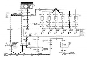
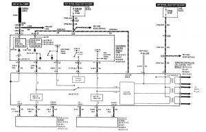
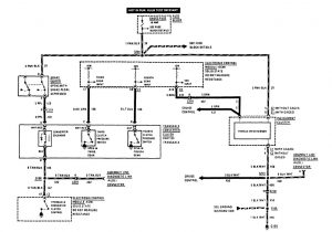
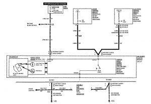
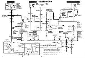
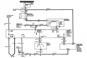
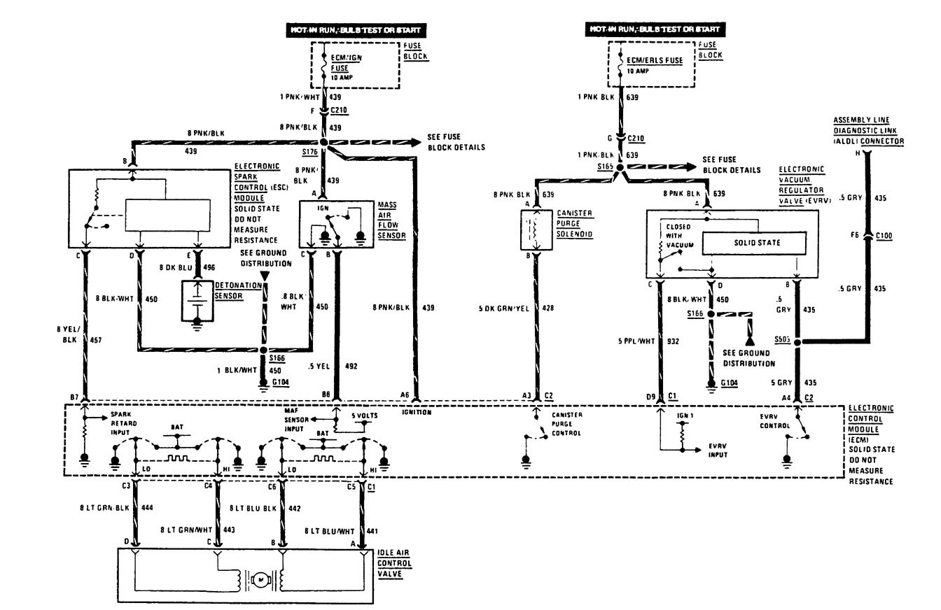
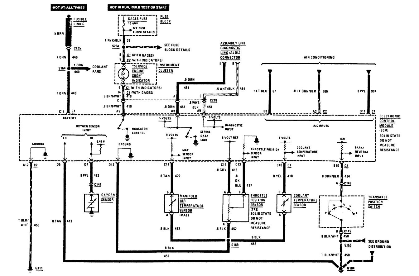
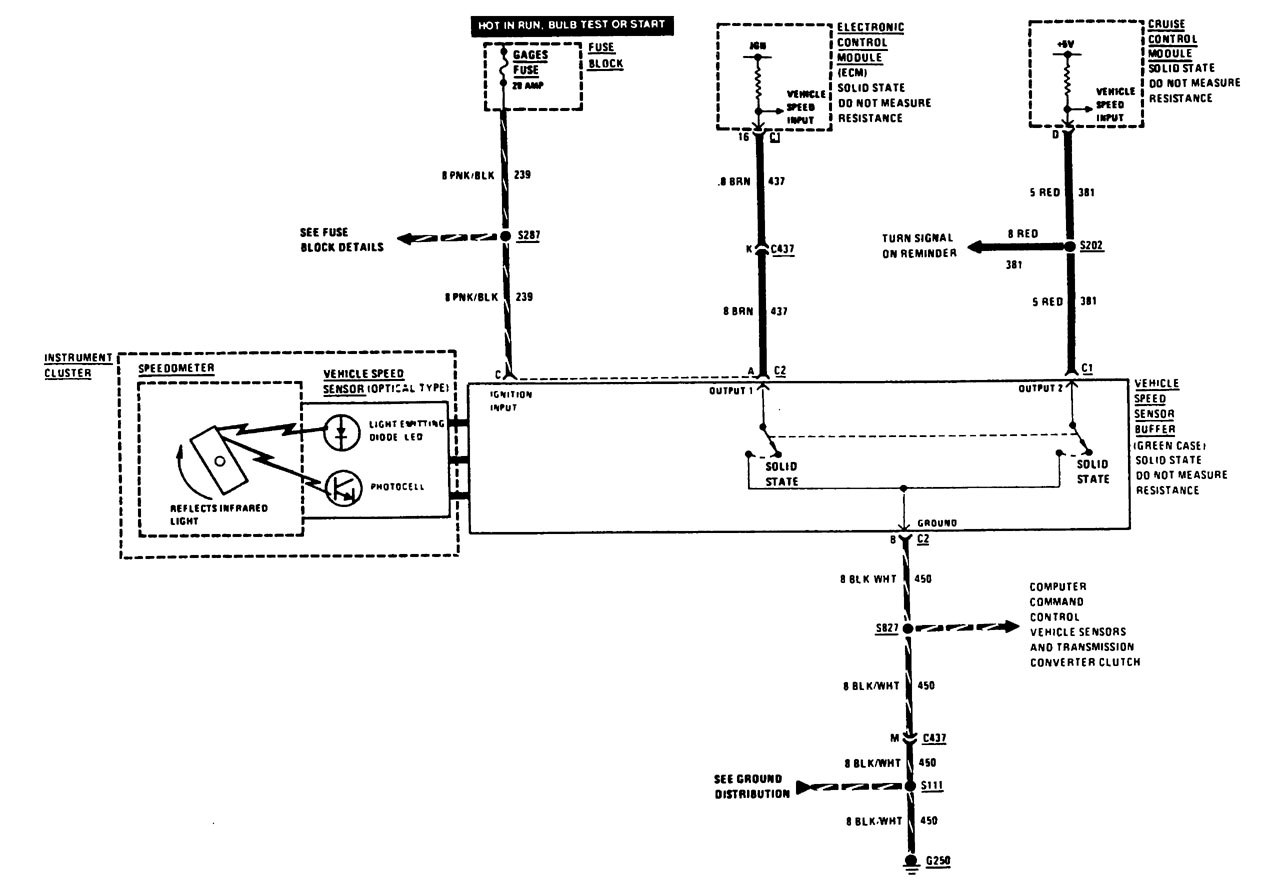
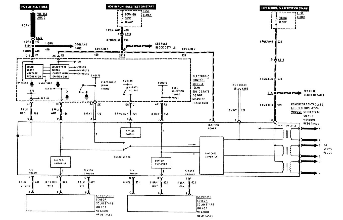
Buick Century (1988) – wiring diagrams – fuel controls
Year of productions: 1988
Fuel controls
Version 1



Version 2


Version 3

Version 4




Version 5

WARNING: Terminal and harness assignments for individual connectors will vary depending on vehicle equipment level, model, and market.
