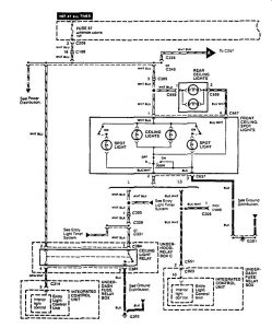
Acura Legend (1995) – wiring diagrams – luggage compartment lamps
Year of productions: 1995
Luggage compartment lamps


WARNING: Terminal and harness assignments for individual connectors will vary depending on vehicle equipment level, model, and market.
