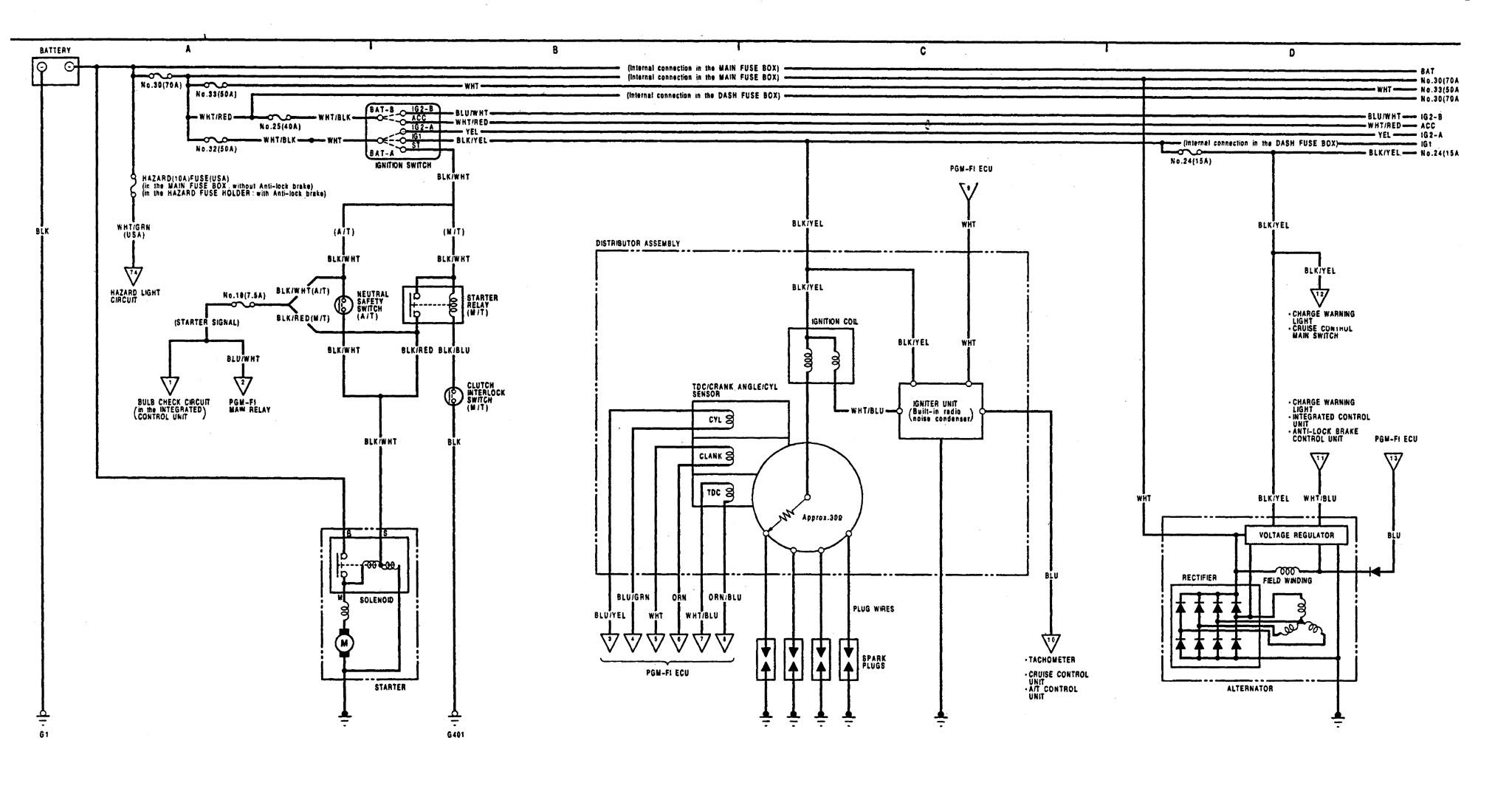
Acura Integra (1991 – 1992) – wiring diagrams – charging system
Year of productions: 1991, 1992
Charging system

WARNING: Terminal and harness assignments for individual connectors will vary depending on vehicle equipment level, model, and market.
Copyright © 2025 | MH Magazine WordPress Theme by MH Themes
Leave a Reply