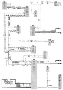
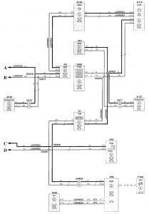
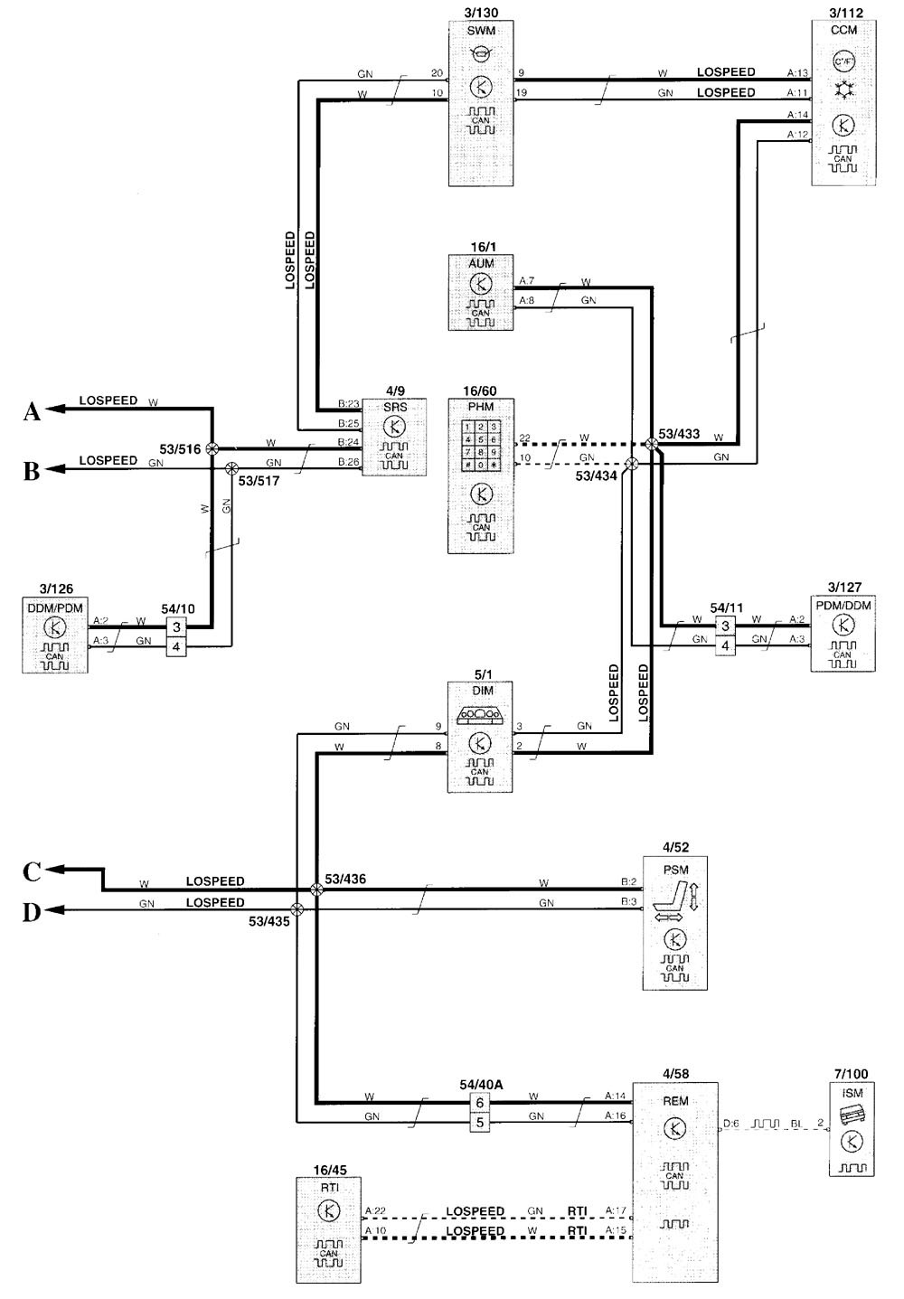
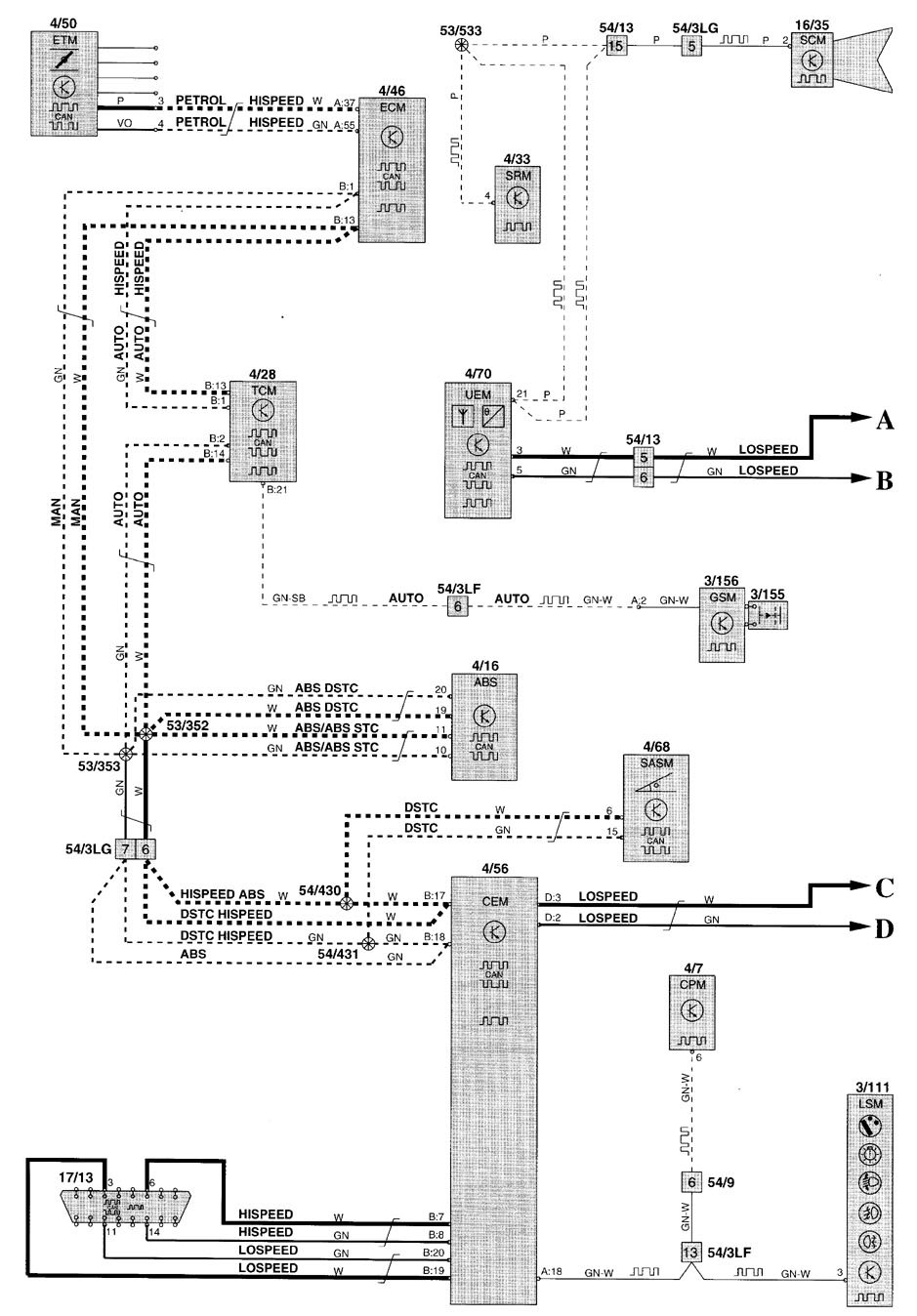
Volvo V70 (2001 – 2002) – wiring diagrams – computer data lines
Year of productions: 2001, 2002
Computer data lines






WARNING: Terminal and harness assignments for individual connectors will vary depending on vehicle equipment level, model, and market.
