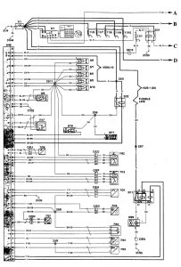
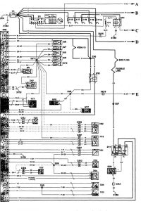
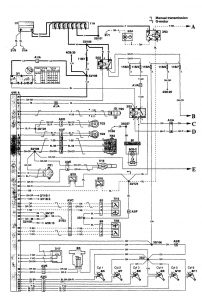
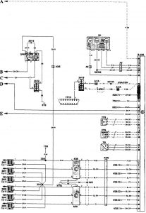
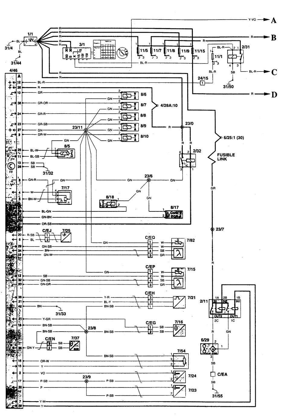
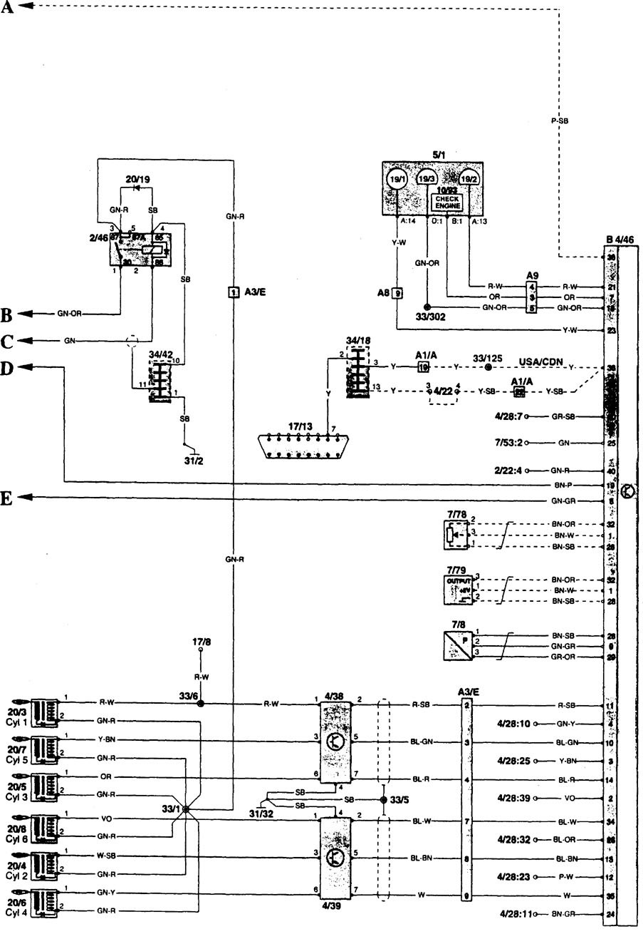
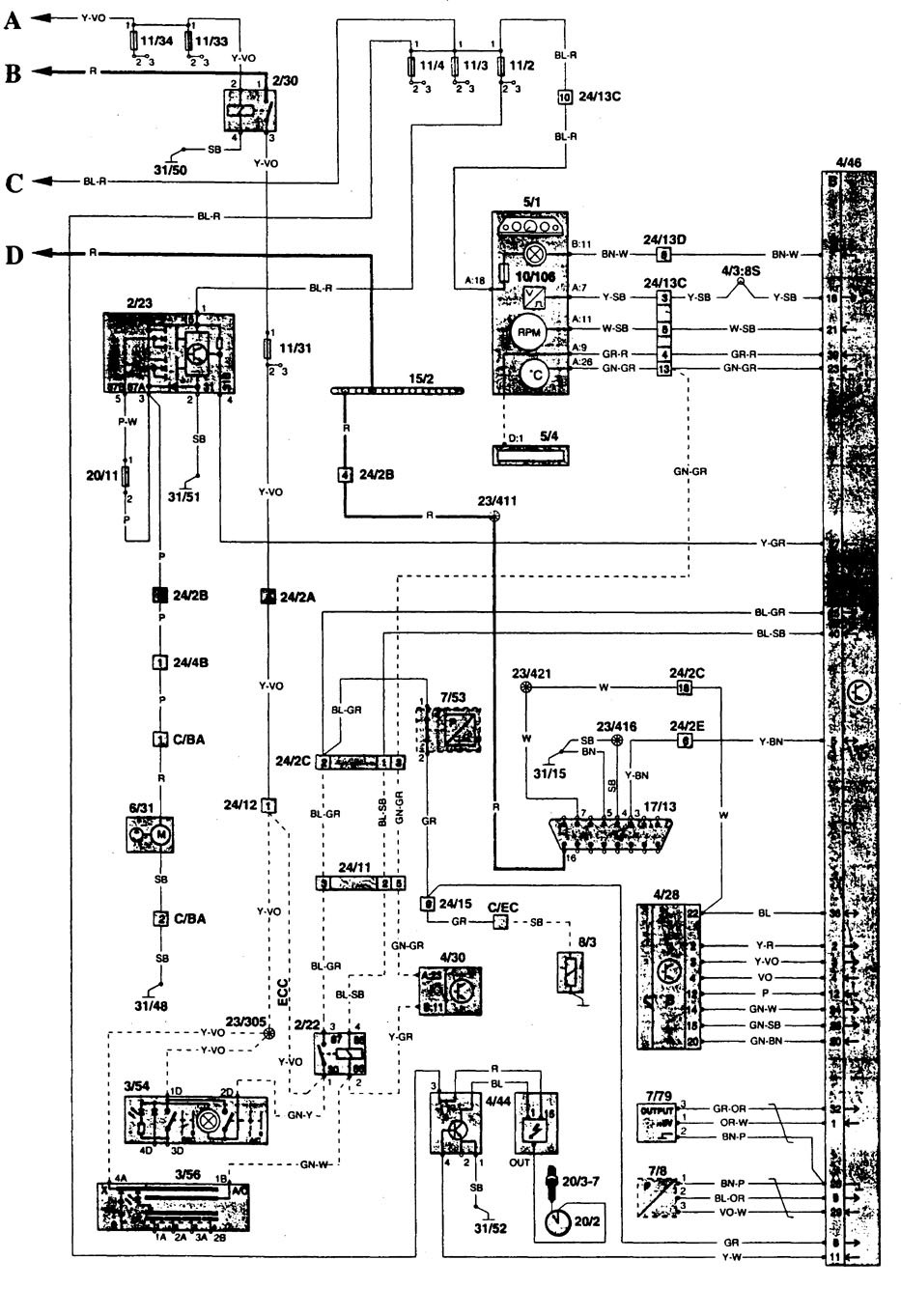
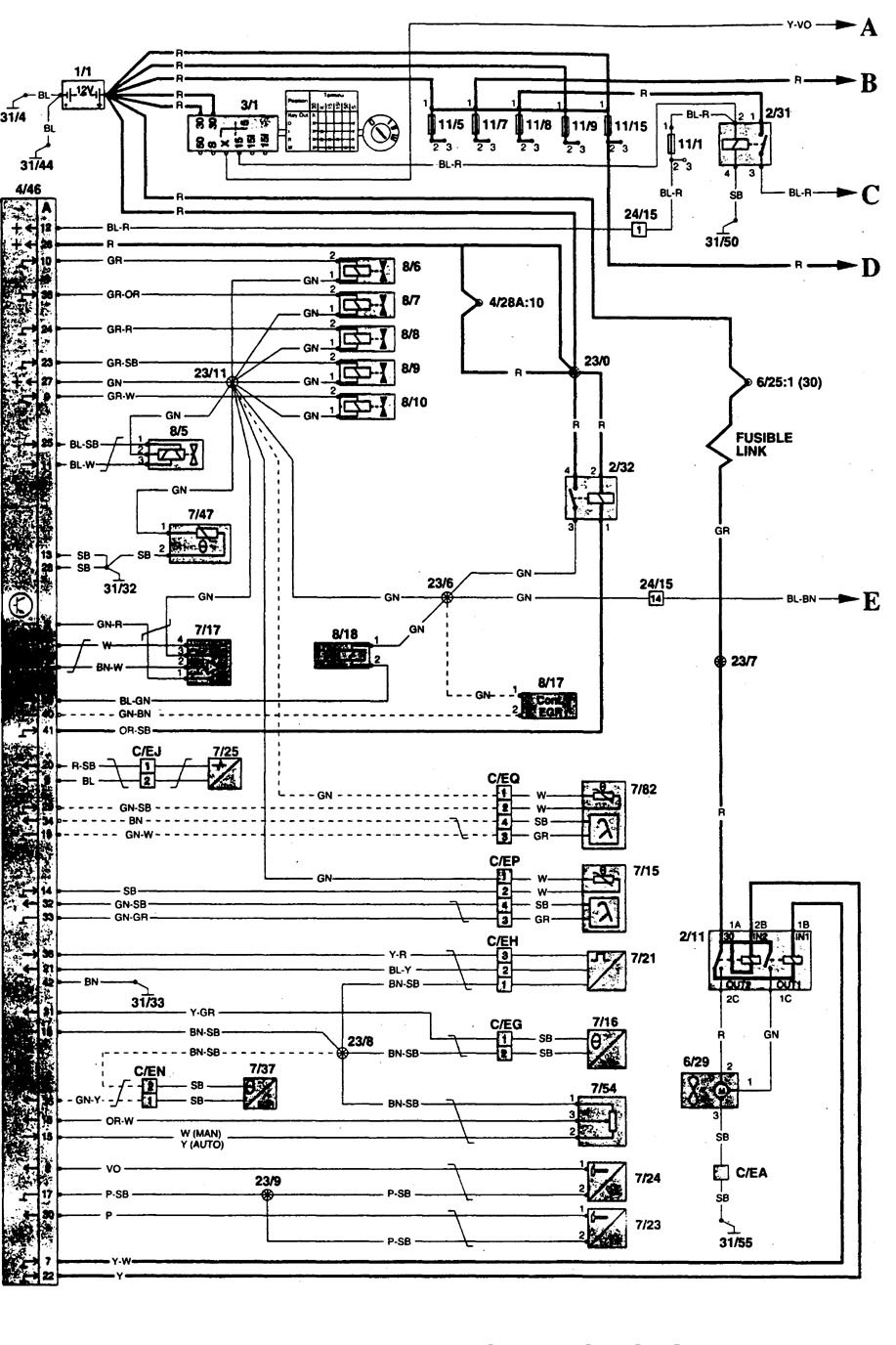
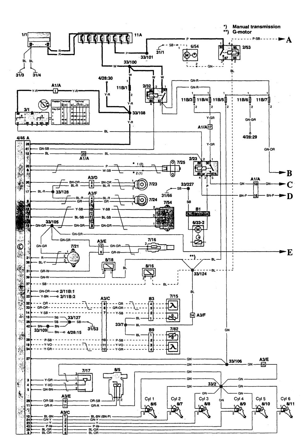
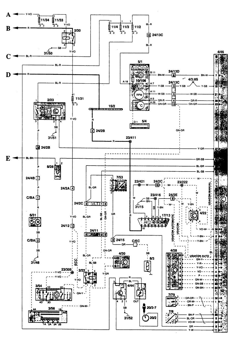
Volvo 960 (1996) – wiring diagrams – fuel controls
Year of productions: 1996
Fuel controls









WARNING: Terminal and harness assignments for individual connectors will vary depending on vehicle equipment level, model, and market.
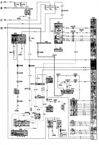
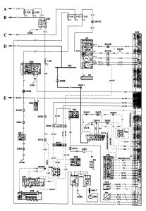
Year of productions: 1996









WARNING: Terminal and harness assignments for individual connectors will vary depending on vehicle equipment level, model, and market.
Copyright © 2026 | MH Magazine WordPress Theme by MH Themes