Volvo 940 (1995) – wiring diagrams – power seats

Volvo 940 (1995) – wiring diagrams – power seats

Year of productions:  1995

Power seats

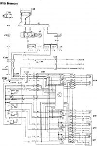
Volvo 940 – wiring diagram – power seats (part 1)
Volvo 940 – wiring diagram – power seats (part 2)
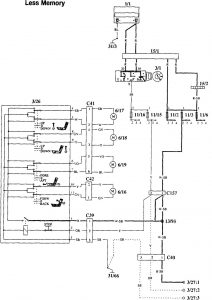
Volvo 940 (1993) – wiring diagrams – power seats (part 3)
Volvo 940 (1993) – wiring diagrams – power seats (part 4)
Volvo 940 (1993) – wiring diagrams – power seats (part 5)

WARNING: Terminal and harness assignments for individual connectors will vary depending on vehicle equipment level, model, and market.