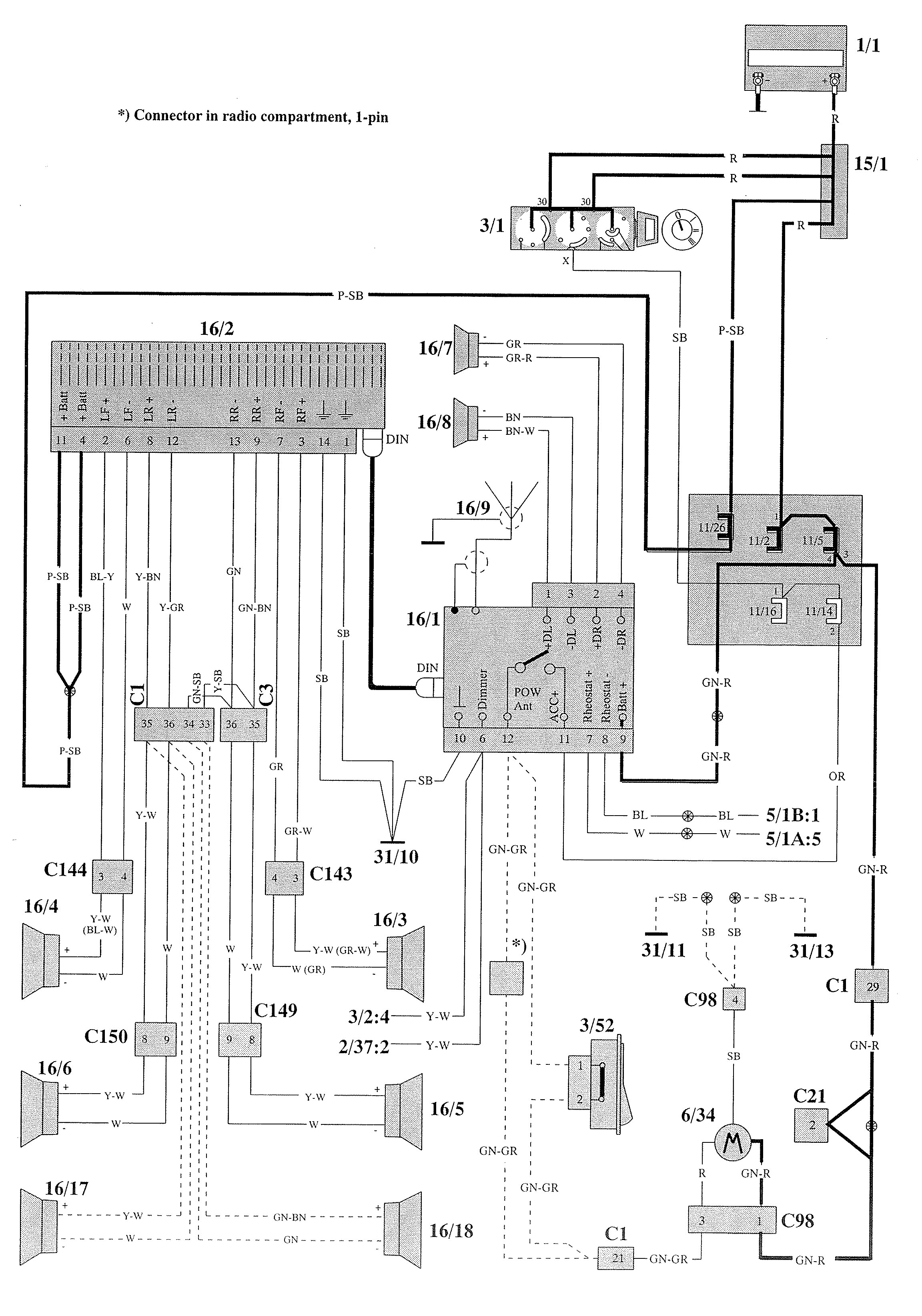
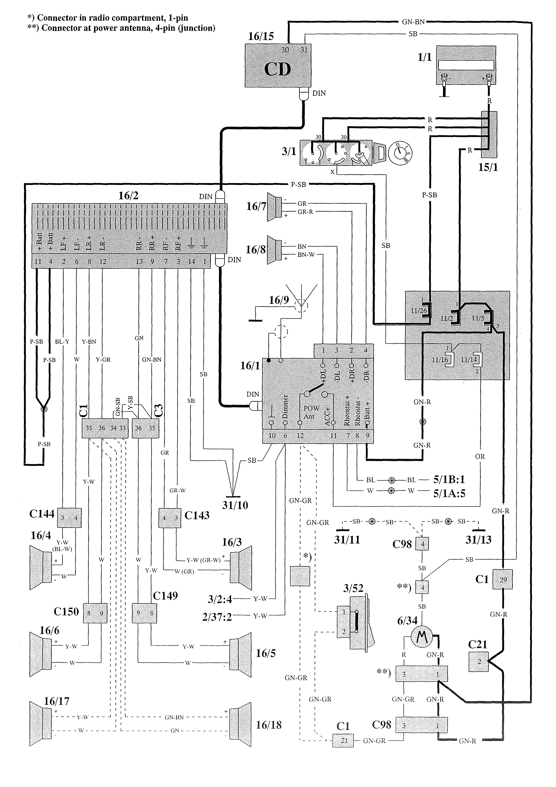
Volvo 940 (1993) – wiring diagrams – audio
Year of productions: 1993
Audio


WARNING: Terminal and harness assignments for individual connectors will vary depending on vehicle equipment level, model, and market.
Copyright © 2026 | MH Magazine WordPress Theme by MH Themes