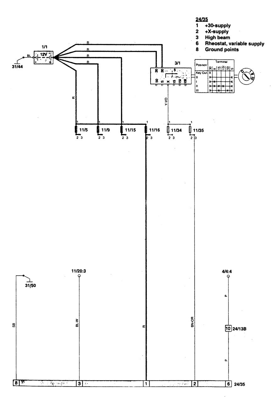
Volvo 850 (1996 – 1997) – wiring diagrams – power/auxiliary outlet
Year of productions: 1996, 1997
Power/auxiliary outlet




WARNING: Terminal and harness assignments for individual connectors will vary depending on vehicle equipment level, model, and market.
