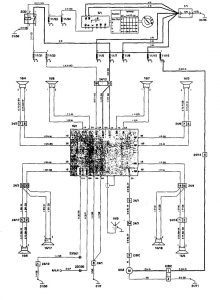
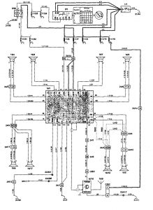
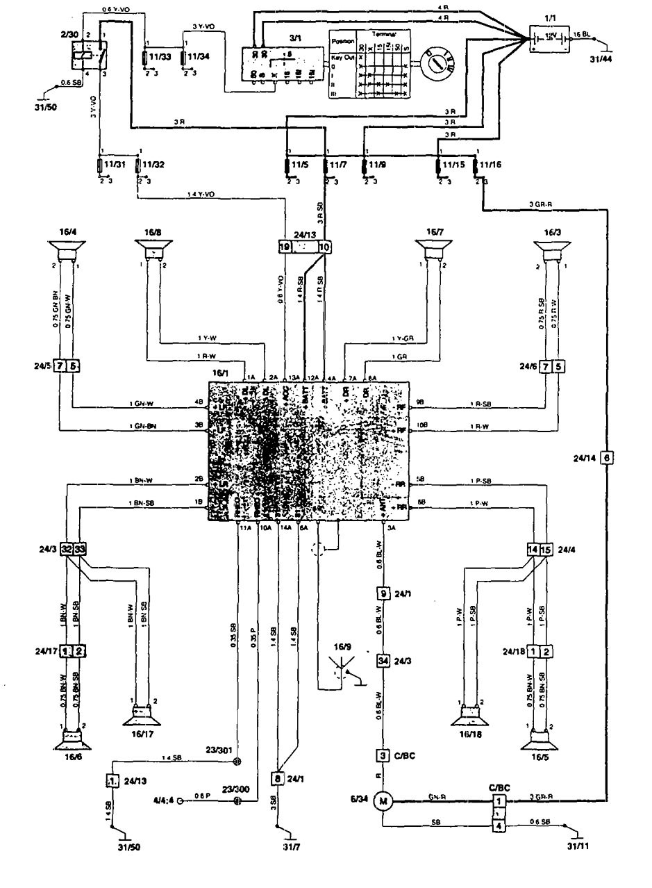
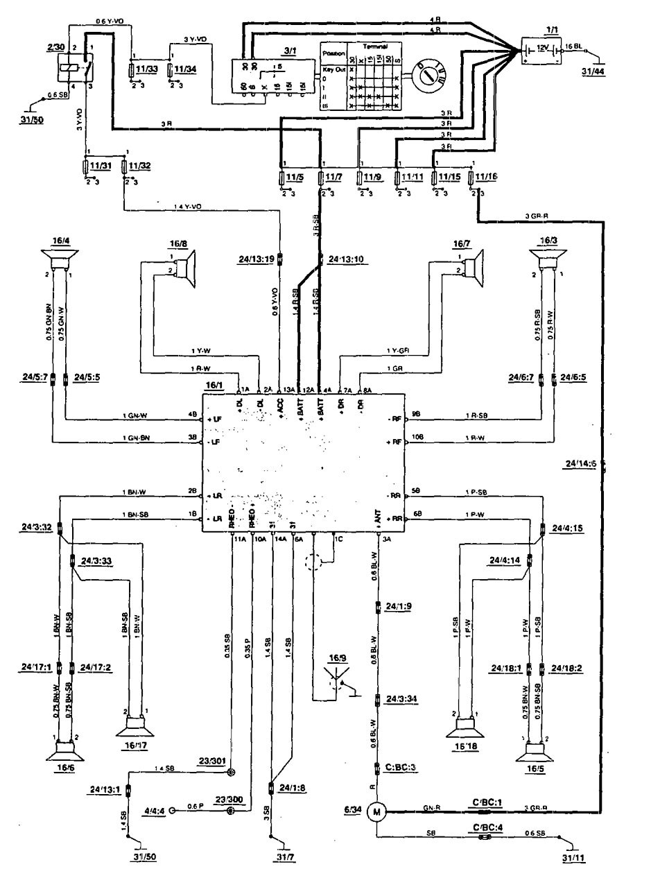
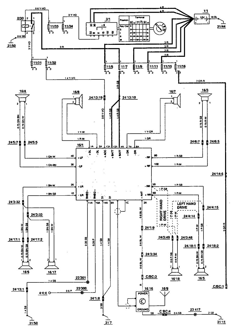
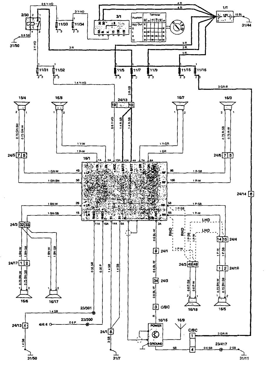
Volvo 850 (1995) – wiring diagrams – audio
Year of productions: 1995
Audio







WARNING: Terminal and harness assignments for individual connectors will vary depending on vehicle equipment level, model, and market.
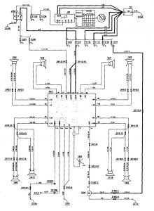
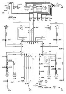
Year of productions: 1995







WARNING: Terminal and harness assignments for individual connectors will vary depending on vehicle equipment level, model, and market.
Copyright © 2026 | MH Magazine WordPress Theme by MH Themes