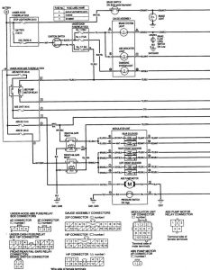
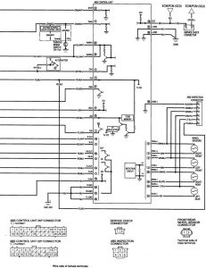
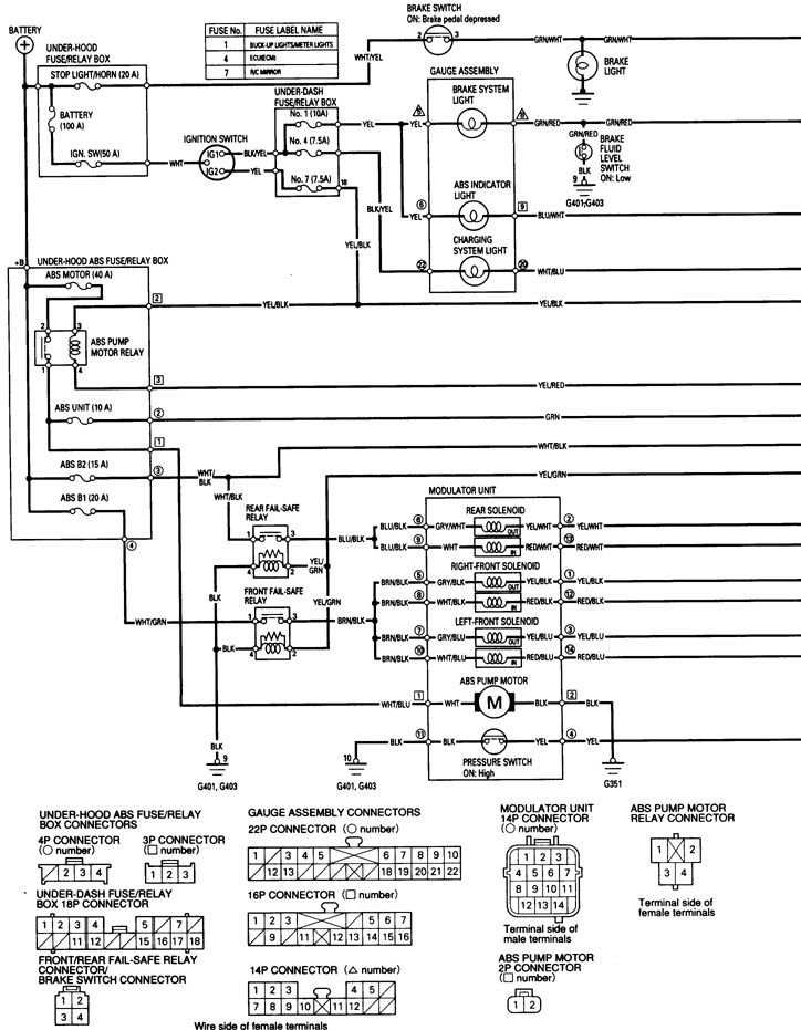
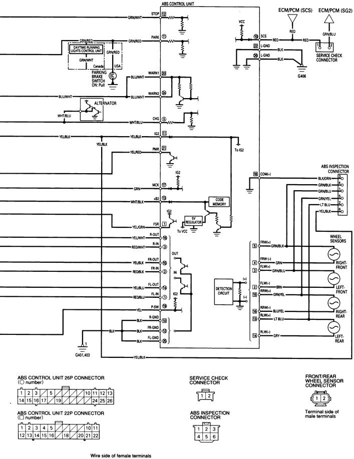
Acura CL (1998 – 1999) – wiring diagrams – brake controls
Year of productions: 1998 – 1999
Brake controls


WARNING: Terminal and harness assignments for individual connectors will vary depending on vehicle equipment level, model, and market.
Year of productions: 1998 – 1999


WARNING: Terminal and harness assignments for individual connectors will vary depending on vehicle equipment level, model, and market.
Copyright © 2026 | MH Magazine WordPress Theme by MH Themes