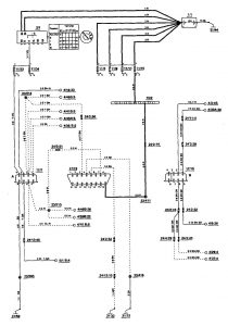
Volvo 850 (1994 – 1995) – wiring diagrams – diagnostic socket
Year of productions: 1994, 1995
Diagnostic socket




WARNING: Terminal and harness assignments for individual connectors will vary depending on vehicle equipment level, model, and market.
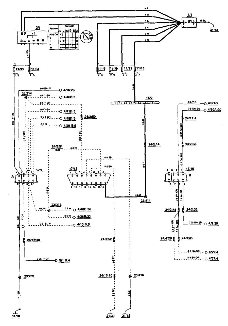
Year of productions: 1994, 1995




WARNING: Terminal and harness assignments for individual connectors will vary depending on vehicle equipment level, model, and market.
Copyright © 2026 | MH Magazine WordPress Theme by MH Themes