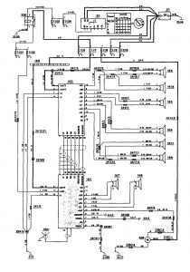
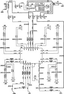
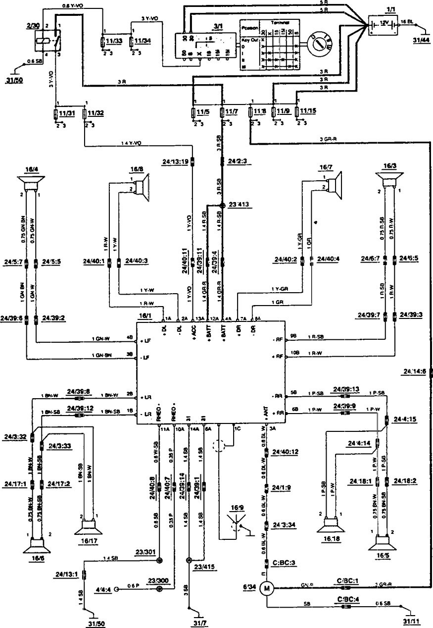
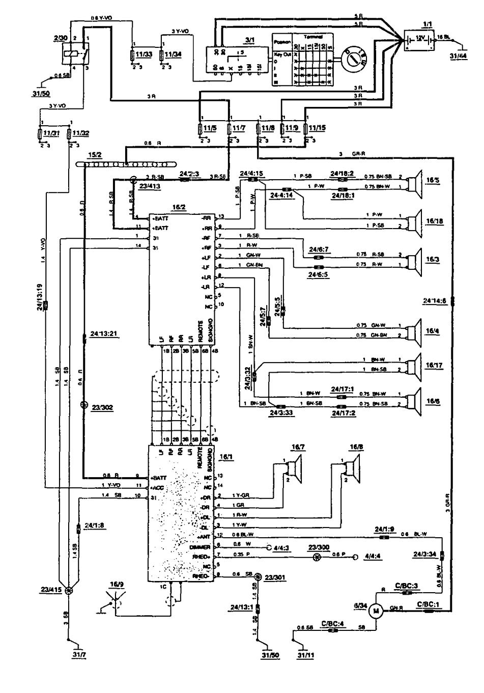
Volvo 850 (1993 – 1994) – wiring diagrams – audio
Year of productions: 1993, 1994
Audio





WARNING: Terminal and harness assignments for individual connectors will vary depending on vehicle equipment level, model, and market.
Year of productions: 1993, 1994





WARNING: Terminal and harness assignments for individual connectors will vary depending on vehicle equipment level, model, and market.
Copyright © 2026 | MH Magazine WordPress Theme by MH Themes