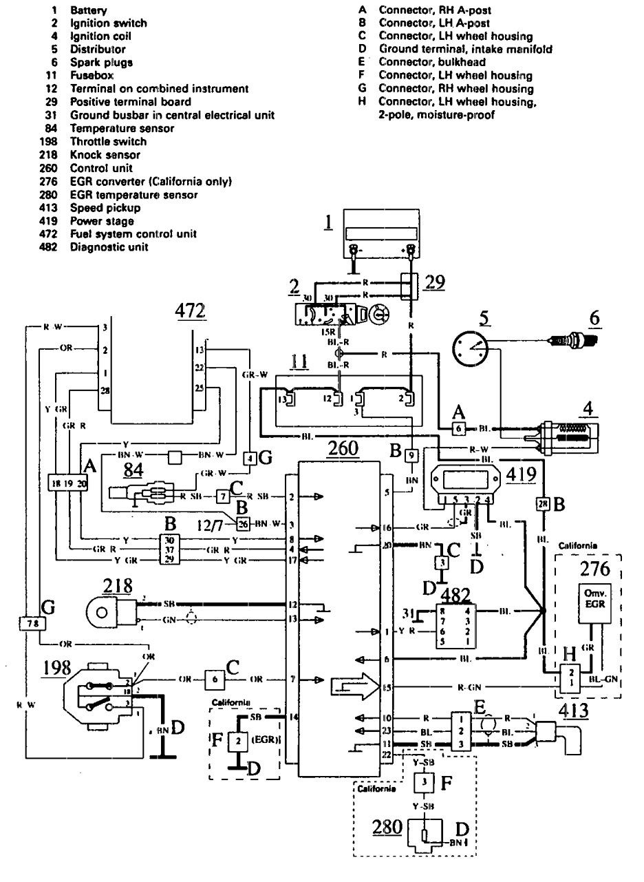
Volvo 780 (1990 – 1991) – wiring diagrams – ignition
Year of productions: 1990, 1991
Ignition

WARNING: Terminal and harness assignments for individual connectors will vary depending on vehicle equipment level, model, and market.
Copyright © 2026 | MH Magazine WordPress Theme by MH Themes