Toyota Avensis Verso (2000 – 2006) – fuse box diagram
Year of production: 2000, 2001, 2002, 2003, 2004, 2005, 2006
Passenger Compartment
LHD

RHD

- Fuse Box
- Body ECU
- Power Point Relay
- Turn Signal Flasher Relay
- Circuit Opening Relay (Fuel Pump)
- LHD: TVSS ECU
- Radio and Player with Display
- Transponder Key Computer
- Rear Heater Relay (HI)
- Rear Heater Relay
- LHD: A/C Amplifier (Manual A/C)
- Television Camera ECU (with Navigation System)
- Junction Block
- Front Fog Light Relay
- Engine and ECT ECU (A/T)
Engine ECU (M/T) - LHD: Blower Relay (M2)
- LHD: Blower Relay (M1)
- A/C Control Assembly (Automatic A/C)
- Antenna Amplifier
or
RHD (to 10.2003): Blower Relay (M2) / Blower Relay (M1) / Blower Relay (HI) - Airbag Sensor Assembly
- Transponder Key Amplifier
- LHD: PTC Heater Amplifier (1AZ-FE)
- LHD: Blower Relay (HI)
- RHD: Back-Up Light Relay
- RHD: Theft Deterrent ECU
- RHD: Double Door Lock ECU
Passenger Compartment Fuse Box

| No. |
Fuse |
A |
Circuit |
| 1 | IGN | 10 | SRS airbag system, gauge and meters, starting system, multiport fuel injection system/sequential multiport fuel injection system, electric cooling fan, air conditioning system, ABS, VSC, “FUEL HTR” relay, “IG2” relay |
| 2 | DOOR NO.2 | 25 | Avensis Verso, Picnic: Power door lock system |
| PWR SEAT | 30 | Ipsum: Power seat | |
| 3 | RR HTR | 10 | Rear heater |
| 4 | FR FOG | 15 | Front fog light |
| 5 | AM1 | 25 | Starting system |
| 6 | PANEL | 7.5 | Instrument cluster lights, instrument panel lights, electronic controlled transmission, audio system, headlight cleaner, front fog light, TOYOTA parking assist, clock, air conditioning system, key reminder and light reminder |
| 7 | SRS-IG
or AIRBAG-IG
|
10 | SRS airbag system |
| 8 | SEAT HTR | 10 | Avensis Verso, Picnic: Seat heater |
| TEMS | 10 | Ipsum: TOYOTA electronic modulated suspension | |
| 9 | C/LTR
or CIG
|
15 | Cigarette lighter |
| 10 | HTR
or HEATER
|
10 | Air conditioning system, charging system, multiport fuel injection system/sequential multiport fuel injection system, ABS, VSC, key reminder and light reminder, seat belt warning, TOYOTA parking assist, instrument cluster, rear windshield defogger |
| 11 | MTR HTR | 10 | Outside rear view mirror heaters |
| 12 | ECU-ACC | 7.5 | Power door lock system, electric cooling fans, power windows, audio system, fog light, interior light, tail lights, parking lights, headlight |
| 13 | PWR | 30 | Power windows, sliding roof |
| 14 | TAIL | 10 | Tail lights, parking lights, license plate lights, trunk light, front fog light, rear fog light, instrument cluster |
| 15 | PWR OUTLET | 15 | Power outlet |
| 16 | FR P/W | 30 | Power windows, sliding roof |
| 17 | DOOR | 25 | Power door lock system |
| 18 | WIPER | 25 | Front wiper and washer, rear wiper and washer, headlight cleaner |
| 19 | ECU-IG | 7.5 | Electric cooling fans, multiport fuel injection system/sequential multiport fuel injection system, ABS, VSC, audio system, TOYOTA electronic modulated suspension, power rear view mirrors, automatic light control system |
| 20 | RR DEF | 20 | Rear windshield defogger |
| 21 | GAUGE | 7.5 | Charging system, instrument cluster, back-up light, turn signal and hazard warning light, multiport fuel injection system/sequential multiport fuel injection system, ABS, power door lock system, power windows, key reminder and light reminder, seat belt warning, sliding roof, audio system, clock, headlight, automatic light control system, fog light, tail lights, parking lights, interior light, TOYOTA parking assist, air conditioning system, rear windshield defogger |
| 22 | STOP | 15 | Stop light, shift lock control system, ABS, high mounted stoplight, multiport fuel injection system/sequential multiport fuel injection system, TOYOTA electronic modulated suspension |
| Relay |
|||
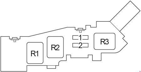
| R1 | Short Pin (since 10.2003: Avensis Verso, Picnic) | ||
| R2 | Heater (HTR) | ||
| R3 | Rear windshield defogger (RR DEF) | ||
| R4 | Ignition (IG1) | ||
| R5 | Taillight (TAIL) | ||

- Moon Roof Control Relay
- Rear Cooler Relay
- Rear Wiper Relay (to 10.2003)
- Wireless Door Lock Control Receiver
Engine Compartment

- Fuse Box
- Headlight Cleaner Control Relay
- Skid Control ECU with Actuator
- ABS Relay Box
- 1CD-FTV: Glow Plug Relay
- Relay Box
Engine Compartment Fuse Box

| No. |
Fuse |
A |
Circuit |
| 1 | DCC | 30 | “ECU-B”, “DOME”, “RAD NO.1” fuses |
| 2 | IG2 | 15 | Gasoline: Electric cooling fans, multiport fuel injection system/sequential multiport fuel injection system, air conditioning system |
| FUEL HTR | 30 | Diesel: Fuel heater | |
| 3 | HORN | 10 | Horn |
| 4 | HAZ | 10 | Turn signal and hazard warning light |
| 5 | EFI | 15 | Multiport fuel injection system/sequential multiport fuel injection system, air conditioning system, electric cooling fans |
| 6 | ETCS | 10 | Avensis Verso, Picnic (to 10.2003): Electronic throttle control system Ipsum (since 10.2003): Electronic throttle control system |
| A/F | 15 | Avensis Verso, Picnic (since 10.2003): Air fuel ratio sensor | |
| 7 | OBD | 7.5 | On-board diagnosis system |
| 8 | ALT-S | 7.5 | Avensis Verso, Picnic: Charging system |
| FR DEF | 15 | Ipsum (since 10.2003): Windshield wiper de-icer | |
| 9 | MAIN | 50 | “HEAD” relay (“HEAD LH LWR”, “HEAD RH LWR”, “HEAD LH UPR”, “HEAD RH UPR” fuses) |
| 10 | AM2 | 30 | Ignition switch |
| 11 | RR CLR | 30 | Rear air conditioning system |
| 12 | HEAD LP CLN | 30 | Avensis Verso, Picnic: Headlight cleaner |
| AC INV | 15 | Ipsum: Power outlet | |
| 13 | RR FOG | 7.5 | Rear fog light |
| 14 | ABS NO.1 | 40 | Avensis Verso, Picnic: except VSC (to 10.2003): ABS since 10.2003: ABS, VSC Ipsum: ABS, VSC |
| 50 | Avensis Verso, Picnic: VSC (to 10.2003): ABS, VSC |
||
| 15 | ABS NO.2 | 30 | Avensis Verso, Picnic (to 10.2003): ABS, VSC Ipsum: except VSC (since 10.2003): ABS |
| 40 | Avensis Verso, Picnic (since 10.2003): ABS, VSC Ipsum: to 10.2003: ABS or VSC: ABS, VSC |
||
| 16 | CDS | 30 | Gasoline: Electric cooling fans |
| 40 | Diesel: Electric cooling fans | ||
| 17 | RDI | 30 | Gasoline: Electric cooling fans |
| 40 | Diesel: Electric cooling fans | ||
| 18 | HTR | 50 | Air conditioning system / heater |
| 19 | ALT | 140 | “RR DEF” relay (“RR DEF”, “MIR HTR” fuses) “TAIL” relay (“TAIL”, “PANEL” fuses), “IG1” relay (“ECU-IG”, “GAUGE”, “HTR”, “SEAT HTR”, “SRS-IG”, “WIPER” fuses), “PWR”, “RR HTR”, “DOOR”, “DOOR NO.2”, “FR FOG”, “PWR OUTLET”, “STOP”, “AM1” fuses |
| 20 | HEAD RH UPR | 15 | Right-hand headlight (high beam), instrument cluster |
| 21 | HEAD LH UPR | 15 | Left-hand headlight (high beam) |
| 22 | HEAD RH LWR | 15 | Left-hand headlight (low beam), headlight beam level control |
| 23 | HEAD LH LWR | 15 | Right-hand headlight (low beam) |
| 24 | RAD NO.1 | 15 | Audio system |
| 25 | ECU-B | 7.5 | Charging system, multiport fuel injection system/sequential multiport fuel injection system, ABS, TOYOTA electronic modulated suspension, power door lock system, power windows, key reminder and light reminder, seat belt warning, audio system, clock, instrument cluster, headlight, automatic light control system, fog light, tail lights, parking lights, interior light, TOYOTA parking assist, air conditioning system, rear windshield defogger |
| 26 | DOME | 10 | Interior light, personal lights, foot lights, door courtesy lights, trunk light, vanity lights |
| Relay | |||
| R1 | Headlight (HEAD) | ||
| R2 | Avensis Verso, Picnic: (DIMMER) Ipsum (since 10.2003): FR DEF |
||
| R3 | Gasoline: Ignition (IG2) Diesel: Fuel heater (FUEL HTR) |
||
| R4 | Horn | ||
| R5 | Electric cooling fan (FAN NO.2) | ||
| R6 | Electric cooling fan (FAN NO.1) | ||
| R7 | Electric cooling fan (FAN NO.3) | ||
| R8 | Engine control unit (EFI) | ||

| No. |
Fuse |
A |
Circuit |
| 1 | ST | 7.5 | Starting system, multiport fuel injection system/sequential multiport fuel injection system |
| 2 | – | – | – |
| Relay | |||
| R1 | Starter (ST) | ||
| R2 | 1CD-FTV: Engine control unit (EDU) 1AZ-FE (since 10.2003): Air fuel ratio sensor (A/F) |
||
| R3 | Air conditioner compressor clutch (MG/C) | ||
Relay Box

| No. |
Fuse |
A |
Circuit |
| 1 | HTR SUB 3 | 50 | Power heater |
| 2 | HTR SUB 1 | 50 | Power heater |
| 3 | HTR SUB 2 | 50 | Power heater |
| Relay | |||
| R1 | Power heater (HTR SUB 1) | ||
| R2 | Power heater (HTR SUB 2) | ||
| R3 | Power heater (HTR SUB 3) | ||
ABS Relay Box (Type 1)

| No. |
Fuse |
A |
Circuit |
| 1 | – | ||
| Relay | |||
| R1 | – | ||
| R2 | ABS CUT | ||
| R3 | ABS MTR | ||
WARNING: Terminal and harness assignments for individual connectors will vary depending on vehicle equipment level, model, and market.
