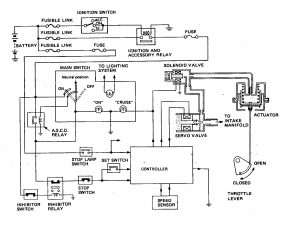
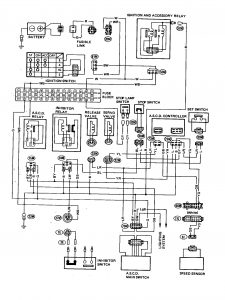
Nissan Datsun 200SX (1980) – wire diagram – automatic speed control device (A.S.C.D)
Year of production: 1980
Schematic – Automatic Speed Control Device (A.S.C.D)

Wire diagram – Automatic Speed Control Device (A.S.C.D)
WARNING: Terminal and harness assignments for individual connectors will vary depending on vehicle equipment level, model, and market.

