Nissan 240SX (1989 – 1994) – fuse box diagram

Nissan 240SX (1989 – 1994) – fuse box diagram

Year of production: 1989, 1990, 1991, 1992, 1993, 1994

Passenger Compartment

Nissan 240SX - fuse box diagram - passenger compartment - location
Nissan 240SX – fuse box diagram – passenger compartment – location
  1. Fuse Block
  2. Rear Defogger Relay
  3. Buld Check Relay
  4. Ignition Relay
  5. Circuit Breaker
  6. Accessory Relay 1
  7. ECCS Control Unit
  8. ASCD Control Unit
  9. Automatic Transmission Control Unit
  10. Door Lock Timer
  11. Vehicle Speed Sensor
  12. Automatic Seat Belt Control Unit
  13. Kickdown Switch
  14. Turn Signal / Hazard Flasher
  15. ASCD Cancel Switch
  16. Stoplight Switch
  17. Shift Lock Control Unit
  18. Time Control Unit
  19. Headlight Timer
  20. Chime

Passenger Compartment Fuse Box

Nissan 240SX - fuse box diagram - passenger compartment
Nissan 240SX – fuse box diagram – passenger compartment
No.
A
Circuit Protected
1 15 Blower Motor
2 15 Blower Motor
3 10 Heater & Air Conditioner
4 15 Cigarette Lighter
5 20 Front Windshield Wiper & Washer
6 10 Rear Window Wiper & Washer, Door Mirror System
7 10 Head-up Display Control Unit, Time Control Unit, Radio, Audio, Rear Window Defogger Relay, Digital Gauges Illumination, Auto Antenna Timer (’90-’95)
8 10 Turn Signals
9 10 Gauges, Head-Up Display Control Unit, Automatic Seat Belt Control Unit, Auto Antenna Timer (’90-’95), Time Control Unit, Daytime Running Lights (Canada)
10 10 Cruise Control, HICAS Control Unit
11 20 Rear Window Defogger
12 20 Rear Window Defogger
13 10 Interior Lights, Radio, Audio, Clock, Warning Chime, Time Control Unit, A/T Control Unit, Head-Up Display Control Unit, Automatic Seat Belt Control Unit, HICAS Control Unit, Auto Antenna Timer (’90-’95)
14 15 Stoplight, Shift Lock Control Unit, Cruise Control Unit
15 10 Hazard Warning Light
16 5 Headlight Timer, Retractor Relay
17 10 Daytime Light Control Unit (’90-’95)
18 15 Exterior Lights, Illumination, Glove Box Light, Headlight Timer, Time Control Unit
19 10 ECCS Control Unit, Daytime Light Control Unit (’90-’95)
20 10 Back-Up Light, Inhibitor Switch, A/T Control Unit, Shift Lock Control Unit, ABS Control Unit (’90-’95), HICAS Warning Light (If Equipped)

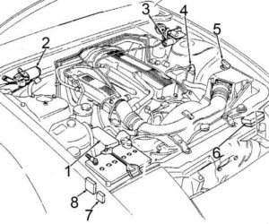
Engine Compartment

Nissan 240SX - fuse box diagram - engine compartment - location
Nissan 240SX – fuse box diagram – engine compartment – location
  1. Fuse Block
  2. Wiper Motor
  3. ASCD Pump
  4. Ignition Coil & Power Transistor
  5. Dropping Resistor
  6. Relay Box
  7. Daytime Light Control Unit
  8. Interlock Relay

Engine Compartment Fuse Box

Nissan 240SX - fuse box diagram - engine compartment
Nissan 240SX – fuse box diagram – engine compartment
A Description components
1 15 Front Foglight
2 10 Horn, Cruise Control
3 20 ’91-’95: Anti-Lock Brake System
4 10 Bulb Check Relay
5 10 Fuel Pump, Air Regulator
6 10 Shift Lock Control Unit, Key Switch
7 15 Right Headlight
8 15 Left Headlight

 

Nissan 240SX - fuse box diagram - engine compartment
Nissan 240SX – fuse box diagram – engine compartment
Description components
R1 ECCS
R2 Fuel Pump
R3 Headlight Retract (No.4)
R4 Inhibitor

Engine Compartment Relay Box

Nissan 240SX - fuse box diagram - engine compartment relay box
Nissan 240SX – fuse box diagram – engine compartment relay box
Description components
R1 Accessory (No.2)
R2 ASCD Hold
R3 Air Conditioner
R4 Fog Light
R5 Headlight Retract (No.2)
R6 Headlight Retract (No.1)
R7 Headlight Retract (No.3)
R8 Horn

WARNING: Terminal and harness assignments for individual connectors will vary depending on vehicle equipment level, model, and market.