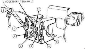
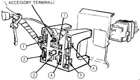
Mercury Comet (1971 – 1977) – fuse box diagram

Mercury Comet (1971 – 1977) – fuse box diagram

Year of production: 1971, 1972, 1973, 1974, 1975, 1976, 1977

Fuse box diagram

Mercury Comet - fuse box diagram
Mercury Comet – fuse box diagram
Fuse [A] Protected Component
1 20 Hazard warning flasher, cigar lighter, clock feed
2 14 Courtesy, dome, luggage compartment lights, ignition key warning buzzer
3 4 Instrument panel and cluster lights, radio, clock, shift quadrant indicator illumination lights
4 14 Indicator lights, throttle positioner, emission control solenoid, seat belt warning buzzer and light
5 14 Heater and defroster
30 Air conditioner
6 15 Back-up lights, radio feed and windshield
7 20 Accessory feed, rear window defogge
Circuit Breaker:
  • 18 A – Located integral with headlight switch; protects headlights.
  • 5 A – located integral with headlight switch; protects horn, stop, front and rear marker, front parking, rear and license lights.
  • 8 A – Located integral with windshield wiper switch; protects wiper motor circuits
WARNING: Terminal and harness assignments for individual connectors will vary depending on vehicle equipment level, model, and market.