Ford Maverick (1971 – 1977) – fuse box diagram
Year of production: 1971, 1972, 1973, 1974, 1975, 1976, 1977
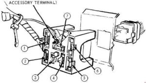
Fuse box diagram
Ford Maverick – fuse box diagram
| Fuse |
[A] |
Protected Component |
| 1 |
20 |
Hazard warning flasher, cigar lighter, clock feed |
| 2 |
14 |
Courtesy, dome, luggage compartment lights, ignition key warning buzzer |
| 3 |
4 |
Instrument panel and cluster lights, radio, clock, shift quadrant indicator illumination lights |
| 4 |
14 |
Indicator lights, throttle positioner, emission control solenoid, seat belt warning buzzer and light |
| 5 |
14 |
Heater and defroster |
|
30 |
Air conditioner |
| 6 |
15 |
Back-up lights, radio feed and windshield |
| 7 |
20 |
Accessory feed, rear window defogge |
Circuit Breaker:
- 18 A – Located integral with headlight switch; protects headlights.
- 5 A – located integral with headlight switch; protects horn, stop, front and rear marker, front parking, rear and license lights.
- 8 A – Located integral with windshield wiper switch; protects wiper motor circuits
|
WARNING: Terminal and harness assignments for individual connectors will vary depending on vehicle equipment level, model, and market.