Mercedes-Benz SLK (R172; 2010 – present) – fuse box diagram
Year of production: 2010, 20122, 2012, 2013, 2014, 2015, 2016, 2017, 2018
Fuse box – location

F32 / F32/5 – Front prefuse box
N10/1 – Front SAM control unit with fuse and relay module
N10/2 – Rear SAM control unit with fuse and relay module
Fuse box in the engine compartment

| No. | Fused function | A |
| 1 | Electronic Stability Program control unit | 25 |
| 2 | Vario roof control control unit | 30 |
| 3 | Vario roof control control unit | 30 |
| 4 | Headlamp control unit (up to model year 2017) Valid for diesel engine: Fuel filter condensation sensor with heating element (up to model year 2017) |
20 |
| 5 | Rear SAM control unit with fuse and relay module Electrohydraulic power steering via engine compartment/FFS electrical connector (as of model year 2017) Exterior lights switch (as of model year 2017) |
7.5 |
| 6 | Valid for diesel engine: CDI control unit Valid for gasoline engine: ME-SFI control unit |
10 |
| 7 | Starter via starter circuit 50 relay | 20 |
| 8 | Supplemental Restraint System control unit | 7.5 |
| 9 | Vehicle interior socket, front Cigarette lighter with ashtray illumination |
15 |
| 10 | Wiper motor Wiper park position heater (up to model year 2017) |
30 |
| 11 | Audio/COMAND display Audio/COMAND control panel |
7.5 |
| 12 | ACC control and operating unit Overhead control panel control unit Steering column tube module control unit (as of model year 2017) |
7.5 |
| 13 | Steering column tube module control unit Multifunction camera |
7.5 |
| 14 | Electronic Stability Program control unit | 7.5 |
| 15 | Supplemental Restraint System control unit | 7.5 |
| 16 | Radio fan electrical connector (as of model year 2017) Valid with transmission 725: DIRECT SELECT INTERFACE (as of model year 2017) Navigation module electrical connector (up to model year 2017) |
5 |
| Valid for transmission 722: Electronic selector lever module control unit Valid with transmission 725: DIRECT SELECT INTERFACE |
7.5 | |
| 17 | Left front lamp unit and right front lamp unit | 30 |
| Valid up to 31.05.2012: Overhead control panel control unit | 7.5 | |
| 18 | Upper control panel control unit Overhead control panel control unit Backup relay (up to model year 2017) |
7.5 |
| 19 | Valid with transmission 725: Electronic ignition lock control unit Valid for manual transmission: Electronic ignition lock control unit Electric steering lock control unit |
20 |
| 20 | Electronic Stability Program control unit | 40 |
| 21 | Glove compartment lamp | 7.5 |
| 22 | Fan motor for internal combustion engine and air conditioning with integrated control (as of model year 2017) Valid for engine 152, 271, 274, 276, 651: Electrical connector for interior harness and engine wiring harness Valid for engine 276, 651: Engine compartment/vehicle interior electrical connector Valid for engine 152, 271, 276, 651: Circuit 87 M2e connector sleeve Valid for engine 274: Connector sleeve, circuit 87/2 Valid for diesel engine: CDI control unit Engine compartment/FFS [RBA] electrical connector (up to model year 2017) |
15 |
| 23 | Valid for engine 152, 271, 274, 276: Electrical connector for interior harness and engine wiring harness Valid for diesel engine: Quantity control valve Circuit 87 M1e connector sleeve (as of model year 2017) Valid for engine 276: Engine compartment/vehicle interior electrical connector (up to model year 2017) |
20 |
| 24 | Valid for engine 152, 271, 274, 276: Electrical connector for interior harness and engine wiring harness Valid for engine 274: Coolant circulation pump relay Valid for diesel engine: Engine compartment/vehicle interior electrical connector CDI control unit (up to model year 2017) China vehicles: Radiator shutters actuator (as of model year 2017) |
15 |
| 25 | Valid for engine 276: Circuit 87 M4e connector sleeve Valid for engine 274: Circuit 87 M1 connector sleeve Valid for engine 152: Circuit 87 connector sleeve Valid for diesel engine: Oxygen sensor upstream of catalytic converter Valid for engine 651: (as of 01.06.2015) NOx sensor control unit downstream of diesel particulate filter NOx sensor control unit downstream of SCR catalytic converter |
15 |
| 26 | Left front lamp unit and right front lamp unit (as of model year 2017) Radio (up to model year 2017) COMAND controller unit (up to model year 2017) |
20 |
| 27 | Electronic ignition lock control unit Valid for diesel engine: CDI control unit Valid for gasoline engine: ME-SFI control unit |
7.5 |
| 28 | Instrument cluster Analog clock |
7.5 |
| 29 | Right headlamp range adjustment actuator motor (as of model year 2017) Right front lamp unit (up to model year 2017) |
10 |
| 30 | Left headlamp range adjustment actuator motor (as of model year 2017) Left front lamp unit (up to model year 2017) |
10 |
| 31A | Left fanfare horn Right fanfare horn |
15 |
| 31B | Left fanfare horn Right fanfare horn |
15 |
| 32 | Valid for engine 274: Electric air pump (as of model year 2017) Valid for engine 651: AdBlue® control unit |
40 |
| 33 | Valid for transmission 722: Fully integrated transmission control unit | 10 |
| 34 | Fuel system control unit Valid for engine 651: AdBlue® control unit |
7.5 |
| 35 | Electronic Stability Program control unit Right outer rear bumper integrated radar sensor and left outer rear bumper integrated radar sensor (as of model year 2017) |
5 |
| 36 | COLLISION PREVENTION ASSIST controller unit (as of model year 2017) DISTRONIC electric controller unit Left front bumper DISTRONIC (DTR) sensor (up to model year 2017) Right front bumper DISTRONIC (DTR) sensor (up to model year 2017) |
7.5 |
| Relay | ||
| J | Circuit 15 relay | |
| K | Circuit 15R relay | |
| L | Reserve relay | |
| M | Starter circuit 50 relay | |
| N | Engine circuit 87 relay | |
| O | Horn relay | |
| P | Valid for engine 271, 274 or 651.9 as of 01.06.2015: Adblue®/secondary air injection relay | |
| Q | Valid up to 29.02.2016: Backup relay | |
| R | Chassis circuit 87 relay | |
Fuse box in the trunk

| No. | Fused function | A |
| 37 | Driver seat NECK-PRO head restraint solenoid Front passenger seat NECK-PRO head restraint solenoid |
7.5 |
| 38 | Spare | – |
| 39 | Left door control unit | 30 |
| 40 | Adaptive damping system control unit | 15 |
| 41 | Right door control unit | 30 |
| 42 | Fuel system control unit | 25 |
| 43 | Spare | – |
| 44 | Spare | – |
| 45 | Spare | – |
| 46 | FM, AM and CL [ZV] antenna amplifier FM 2, DAB and TV antenna amplifier (up to model year 2017) Alarm siren Interior protection sensor |
7.5 |
| 47 | Spare | – |
| 48 | Spare | – |
| 49 | Rear window heater | 30 |
| 50 | Right reversible emergency tensioning retractor | 50 |
| 51 | Left reversible emergency tensioning retractor | 50 |
| 52 | Spare | – |
| 53 | Spare | – |
| 54 | Spare | – |
| 55 | Spare | – |
| 56 | Spare | – |
| 57 | Spare | – |
| 58 | Spare | – |
| 59 | Electric parking brake control unit | 5 |
| 60 | Spare | – |
| 61 | AIRSCARF control unit | 25 |
| 62 | Driver seat control unit | 30 |
| 63 | AIRSCARF control unit | 25 |
| 64 | Front passenger seat control unit | 30 |
| 65 | Valid for transmission 722, 725 (ECO start/stop) (up to model year 2017) Electric oil pump |
10 |
| 66 | Spare | – |
| 67 | Sound system amplifier control unit | 40 |
| 68 | Engine sound control unit (as of model year 2017) | 15 |
| 69 | Radio (as of model year 2017) COMAND controller unit (as of model year 2017) |
20 |
| 70 | Tire pressure monitor control unit | 5 |
| 71 | Valid for engine 274: Left exhaust flap actuator motor (as of model year 2017) | 7.5 |
| 72 | Center console stowage compartment socket (up to model year 2017) | 15 |
| 73 | Valid for engine 274, 276: Charge air cooler circulation pump relay (as of model year 2017) | 10 |
| 74 | KEYLESS-GO control unit | 7.5 |
| 75 | Vario roof control control unit | 20 |
| 76 | MAGIC SKY CONTROL control unit | 7.5 |
| 77 | Cellular telephone system antenna amplifier / compensator | 5 |
| 78 | Media interface control unit (up to model year 2017) | 7.5 |
| 79 | Multimedia connection unit (as of model year 2017) Radar sensors control unit (up to model year 2017) |
5 |
| 80 | Parking system control unit | 7.5 |
| 81 | Mobile phone contact plate | 5 |
| 82 | Reversing camera (as of model year 2017) | 5 |
| 83 | Dedicated Short-Range Communications control unit (as of model year 2017) VICS and Electronic Toll Collection power supply electrical connector (up to model year 2017) |
7.5 |
| 84 | Digital Audio Broadcasting control unit (up to model year 2017) Satellite digital audio radio (SDAR) control unit (up to model year 2017) |
5 |
| 85 | Tuner unit (as of model year 2017) Digital TV tuner (up to model year 2017) |
7.5 |
| 86 | Camera cover control unit (as of model year 2017) | 5 |
| 87 | HERMES control unit (as of model year 2017) eCall Russia control unit (GLONASS) (as of model year 2017) Emergency call system control unit (up to model year 2017) |
7.5 |
| 88 | Internal supply of rear SAM control unit with fuse and relay module | 80 |
| 89 | Electric parking brake control unit | 30 |
| 90 | Electric parking brake control unit | 30 |
| 91 | Spare | – |
| 92 | Spare | – |
| Relay | ||
| A | Terminal 15 relay | |
| B | Circuit 15R relay (1) | |
| C | Heated rear window relay | |
| D | Fuel pump relay | |
| R | Spare | |
| F | Seat adjustment relay | |
| G | Circuit 15R relay (2) | |
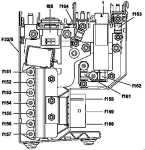
Front prefuse box
ECO start/stop

Except ECO start/stop

| No. | Fused function | A |
| 150 | Spare | – |
| 151 | Fan motor for internal combustion engine and air conditioning with integrated control | 100 |
| 152 | Front SAM control unit with fuse and relay module | 150 |
| 153 | ECO start/stop: Front SAM control unit with fuse and relay module except ECO start/stop: Spare |
100 |
| ECO start/stop (as of model year 2017): Front SAM control unit with fuse and relay module | 60 | |
| 154 | except ECO start/stop: Front SAM control unit with fuse and relay module ECO start/stop: Spare |
100 |
| 155 | Spare | – |
| 156 | Spare | – |
| 157 | Valid as of 01.06.2015 Electrohydraulic power steering | 100 |
| As of model year 2017: Electrohydraulic power steering | 120 | |
| 158 | Blower regulator and blower motor | 50 |
| As of model year 2017: Blower regulator and blower motor | 40 | |
| 159 | Vario roof control control unit | 40 |
| 160 | Valid with transmission 725: Fully integrated transmission control controller unit | 60 |
| 161 | Front SAM control unit with fuse and relay module | 100 |
| 162 | Spare | – |
| 163 | Rear SAM control unit with fuse and relay module | 150 |
| As of model year 2017: Rear SAM control unit with fuse and relay module | 200 | |
| 164 | ECO start/stop: Supply via ECO start/stop function additional battery except ECO start/stop: Supply from on-board electrical system battery |
100 |
| As of model year 2017: Supply via ECO start/stop function additional battery | 200 |
ECO start/stop function additional battery relay

WARNING: Terminal and harness assignments for individual connectors will vary depending on vehicle equipment level, model, and market.
