Mercedes-Benz C280 (1998) – wiring diagrams – power windows
Year of productions: 1998
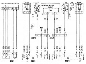
Power windows
Version 1


| F1 | Fuse and relay box |
| F1f7 | Fuse 7 |
| F1f8 | Fuse 8 |
| F1f17 | Fuse 17 |
| F4 | Fuse box in trunk |
| F4f3 | Fuse 3 |
| F4f5 | Fuse 5 |
| G1 | Battery |
| M10/3 | Left front power window motor |
| M10/4 | Right front power window motor |
| N69/1 | Front driver-side door control module |
| N69/2 | Front passenger·side door control module |
| N69/3 | Rear driver-side doof control module |
| N69/3m1 | Left rear power window motor |
| N69/4 | Rear passenger-side door control module |
| N69/4m1 | Right rear PQwer window motor |
| N72 | Lower control field control module |
| N72s1 | Left front power window swilch |
| N72s2 | Right front power window switch |
| N72s3 | Left rear power window swhch |
| N72s4 | Right rear power window switch |
| N72s5 | Child safely lock switch |
| S21/3 | Left rear power window switch |
| S21/4 | Right rear power window swi1ch |
| W18 | Ground (left front seat crossmember) |
| W19 | Ground (right front seat crossmember) |
| X4 | Terminal block (circuit 30. left footwell) |
| X30/7 | Star-point coupler dataus (CAN) tie· in connector |
| X35/3 | Left rear door separation point |
| X35/4 | Right rear door separation point |
| X35/41 | Left front door separation point |
| X35/42 | Right front door separation point |
| Z81/4 | Circutt 58d connector sleeve (frame floor) |
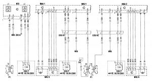
Version 2

| F1 | Fuse and relay box |
| F1f7 | Fuse 7 |
| F1f8 | Fuse 8 |
| F1f17 | Fuse 17 |
| M10/3 | Left front power window motor |
| M10/4 | Right front power window motor |
| N69/1 | Front driver-side door control module |
| N69/2 | Front passenger·side door control module |
| N72 | Lower control field control module |
| N72s1 | Left front power window swilch |
| N72s2 | Right front power window switch |
| W18 | Ground (left front seat crossmember) |
| W19 | Ground (right front seat crossmember) |
| X4 | Terminal block (circuit 30. left footwell) |
| X30/7 | Star-point coupler dataus (CAN) tie· in connector |
| X35/41 | Left front door separation point |
| X35/42 | Right front door separation point |
| Z81/4 | Circutt 58d connector sleeve (frame floor) |
WARNING: Terminal and harness assignments for individual connectors will vary depending on vehicle equipment level, model, and market.
