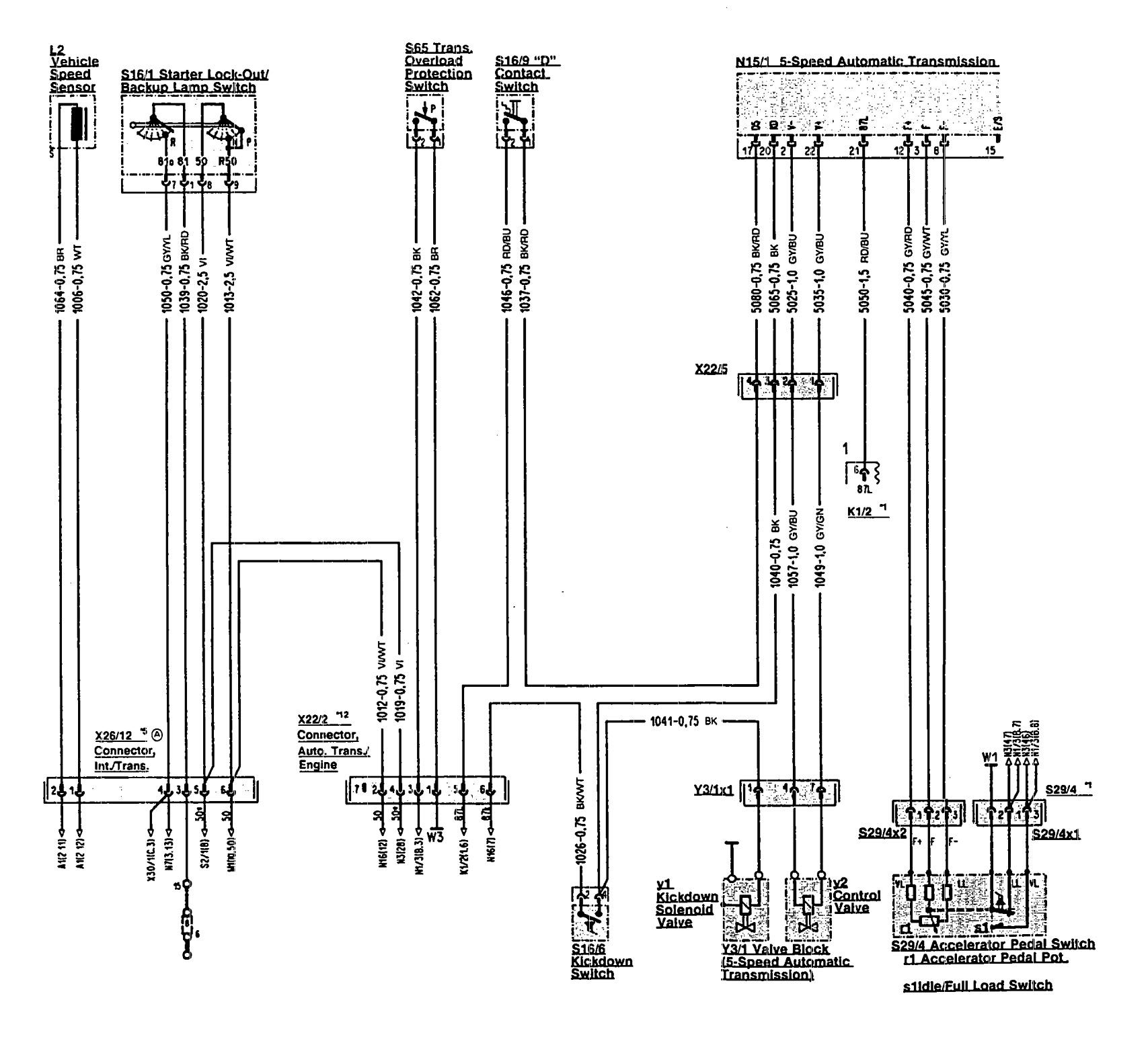
Mercedes-Benz 500SL (1990 – 1993) – wiring diagrams – transmission controls
Year of productions: 1990, 1991, 1992, 1993
Transmission controls
Version 1


Version 2

WARNING: Terminal and harness assignments for individual connectors will vary depending on vehicle equipment level, model, and market.
