olvo 850 (1994 – 1996) – wiring diagrams – trip computer
Year of productions: 1994, 1995, 1996
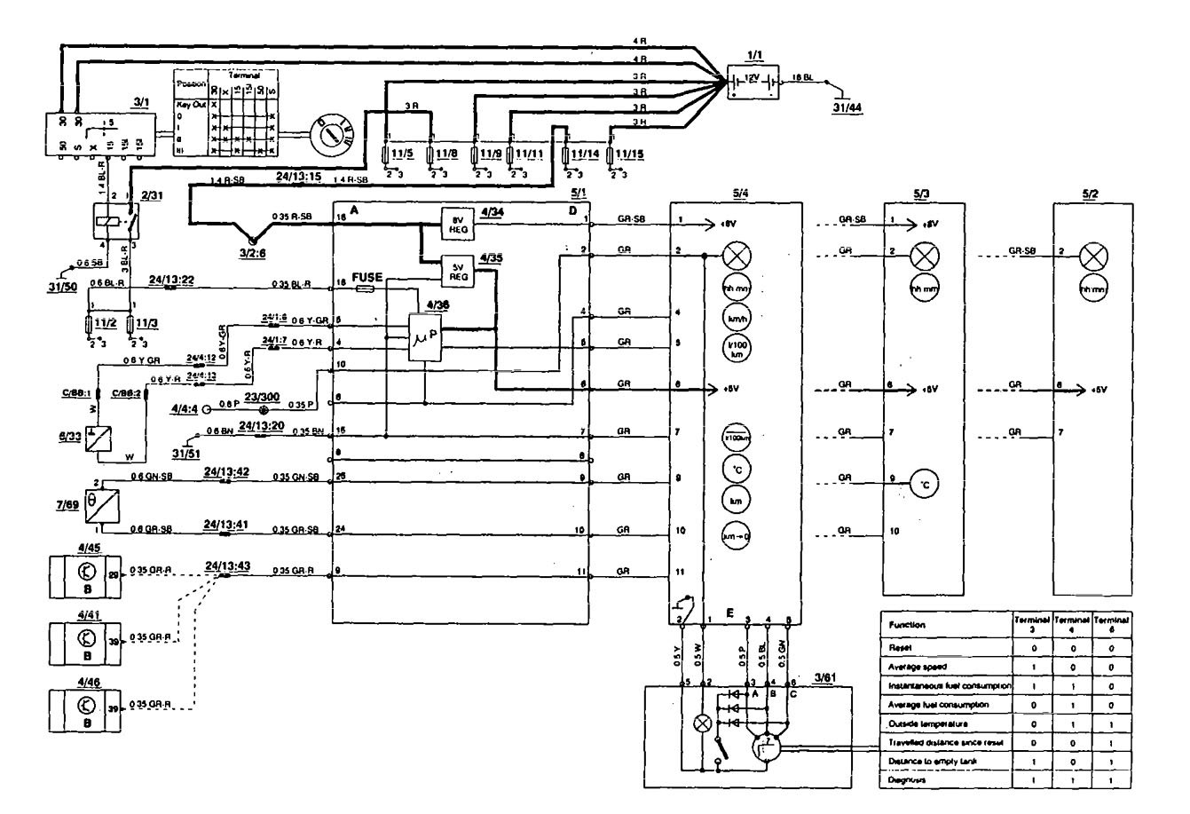
Trip computer




WARNING: Terminal and harness assignments for individual connectors will vary depending on vehicle equipment level, model, and market.
Year of productions: 1994, 1995, 1996




WARNING: Terminal and harness assignments for individual connectors will vary depending on vehicle equipment level, model, and market.
Copyright © 2026 | MH Magazine WordPress Theme by MH Themes