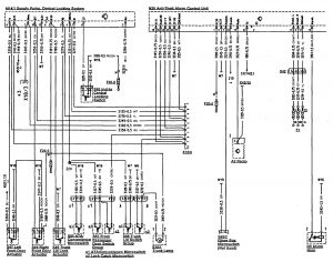
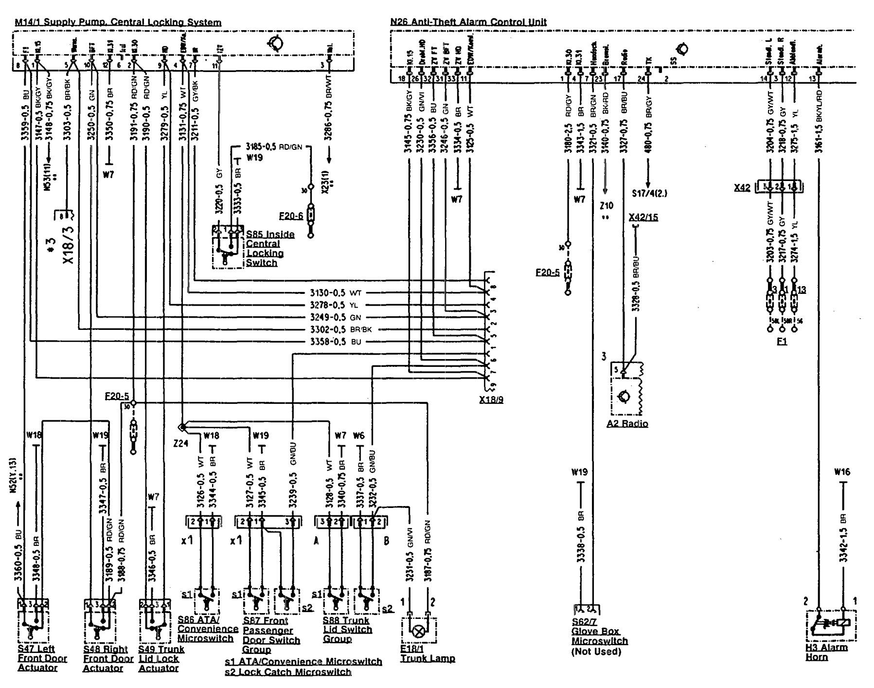
Mercedes-Benz 500SL (1990 – 1993) – wiring diagrams – power locks
Year of productions: 1990, 1991, 1992, 1993
Power locks


WARNING: Terminal and harness assignments for individual connectors will vary depending on vehicle equipment level, model, and market.
