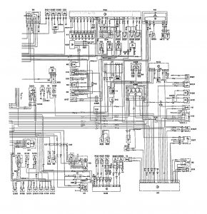
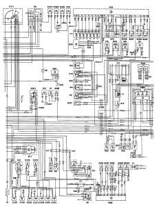
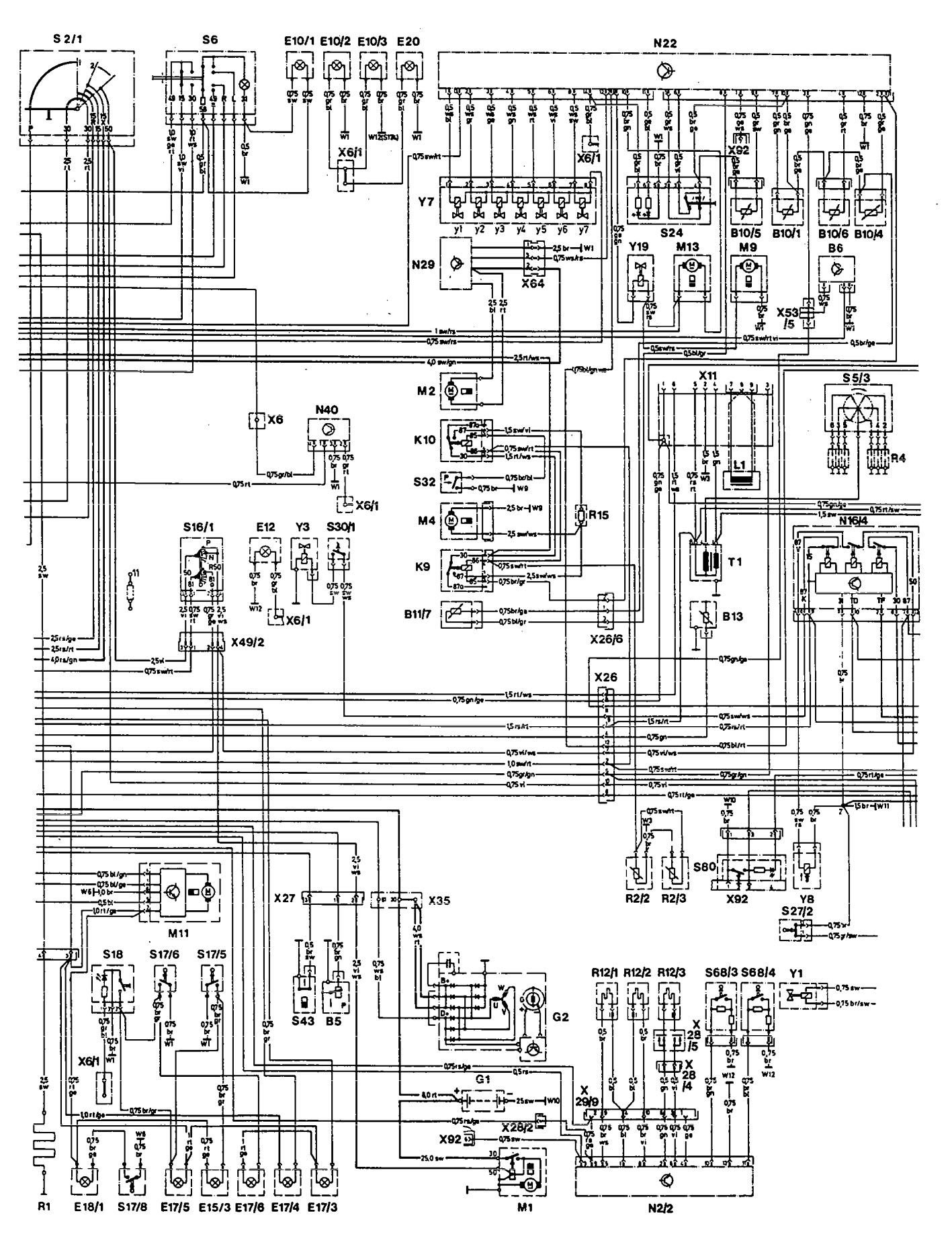
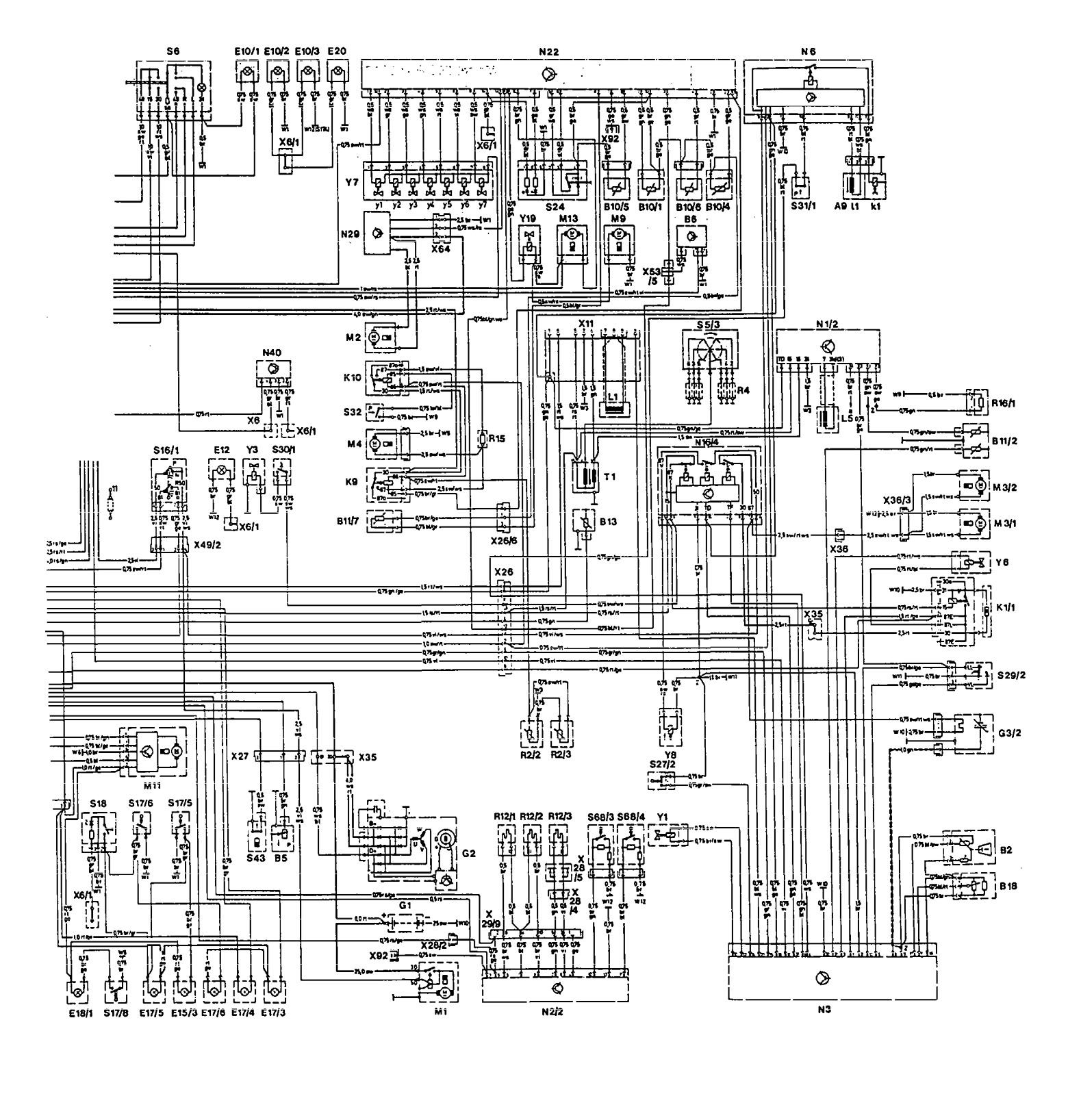
Mercedes-Benz 500E (1992 – 1993) – wiring diagrams – instrumentation
Year of productions: 1992, 1993
Instrumentation
Version 1



Version 2




WARNING: Terminal and harness assignments for individual connectors will vary depending on vehicle equipment level, model, and market.
