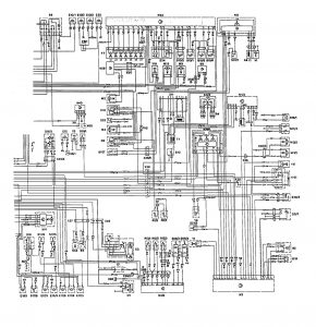
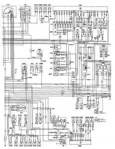
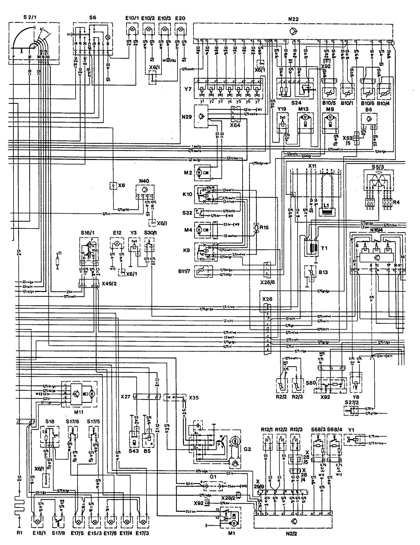
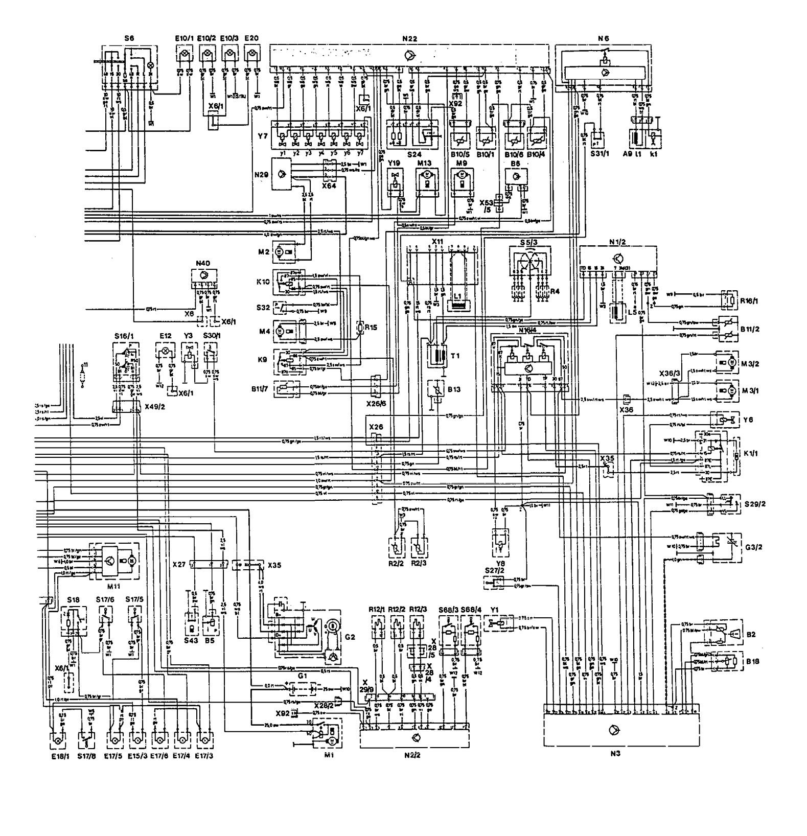
Mercedes-Benz 400E (1992 – 1993) – wiring diagrams – fuel controls
Year of productions: 1992, 1993
Fuel controls
Version 1



Version 2




WARNING: Terminal and harness assignments for individual connectors will vary depending on vehicle equipment level, model, and market.
