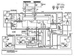
Mercedes-Benz 300TE (1990 – 1991) – wiring diagrams – power locks
Year of productions: 1990, 1991
Power locks

WARNING: Terminal and harness assignments for individual connectors will vary depending on vehicle equipment level, model, and market.
Copyright © 2026 | MH Magazine WordPress Theme by MH Themes