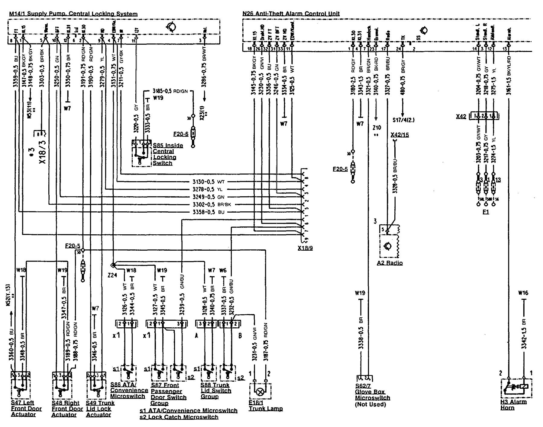
Mercedes-Benz 300SL (1990 – 1993) – wiring diagrams – keyless entry
Year of productions: 1990, 1991, 1992, 1993
Keyless entry


WARNING: Terminal and harness assignments for individual connectors will vary depending on vehicle equipment level, model, and market.
