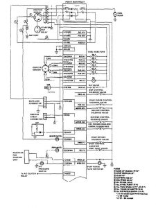
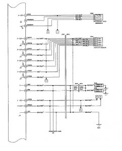
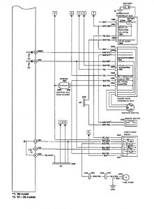
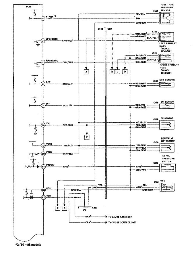
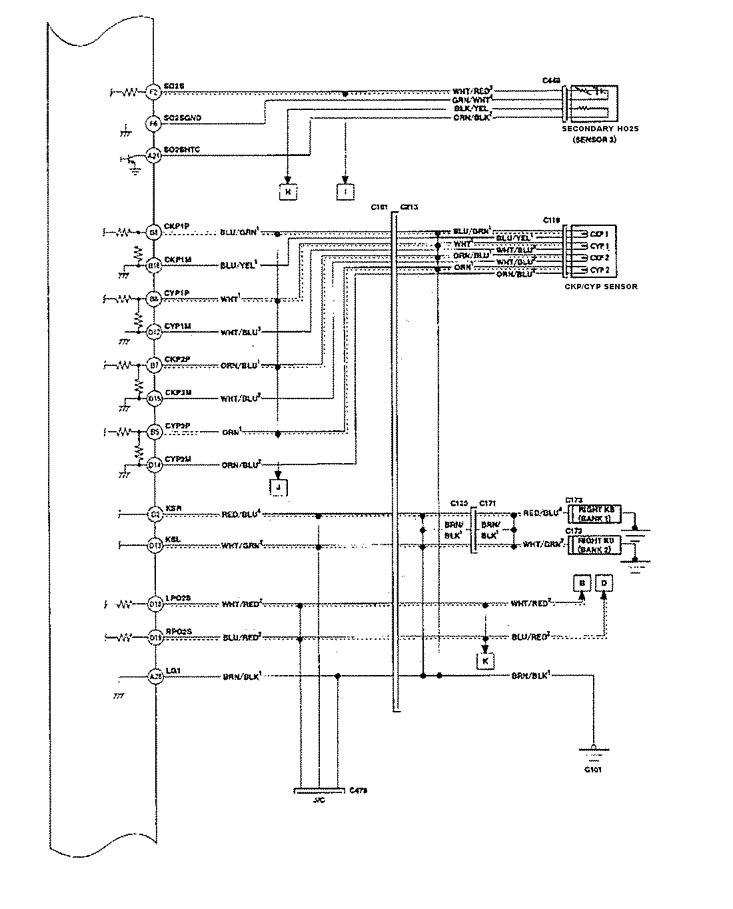
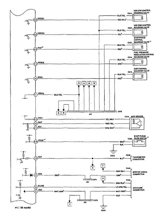
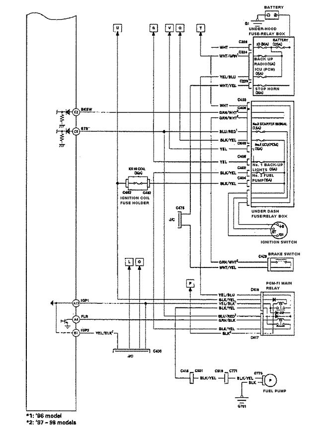
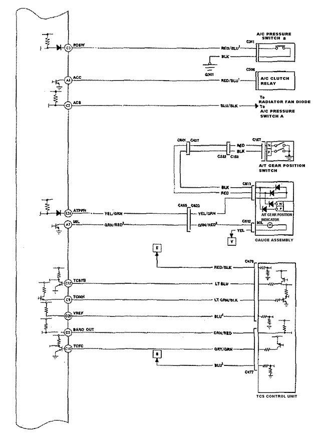
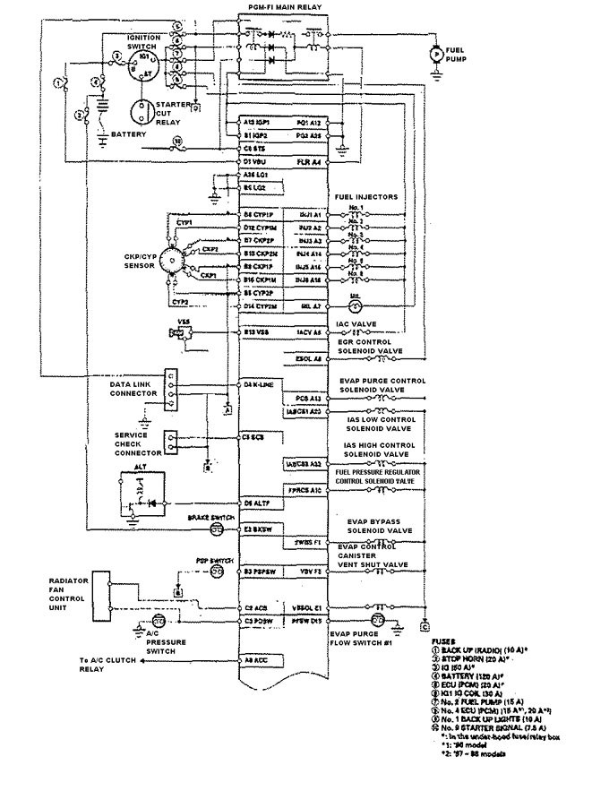
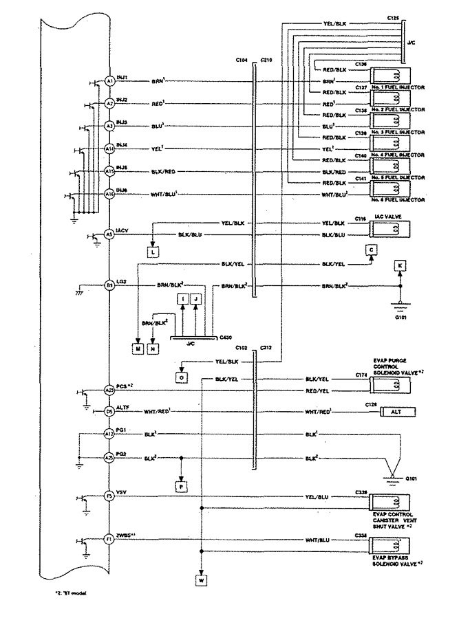
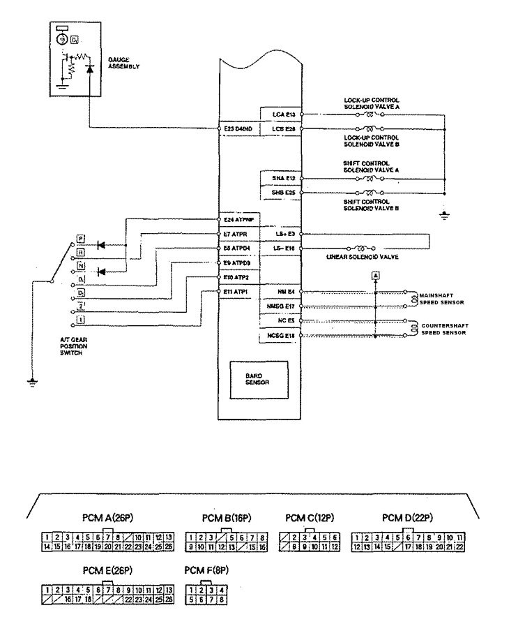
Acura TL (1998) – wiring diagrams – fuel controls
Year of productions: 1998
Fuel controls










WARNING: Terminal and harness assignments for individual connectors will vary depending on vehicle equipment level, model, and market.
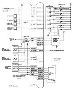
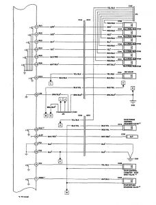
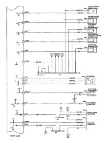
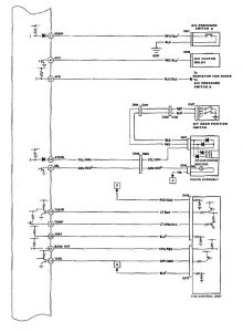
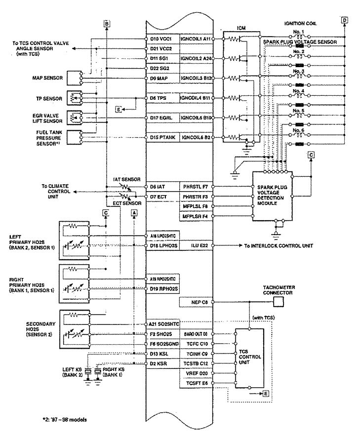
Year of productions: 1998










WARNING: Terminal and harness assignments for individual connectors will vary depending on vehicle equipment level, model, and market.
Copyright © 2026 | MH Magazine WordPress Theme by MH Themes