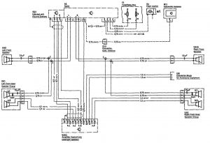
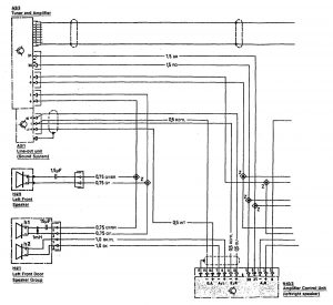
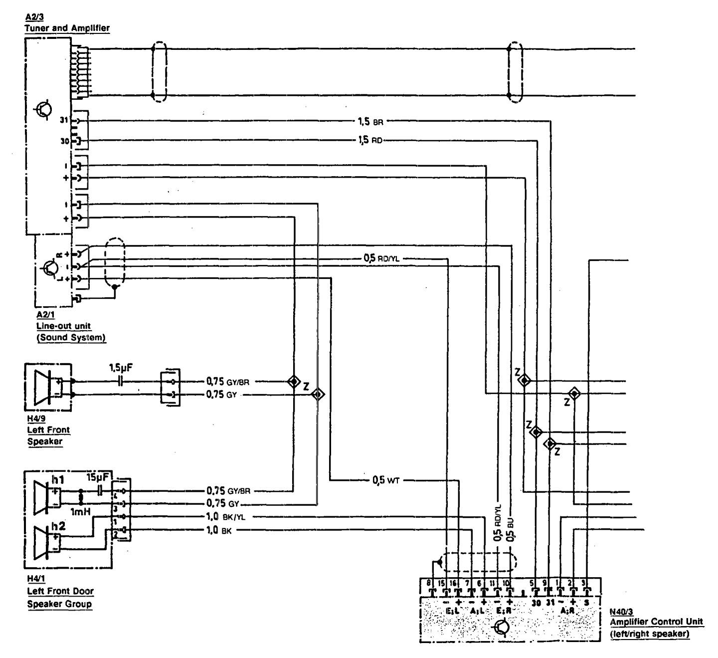
Mercedes-Benz 300SL (1990 – 1993) – wiring diagrams – audio
Year of productions: 1990, 1991, 1992, 1993
Audio
Version 1

Version 2


WARNING: Terminal and harness assignments for individual connectors will vary depending on vehicle equipment level, model, and market.
